|
|
BEAM Schematics
Click Here For Page 2 of Schematics
 |
Fled SolarEngine Parts-
1x 4700uf Capacitor
1x 2.2 ohm resistor
1x 3904 NPN transistor
1x 3906 PNP transistor
1x Green or Red Fled |
 |
Bicore - The bicore is a simple BEAM oscillator (transforms DC current in AC current). It's generally used to control walkers.
Parts List:
R1 - If the resistor is big, the oscillation will be long. If it is small, the oscillation will be short.
C1 - 0.22 uF Monolithic Capacitor
U1 - 74AC240 if you are going to drive the motor directly. 74HCT240 if you are going to use motor drivers. |
 |
H-Bridge - Very good motor driver and very easy to build.
Parts list:
Q1 - 2N3906 PNP Transistor
Q2 - 2N3904 NPN Transistor
R1 - 10K Resistor |
 |
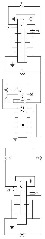
Master-Slave Bicore Walker with Reverser - This is a walker controlled by two bicores coupled as master-slave. It is similar as the Master-Slave Bicore Walker above, but it can reverse.
Parts list:
R1 - 5.1M Resistor
R2 - 4.3M Resistor
R3 - 47K Resistor
R4 - 1.5M Resistor
C1 - 0.22uF Monolithic Capacitor
C2 - 30uF Electrolytic Capacitor
U1 - 74AC240
Motors - Geared Motors |
 |
Master-Slave Bicore Walker - This is a circuit that can be used to control a walker. It uses two bicores coupled together to syncronize the movement of the legs. The top bicore is the master, that controls the front legs. The bottom bicore is the slvae that controls the rear legs.
Parts list:
R1 - 4.7M Resistor
R2 - 3.3M Resistor
C1 - 0.22uF Monolithic Capacitor
U1 - 74AC240
Motors - Geared Motors |
 |
Microcore - This is a very easy to understand circuit and it can generate complex behaviours in walkers. Here it is shown as an hexcore, with all the inverters being used and linked as a 6 Nv Net.
Parts list:
R1 - 1M Resistor
C1 - 0.22uF Monolithic Capacitor
U1 - 74***14
If you want to know more about Nv Nets, check the BEAM Robotics Tek FAQ on Nv Nets
If you want a tutorial on how to build a walker using this circuit, check the Andrew Miller Microcore Site |
 |
Phototropic Bicore - This circuit can be used to control light-seeking heads.
Parts list:
D1 - Photodiodes
C1 - 0.22uF Monolithic Capacitors
U1 - 74***240 |
 |
Reverser - This circuit reverses signals when the tact sensors are activated. It can be used to make robots backup.
Parts list:
R1 - 1.5M Resistor
R2 - 47K Resistor
C1 - Reverse timing capacitor. If this capacitor is big, the circuit will reverse for a long time. If it is big, it will reverse for a short time. I recomend to use a capacitor between 30uF and 50uF.
U1 - 74AC240 |
|