|
|
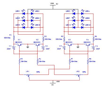
BEAM Schematics
 |
Christmas Lights Circuit Parts:
12x Led's Red (Any Color If You Want)
4x 2N2222A transistor's (Or Equivelent)
4x .22uf Capacitors
4x 33k ohm resistors
4x 100 ohm resistors
2x Potentiometers VR1 and VR2 (what value i don't know) |
 |
Christmas Lights Version 2 Parts:
4x Led's Red (Any Color If You Want)
2x .22uf Capacitors
2x 33k ohm resistors
2x 100 ohm resistors
2x 2N2222A transistors (Or Equivelent)
1x Potentiometer VR1 (what value again i don't know) |
 |
4017 Decade Counter/555 Timer Circuit Parts:
1x 555 Timer Chip
1x 4017 Decade Counter Chip
10x Led's Red (Or Any Color)
1x 47k ohm resistor
1x 1uf capacitor
1x 120 ohm resistor
10x 2N3904 transistors (Or Equivelent) |
 |
Self Flashing Led Circuit Parts:
1x NPN General Purpose Switching transistor
1x PNP General Purpose Switching transistor
1x 80 turn 2" Toroid or larger
1x Super Bright Led
1x 330k ohm resistor
1x 120 ohm resistor
1x 500uf capacitor
1x 6.8uf capacitor
2x Switching Diodes (type i don't know) |
|