Site hosted by Angelfire.com: Build your free website today!

Pager Hardware
Reprogramming
& Paging Protocols


Paging System Descriptions and Protocols

Phrack Article on Paging - A good overview of the paging networks out there today

POCSAG signalling format description, the good ol' standard that runs 512, 1200 and 2400bps

IXO protocol (variously known as IXO, PET, and TAP) allows for alphanumeric messages to be transmitted.

Paging Decoding Hardware and Software

SemaSoft 1.15 - Decode POCSAG with your Sound Card

SemaSoft16 bit - Cripple ware, only decodes 512bps POCSAG.. pretty useless but here for history

POC32 - Decode POCSAG Protocol with Sound Card, this is a good ware.

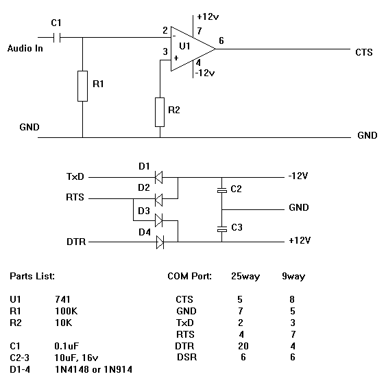
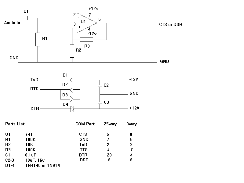
Simple Circuit. - Build this Data Slicer to pipe scanner Audio/Discriminator output into your Parallel port on a PC.

Data Slicer circuit to also pump recieved POCSAG data into your PC parallel port.

PD203 - very easy to use shareware. This version gives you 15 minutes to play. Use circuit above.

Discriminator_mod - read and learn why it is better to tap received POCSAG data from FM discriminator output instead of using straight audio from scanner.

Bravo pager. - plans to use existing Bravo pager Reciever board to receive POCSAG data

PE200 - MSDOS program to encode POCSAG, must have transmit capabilities.

Pager (Re)Programming

Motorola's - Official Universal Programming Adaptor (Schematic & Part's list)

Poor Man's UPA - Build your own Universal Programming Adaptor

Interface - diagram for interfacing the UPA to Motorola pagers

Motorola Programming - Software layout by pager model

Bravo Express self-test mode - test modes for the Bravo Express pager

Bravo self-test mode - test modes for the Bravo pager

Other Pager Programming software:

Many pagers require a password for programming.

Chart of frequencies, Providers, coverage,protocols, access numbers, and special cap codes.