Chapter 3   DC Power Supply Circuits.

3.1  Block Diagram of a Power Supply.
3.2  Protection Devices.
3.3  The Power Transformer.
3.4  The Semiconductor Diode.
3.4A The Vacuum Diode.
3.5  Rectifier Circuits.
3.6  Filtering the Rectifier's Output.
3.7  The Zener Diode Voltage Regulator.
3.8  Integrated Circuit Voltage Regulators.
3.9  Problems.
3.10 Answers to Problems.


Chapter 3.

DC Power Supply Circuits.

Most of today's electronic circuits operate from comparatively low DC voltages (5 to 15 volts). The Electric Utility supplies 120 volts AC. We have studied transformers and, therefore, we know that the 120 vAC line voltage could be stepped down to the range of 5 to 15 volts but it would still be AC. The internal circuits of any device you can think of from a stereo receiver to an oscilloscope will not operate on AC. These devices must have internal circuits which change the AC to DC. Such a circuit is called a "DC power supply" or more often just "power supply".

Back to Fun with Transistors.
Back to Fun with Tubes.
Back to Table of Contents.
Back to top.

3.1 Block Diagram of a Power Supply.

 Block diagram.

Figure 3.1 Block diagram of a power supply.

For a verbal description click here.

Figure 3.1 shows the block diagram of a modern low-voltage regulated DC power supply. Each block has a specific purpose and will be dealt with in individual sections of this chapter.

The power supply is connected to the 120 vAC power line by a plug. Many power supplies (those used in laboratory equipment) have a plug with a third wire which connects the metal chassis of the instrument to earth ground. The fuse and switch constitute the protection circuits. The fuse helps to protect the power supply against circuit component failures and mistaken connections. The switch permits the power supply to be turned on and off. The transformer steps the 120 volts of the AC line down to the value required by the devices being powered. The rectifier changes the AC from the transformer to pulsating DC. The filter reduces the magnitude of the pulsations and smoothes out the DC. The regulator reduces the pulsations to a very small value and also holds the output voltage constant regardless of the load current. The regulator also contains circuits which will shut down the power supply if the load current becomes too large or the temperature of the regulator becomes too high.

If the power supply is part of something else, such as an oscilloscope, an FM tuner, or an amplifier the output of the power supply is delivered to the internal circuits of the instrument and is not available to the operator. If the power supply is a laboratory bench power supply, its output is connected to binding posts on the supply's front panel for the purpose of powering experimental circuits. A laboratory bench power supply may also include a voltmeter and an ammeter to permit the operator to monitor the voltage and current which are supplied to the load.

Back to Fun with Transistors.
Back to Fun with Tubes.
Back to Table of Contents.
Back to top.

3.2 Protection Devices.

All power supplies require protection from overloads and internal circuit faults. The most obvious protection device is a fuse. The type of fuse most commonly used in electronics equipment is a fine metal wire contained in a small glass tube with a metal cap on each end for electrical connection. The wire is made of a metal alloy with a low melting temperature, such as solder (40% led and 60% tin). If excessive current flows through the fuse the thin metal wire will melt, opening the circuit and turning off the current. Fuses of the type described above are manufactured in current ratings from 1/200 ampere to 30 amperes.

Fuses are often placed in the primary circuit of the transformer. If a transformer develops an internal fault it can catch fire if the power is not shut off by an open fuse. There should always be a fuse in the primary of a power transformer. Many low-cost "wall transformers" do not have fuses in their primary circuits. These units present a constant fire hazard to any building in which they are used.

There are two types of fuses, fast-acting and time delay. Time delay fuses are often called slow-blow fuses. Power supplies which have very large filter capacitors and semiconductor rectifiers will draw a very large current for a very short time after being turned on. Have you ever noticed a flicker of the lights when you turn on a transistorized stereo receiver? You are seeing the effect of a large current pulse which is charging up the capacitors in the power supply. A fast-acting fuse would most likely blow out the moment the power switch was thrown. A slow-blow fuse is used in such a case. Slow-blow fuses are used only if there is a large current pulse at the time of turn-on.

When selecting the current rating of the fuse, measure the current drawn by the device under normal operation and multiply this figure by 2. A smaller fuse than this will tend to burn out when nothing is wrong.

Other protection devices are electro-mechanical circuit breakers. A circuit breaker may use a thermal sensor to detect the heating in a small wire or the current may be detected by allowing it to flow through a coil of wire and become an electromagnet. If the temperature of the wire gets too high or the electromagnet becomes too strong, the circuit breaker will "pop out" and the circuit will be opened. The advantage of a circuit breaker is that it can be reset instead of having to be replaced, as do fuses. The major disadvantage of circuit breakers is that they are more expensive, more complex, larger and heavier than fuses. As current gets smaller, the circuit breakers get larger and more complex. Circuit breakers are usually not used for currents below 1 ampere.

In a sense the on-off switch may be considered as a protection device. If the operator smells something burning, he can use the switch to turn the power off. In a few cases a circuit breaker may serve double duty as an on-off switch. Most circuit breakers are not designed for repeated on-off cycles and will quickly wear out if used as on-off switches.

Most instruments include a small light which glows when the power is on and goes out when the power switch is turned off or the fuse blows.

Back to Fun with Transistors.
Back to Fun with Tubes.
Back to Table of Contents.
Back to top.

3.3 The Power Transformer.

A power transformer may have a secondary winding with a center tap, as shown in Figure 3.2a, or more than one secondary winding, as shown in Figure 3.2b.

 Schematic diagram.

Figure 3.2 Two types of transformers.

For a verbal description click here.

For a detailed discussion of transformers refer back to Chapter 2 of this book.

If you look in a catalog listing power transformers you will not find "turns ratio" mentioned even once. The specifications of power transformers are written in terms of primary and secondary voltages and maximum secondary current. You may read the following specification, "Primary, 117 vAC 50 - 60 Hz. Secondary, 24 vCT @ 1 A." The translation of this is "The transformer will operate on 117 volts ±10% at a line frequency of 50 or 60 Hz. If you apply 117 volts to the primary the voltage across the entire secondary will be 24 volts if the secondary current is 1 ampere. The maximum current which can safely be drawn from the entire secondary is 1 ampere." If this current is exceeded the transformer is in danger of burning out due to over heating.

Example 3.1

A transformer has the following specification: "Primary, 117 vAC 60 Hz. Secondary, 32 vCT @ 1.5 A." If the primary is connected to a source of 120 vAC, what voltage is measured from one side of the secondary to its center-tap?

Solution:

The ratio of secondary to primary voltage is a constant. 32 / 117 = V / 120. V = 32.82 v. The voltage measured from one side of the secondary to the center-tap is 1/2 that of the whole secondary or 16.41 v.

Occasionally, transformer manufacturers specify center-tapped secondaries in a slightly different manner. The transformer would be specified as follows: "Primary, 117 vAC 60 Hz. Secondary, 25 - 0 - 25 vAC @ 500 milliamperes." This means there are 25 volts from each side of the secondary to the center-tap or 50 volts across the entire secondary. The current rating is given for a type of rectifier known as a full-wave center-tapped rectifier, the two halves of the secondary are effectively in parallel and the current is doubled. Transformers used with vacuum tubes are more likely to be specified in this way because they are most likely to be used with a full-wave center-tapped rectifier.

Electrical Isolation.

It is possible to design equipment which can cope with the full voltage of the AC power line, thus eliminating the need for a transformer. However, transformers serve another purpose as important as changing the voltage. That purpose is to provide isolation of the circuit from the power line.

The argument might be made that one side of the 120 vAC line is connected to earth ground and no isolation is necessary. If a wiring error caused the leads to be reversed, the chassis of the instrument would be at a potential of 120 v with respect to earth ground. Such a wiring error did occur at the university I recently retired from. No one was injured but there was some soiled armor. It could be most unhealthy for anyone who might be unlucky enough to complete the circuit to ground.

In addition to safety considerations there are other reasons for not wanting a piece of equipment to be connected to the power line ground. The chief reason is noise. Noise is any electrical voltage or current in a place where it is not wanted. Noise voltages and currents are the weeds of electronics. In addition to bringing us the electric power we need, the power line brings us a lot of noise. One of the most effective noise removers is a transformer. The noise on a power line often has the same phase on both wires and, therefore, will not produce a magnetic field in the primary winding of a transformer. This is called common mode noise and will be discussed in more detail in the section on differential amplifiers.

In laboratories, recording studios, and radio stations, many different pieces of equipment are connected to work together. If each piece of equipment has its own earth ground and is connected to another piece of equipment, a phenomenon known as "ground-loop noise" appears. There are two possible solutions to this problem. One is to connect each piece of equipment to earth ground and make sure there is no electrical ground connection between individual pieces of equipment. The other is to connect only one piece of equipment to earth ground and make sure that there is only one ground wire from that piece to each of the other pieces of equipment in the setup. The isolation provided by the power transformer is absolutely vital to this "single point" grounding system.

Back to Fun with Transistors.
Back to Fun with Tubes.
Back to Table of Contents.
Back to top.

3.4 Semiconductor Diodes.

Before we can discuss rectifier circuits it is necessary to understand the semiconductor diode. An ideal diode is a device which will conduct current in one direction only. When current flows in the forward direction, the resistance of the diode is zero, the voltage drop is zero. When current attempts to flow in the reverse direction it encounters an infinite resistance. Absolutely no current will flow and the voltage can build up to any value demanded by the circuit. As with all other ideal things, the ideal diode does not exist in the real world but real diodes come close enough to be most useful.

Unfortunately, there is insufficient space here to cover the physics of semiconductors in detail. Whole books 1 have been devoted to this topic and there is a course in this department entitled "Solid State Physics" which interested students should enroll in. Meanwhile, we can only scratch the surface. Emphasis will be placed on visualization of the physical processes which are taking place.

1   Semiconductor Devices and Applications
    by R. A. Greiner McGraw-Hill 1961

A Semiconductor Is a Semiconductor Is a Semiconductor.

A semiconductor is not a very good conductor nor is it a very good insulator. It is a semiconductor. Two examples of semiconductor material are silicon and germanium.

Silicon and germanium each have 4 valance electrons in an outer shell which has room for 8 electrons. These elements (and carbon as well) form very stable tetrahedral crystals with the shared valance electrons filling the outer electron shell of each atom. If every electron stayed in place within the crystal lattice the crystal would be a perfect insulator. The electrons do not stay home.

Graph.

Figure 3.3 Energy Diagram of a Semiconductor Material.

For a verbal description click here.

Figure 3.3 shows the possible energy levels for the electrons in a semiconductor crystal. When the electrons have a low energy level, they are in the valence energy band. Electrons which fall within this energy band will be bound to their particular valence bond. If an electron is given enough energy to jump over the forbidden energy band and enter the conduction band, it is set free from the valence bond and can move through the crystal.

The width of the forbidden band is called the band-gap energy. The band-gap energy for silicon at room temperature (300 degrees K) is 1.106 electron-volts (ev) and for germanium it is 0.67 ev. At room temperature there is enough thermal energy in the crystal lattice to promote some electrons to the conduction band.

Holes and Electrons.

Electrons which are in place in the lattice are in the valence energy band. Due to normal thermal agitation an electron can gain enough energy to move into the conduction band and leave its place in the lattice to become a conduction electron. An electron which has been promoted into the conduction energy band is free to move through the crystal under the influence of an electric field. But there is more to conduction in a semiconductor than conduction electrons.

When an electron leaves its place in the crystal lattice it leaves behind a hole in the lattice. Strange as it may seem, the hole does not stay in place but moves as if it were a positively charged particle. It has energy and even momentum. A hole can move by a nearby valence electron jumping from its place in the crystal lattice to the hole without entering the conduction energy band. After the electron has jumped, it leaves a hole where it used to be. Thus, the hole can move through the crystal lattice.

Thermal energy in the crystal lattice creates hole- electron pairs which move through the crystal. If there is an electric field present, the electrons will move toward the positively charged region and the holes will move toward the negatively charged region. If there is no electric field present, the holes and electrons will move randomly.

If you visualize a crystal of silicon warming up from absolute zero, hole-electron pairs will begin to form. This process cannot continue indefinitely or the crystal would come apart because all of its valence bonds would be broken. When holes and conduction electrons (electrons not held in a valance bond) become plentiful enough, electrons will begin to fall into holes they happen to run into. This process is called recombination and goes on at the same rate as hole- electron pair formation. The equilibrium between pair formation and recombination causes silicon and germanium crystals to be semiconductors at room temperature.

In pure semiconductor material the concentration of holes is the same as the concentration of electrons in the conduction band. (The total number of electrons cannot change, what we mean when we talk about changing the concentration of electrons, is the number of electrons which are free for conduction.) In pure silicon or germanium

Ne = Nh = KS T(3/2)           (3.1)

where Nh is the concentration of holes, Ne is the concentration of electrons in the conduction band, KS is a constant which must be determined experimentally and T is the Kelvin temperature. The value of KS is 4.74 x 1022 for silicon and 1.76 x 1022 for germanium. Ne and Nh have units of 1/m2.

We may now define the intrinsic charge carrier concentration ni as

Ni = KS T(3/2)           (3.2)

Equations 3.1 and 3.2 say that the charge carrier concentration is quite temperature dependent. Equation 3.2 defines the pure semiconductor or intrinsic charge carrier concentration.

Changing the Relative Concentration of Holes and Electrons.

Now suppose that we deliberately add some impurities to a crystal of pure semiconductor such as silicon. We are not going to just throw in some dirt from the floor; we will carefully control what goes in and how much.

If we add an element from group 5 in the periodic table the effect on a semiconductor is striking. The elements from group 5 have five electrons in the outer shell. Wherever one of these atoms appears in the crystal lattice, four of its outer electrons go into valence bonds and the fifth one becomes very loosely bound to its atom. A very small amount of energy (about 0.05 ev) is needed to promote this electron into the conduction band. Such an impurity is called a donor impurity because each atom donates an electron to the conduction energy band.

If we go back to pure silicon and add an element from group 3 in the periodic table the effect on a semiconductor is opposite to that for an element from group 5. The elements from group 3 have three electrons in the outer shell. Wherever one of these atoms appears in the crystal lattice, there are only three electrons in the outer shell to go into valence bonds. The unfilled valence bond is a hole. Once a wandering electron has fallen into this hole, a comparatively large amount of energy is required to promote that particular electron back into the conduction energy band. That electron and its three companions will remain in place and a hole will have been set free to wander through the crystal lattice. Such an impurity is called an acceptor impurity because each atom accepts an electron from the conduction energy band and causes a conduction hole to be created.

When a donor impurity loses its loosely-bound electron or an acceptor impurity captures a wandering electron (loses its loosely-bound hole), the impurity atom is said to be ionized. Ionization in a solid means the same thing it means in a liquid or gas, the loss of, or gain of an extra electron. When an impurity is added to a semiconductor, most of the impurity atoms are ionized most of the time, statistically speaking.

Because the impurity atoms are virtually 100 percent ionized, for every atom of donor impurity there is an additional electron in the conduction band. For every acceptor atom added, there is an additional conduction hole in the crystal. The meaning in this discussion is that donor impurity is added to one piece of semiconductor and acceptor impurity is added to another piece of semiconductor.

Recombinations occur when wandering holes and wandering electrons happen to collide. The probability of collisions goes up as the concentration of either holes or electrons goes up. When, for example, a donor impurity is added to a semiconductor, the increased concentration of electrons causes more frequent collisions and a higher rate of recombination. The recombination rate falls again when the hole concentration has been reduced to the point where a new equilibrium has been established. The end result is to decrease the concentration of holes in the crystal. It can be shown mathematically, in about ten pages, note 1, that

Ne Nh = ni2           (3.3)

where Nh is the concentration of holes, Ne is the concentration of electrons and ni is as defined in equation 3.2. Because the impurity atoms are completely ionized, the concentration of electrons is equal to the concentration of donor atoms Ne = Nd and for acceptor impurity Nh = Na where Nd and Na are the concentrations of donor and acceptor impurity atoms respectively. Thus it is possible to write for a semiconductor which has been "doped" with a donor impurity

Ne = Nd     and     Nh = ni2 / Nd           (3.4)

and for a semiconductor "doped" with an acceptor impurity

Nh = Na     and     Ne = ni2 / Na           (3.5)

Some Terms to Be Remembered.

As you may have guessed the process of adding impurity atoms to a semiconductor crystal is called doping. A semiconductor which has been doped with a donor impurity has many more negative charge carriers than positive charge carriers. This is known as N (negative) type semiconductor. A semiconductor which has been doped with an acceptor impurity has many more positive charge carriers than negative charge carriers. This is known as P (positive) type semiconductor.

There are two types of charge carriers, holes and electrons. A majority carrier is the type of carrier which there are more of in a particular type (P or N) of semiconductor. A minority carrier is the type of carrier which there are fewer of in a particular type (P or N) of semiconductor.

Example 3.2

Identify each of the following as majority or minority carriers: (a) electrons in N type semiconductor, (b) holes in P type semiconductor, (c) electrons in P type semiconductor and (d) holes in N type semiconductor.

Solution:

The majority carriers have the same charge polarity as the type of semiconductor in which they are found. The one which is left is the minority carrier. Thus, (a) majority, (b) majority, (c) minority and (d) minority.

The P-N Junction

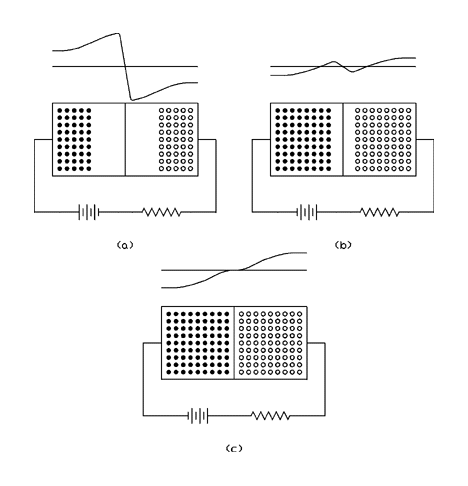
Figure 3.4a shows a schematic representation of two blocks of semiconductor material. The block on the left is N type and the dots represent conduction electrons. The block on the right is P type and the circles represent the conduction holes. The concentration of minority carriers is so small as to be negligible at room temperature. In Figure 3.4b the two blocks of semiconductor material have been placed in physical contact. * As soon as contact has been established, the normal wanderings of charge carriers due to thermal agitation will cause some charge carriers to cross the junction. As soon as a carrier crosses the junction it

 Drawing and graph.

Figure 3.4 "Making" a P-N Junction Diode

For a verbal description click here.

becomes a minority carrier. The probability of colliding with a carrier of opposite sign is very high and the wanderer will soon disappear by recombination with a carrier of opposite sign. There is a net movement of charge across the junction with electrons moving to the right and holes moving to the left. The departed electrons on the left leave behind the ionized donor impurity atoms which have a positive charge. The departed holes on the right leave behind the ionized acceptor impurity atoms which have a negative charge. That places an electric field across the junction, which is positive on the left and negative on the right. This electric field eventually builds up to such a value as to prevent any more electrons from moving to the right or holes from moving to the left across the junction. The graph in Figure 3.4b indicates the electric potential within the block of semiconductor material. The electric potential comes to zero at each end of the block; if it did not, we would have a cheap source of electricity.

*   This is not how P-N junction diodes are manufactured.
    In fact, this could not even be done in the laboratory.
    This is merely a thought experiment which illustrates
    how the depletion region and contact potentials are
    formed in a P-N junction.

The region near the junction becomes depleted of charge carriers in the conduction band. As stated above, there are ions in the depletion region but these ions are held in the crystal lattice and are not in the conduction energy band. The depletion region constitutes an insulator and the regions on either side of the depletion region which are not depleted of charge are conducting regions. This concept is very important. Failure to understand the depletion region will result in failure to understand how P-N junctions conduct in only one direction.

Animation, which is not possible in a paper book could not be done in any medium when I was teaching this subject. We have sure come a long way baby.

 Animation.

Figure 3.4c Animation showing Figure 3.4a and 3.4b in action.

For a verbal description click here.

When the two pieces of semiconductor touch, the electrons from the N side and the holes from the P side start to randomly wander across the junction. The animation shows holes and electrons making a beeline toward their opposite number on the other side. Randomness is much harder to do in animation so the much easier straight line path was taken. It cannot be over emphasized that when electrons and holes meet and mutually annihilate, nothing is being destroyed. The electrons remain in existence but their energy level has been reduced so they are no longer in the conduction energy band. The electron filled a hole so it no longer exists but it was never their in the first place.

 Schematic diagram.

Figure 3.5 Reversed and Forward Biased P-N Junction

For a verbal description click here.

Figure 3.5a shows a P-N junction with an external battery connected in such a polarity as to increase the potential across the junction. The effect of this is to increase the width of the depletion region and increase the potential across the junction. Notice that the positive terminal of the battery is connected to the N type semiconductor and the negative terminal of the battery is connected to the P type semiconductor. This condition is known as reverse bias. Under normal conditions no appreciable current will flow through a reversed biased P-N junction. It is true that minority carriers on the left (holes) are moving to the right across the junction and minority carriers on the right (electrons) are moving to the left across the junction. In modern P-N junction diodes this minority carrier current is so small that an electrometer is required to measure it.

 Animation of figure 3.5a

Figure 3.5d Figure 3.5a in action.

For a verbal description click here.

In the animation it appears that the electrons on the left and the holes on the right are being absorbed by the end lines. On the left the electrons are being absorbed into the copper wire that makes contact with the semiconductor and sucked into the positive terminal of the battery. On the right there are electrons coming from the negative terminal of the battery and fed into the semiconductor. At the point of contact between the semiconductor and copper, electrons are combining with holes. The current will flow only when the voltage is changing. This is like a capacitance and is called the "charge storage capacitance", or "charge storage effect", of the diode.

The depletion region constitutes an insulator and the regions where there are charge carriers in the conduction energy band are conductors. This forms a capacitor. As the voltage changes the width of the depletion region changes, changing the amount of capacitance. Any P-N junction will show varying amounts of capacitance as the reverse voltage is changed. In rectifiers and small switching diodes this is only a few picofarads. Special diodes are available that have enhanced capacitance and are known as variable capacitance diodes or varicaps for short.

Figure 3.5b shows a P-N junction which is slightly forward biased. The first few tenths of a volt only serve to reduce the potential gradient across the junction and no conduction results. In Figure 3.5c the forward bias has been increased to the point where the contact potential has been overcome. The width of the depletion region has been reduced to zero, and current now flows in the forward direction. Notice that the positive terminal of the battery is connected to the P type semiconductor and the negative terminal of the battery is connected to the N type semiconductor. This condition is known as forward bias.

 Forward biased animation.

Figure 3.5e Figures 3.5b and c in action.

For a verbal description click here.

A forward biased P-N junction will conduct large amounts of current at a voltage drop of less than one volt. As the current is increased in the forward direction, the voltage increases logarithmically as shown in Figure 3.6.

 Graph of voltage versus current.

Figure 3.6 Voltage Versus Current Curve of a P-N Junction

For a verbal description click here.

The reverse bias on a P-N junction cannot build up to infinity. As the reverse bias voltage is increased, the electric field across the junction becomes so great as to rip electrons out of their valence bonds. The electric field imparts enough energy to valence electrons to promote them to the conduction energy band. The result is that we have a new source of conduction electrons. The newly freed electrons are accelerated to a high velocity and when they collide with other valence electrons, these valence electrons are also promoted to the conduction energy band. The current rises to a very large value and the voltage cannot rise any further. This condition is called avalanche breakdown but is sometimes mistakenly called Zener breakdown. Zener breakdown will be covered in a later section. Avalanche breakdown places a practical limit on how much voltage a P-N junction diode can withstand in the reverse biased direction.

A Derivation.

Get in touch with your inner physicist.

In the discussion above it was said that electrons from the N side of the junction will move towards the P side of the junction. We will call this current INN(0). The first subscript gives the polarity of the charge carrier and the second gives the type of semiconductor where the charge carrier originated. The "(0)" means with zero external bias applied. It can be shown that (note 1)

INN = INN(0) e-(eVd/kT)           (3.6)

and

IPP = IPP(0) e-(eVd/kT)           (3.7)

Under zero bias conditions there can be no net flow of holes or electrons across the junction; therefore,

INN = INP     and     IPP = IPN

That is to say there is an equilibrium of charge carriers so that the number of minority electrons crossing from P to N is equal to the number of majority electrons crossing from N to P. The same goes for holes. This means that

INP(0) = INN(0) e-(eVd/kT)           (3.8)

And

IPN(0) = IPP(0) e-(eVd/kT)           (3.9)

The "e" in the exponent is the charge on the electron, Vd is the diffusion voltage, k is Boltzmann's constant and T is the Kelvin temperature. If an external bias Vj is applied, these equations become

INN = INN(0) e-e(Vd-Vj)/kT           (3.10)

And

IPP = IPP(0) e-e(Vd-Vj)/kT           (3.11)

With an external bias applied the total junction current is

IJ = holes from P to N + electrons from N to P

IJ = (INN + IPP) e-e(Vd-Vj)/kT - IPN(0) - INP(0)           (3.12)

Combining this equation with equations 3.8 and 3.9 we have

IJ = ( INP(0) + IPN(0) ) (eeVj/kT - 1)           (3.13)

If we let IO = INP(0) + IPN(0) we have

IJ = IO (eeVj/kT - 1)           (3.14)

This is the "diode equation" and its derivation is obligatory in any discussion of semiconductor diodes.

For negative values of Vj (reverse bias) the limiting case is IJ = IO. IO is correctly called the reverse saturation current but is often called the reverse leakage current. For modern silicon P-N junction diodes the value of IO is of the order of 10-12 amperes.

For positive values of Vj the current will rise exponentially. Diodes are never used in circuits where the circuit determines the voltage. Diodes are used in circuits where the circuit sets the current and the diode itself is allowed to set its own voltage drop. With current as the independent variable the voltage rises logarithmically and will easily stay within realistic bounds.

Back to Fun with Transistors.
Back to Fun with Tubes.
Back to Table of Contents.
Back to top.

3.4A Vacuum Diodes.

A Minute Amount of History.

Cold Cathodes.

The very first diodes were made by Crookes. They were glass tubes with a metal electrode in each end and a place to connect a vacuum pump. Crookes didn't remove all the air from the tube. He found that an electric arc could be maintained over a much greater distance if the pressure was reduced to somewhere in the range between 1/10 to 1/100 of atmospheric pressure. He was using voltages of thousands of volts. The only thing distinguishing the anode from the cathode was which was connected to the positive of the voltage source and which to the negative.

Roentgen became curious about what would happen if the pressure was pumped down to as low as possible. He found that the arc stopped, leaving a faint greenish-blue glow. Measurements revealed that some current was flowing through the tube. The florescent material used to make watch dials glow in the dark was known in Roentgen's time and he had some in his laboratory. He happened to notice that this material glowed more brightly when the tube was in operation. He moved it closer to the tube and found that it glowed even brighter. Evidently the sample was in the form of a flat plate. Most likely it was coated on a glass plate like those used for photography in that time. When he interposed his hand between the florescent plate and the tube he probably got the shock, non electrical, of his life. He could see the outlines of the bones in his hand as shadows on the plate. That was the discovery of x-rays.

What was happening was that the strong electric field was pulling electrons out of the metal of the cathode, negative electrode, and they were being accelerated to a very high velocity and then impacting the anode. The incoming electrons had so much energy that they knocked other electrons out of the inner shells in the atoms of the anode metal. These electrons were replaced by electrons from the outer shells falling down to replace them. These large energy transitions caused the atoms to emit electro magnetic radiation of a very short wavelength, namely x-rays.

Hot Cathodes.

About this time Edison found that in a light bulb with two filaments, current would flow if the cold one was made positive with respect to the hot one but not if the polarity was reversed. He saw no use for this effect but noted it as curious.

It didn't take long for Roentgen and friends to put this discovery to use. They surmised correctly that a heated filament could emit electrons better than a cold piece of metal and the hot cathode was born.

Bulbs or Tubes?

All of this was taking place before 1900. You couldn't run down to your local Radio Shack and pick up a tube. If you wanted to experiment you had to make your own. The long slender tubes that were used by chemists were readily available but they couldn't resist pressure differences as well as a sphere. When it comes to blowing a glass bulb, a sphere was easier to form than a thin tube. That's why in those old pictures the devices are usually spherical bulbs rather than tubes. In fact writings from the early years of the 20th century in the united states refer to, what we would call a tube, as a bulb.

The Fleming Valve.

In England Fleming found that a device much like an x-ray tube, only much smaller, could be used to detect radio waves. He visualized it as working like a water valve but for electrons. It was called "The Fleming Valve" and to this day British techies and tinkerers call them electronic valves.

So What's a Diode?

The name diode comes from the Greek for two. Diodes have two elements, a cathode and an anode. The simplest diodes, and in fact the earliest ones, have a cathode which consists of a filament that can be heated to red or even orange hot by passing an electric current through it. The anode is a flat metal plate, often called the plate.

Thermeonic Emission.

Before we can understand thermeonic emission of electrons from a metal surface we need to understand how electrons behave inside a metal. Before we can understand how electrons behave inside a metal we must understand how electrons behave inside a nonmetallic solid. So here we go.

The atomic model proposed by Niels Bore is now considered hopelessly out of date. It is ridiculed by modern physicists but it is still a useful tool in understanding atoms for those who aren't going to get a PhD in the subject. The nucleus of the atom is positively charged and the negatively charged electrons spin around it a bit like the planets around the sun. It's a case of forces in balance like the solar system. The inner electrons are held very tightly and it takes a lot of energy to pull them out of orbit. The outer most are more loosely held and it doesn't take a lot of energy to pull them away from the nucleus.

At this point our solar system model starts to fall apart because an atom has things called shells. There is a maximum number of electrons that can exist in one shell. The innermost shell can hold up to 2 electrons, the second 8, the third 8, the fourth 18, the fifth 18 and the sixth 32. If the outermost shell is completely filled the atom is very unreactive, a kind of loner. These are the inert gases which refuse to form any sort of bonds with any other element. Carbon has its outer shell, which will hold 8 electrons, half filled. When several atoms of carbon get together they form very stable bonds with each other by sharing their outer electrons to make each atom feel as if its outer shell is completely filled. This is how diamonds are formed.

Many compounds are formed by sharing electrons in a partially filled outer shell. These are called covalent compounds. The bonds that hold the molecules together are known as covalent bonds. Some other compounds are formed by one, or sometimes two, electrons jumping from an atom of one element to an atom of another element. For example common table salt, sodium chloride, is formed when atoms of sodium give up the loan electron in their outer shells to an atom of chlorine which needs only one electron to fill its outer shell. The resulting positive and negative ions have a strong attraction for each other. These are known as ionic compounds.

If you could have a single atom of any element in isolation you would find that it takes a certain amount of energy to remove one electron from its outer shell. This energy varies considerably from element to element. Some need very large amounts of energy and others need much less. It always takes some energy to take an electron away from an atom in isolation.

When atoms of the same kind are clustered together, as is always the case, things change. In elements classed as metals the amount of energy required to remove an electron from its atom is zero. That's because the atoms are so close together that the electrons in the outer shells don't know to which atoms they belong. They all just wander around in there, moving randomly. If an electric field is applied externally the electrons will move in the direction the field wants them to and we now have an electric current in the metal. When there is no external field the movement is completely random.

All of these randomly moving electrons don't have the same velocity. There is a statistical value which depends on the temperature but some are faster, some are slower, and a very few are very fast. If one of these high speed electrons comes to the surface of the metal it can pass through the surface and leave the metal behind. If this happens many times the metal will develop a positive charge and subsequent would-be escapees will be attracted back to the surface.

When electrons escape from the surface of a metal it is called electron emission. If we set up a source of EMF and arrange things so the escaped electrons will be collected and the positive charge on the emitting metal is neutralized by the continuous replacement of electrons the process of electron emission will continue until the EMF source is removed. If the emitting metal is at room temperature the process is called cold emission. A very strong electric field is required to produce any significant current from cold emission. That means a high voltage applied between electrodes that are close together.

The piece of metal that is connected to the negative of the EMF and emits the electrons is called the cathode. The one that is connected to the positive and collects the electrons is called the anode. I am told that these names come from the Greek words for up and down but I couldn't begin to tell you which is which. It's all Greek to me.

Edison used to make experimental light bulbs with more than one filament to save work for his glass blowers. As related briefly above he found that conventional current would flow from a cold filament to a hot one but not the other way. This became known as the Edison effect. I don't think the existence of electrons had been recognized at this time. Conventional current flows opposite to electron current. This may well have been one of those serendipitous discoveries that seemed to occur often in early science.

As the temperature of the cathode is increased the electrons get to moving much faster than at room temperature. The likelihood of one having enough velocity to escape from the surface is tremendously increased. Hot emission does not require a strong electric field and will occur even in the absence of one. That can't go on very long because of the positive charge that develops on the cathode but it will build up a considerable space charge in an evacuated chamber. A space charge is a volume that has a lot of electrons floating around in it.

The carbonized filament that Edison used was not a very good emitter of electrons. The later tungsten filaments weren't either. Very early tubes used tungsten because that was all that was known. They glowed as bright as light bulbs. It was soon found that if a little thorium was alloyed with the tungsten the filament didn't need to run as hot and would still emit more electrons per square millimeter of filament surface. These are used to this day in transmitting tubes. They glow about the same color as the upper part of a candle flame.

The most efficient emitter is an oxide coated cathode. The discovery of this process made possible the heater-cathode type of tube. The electrical cathode is a small cylinder with the heater inside and electrically insulated from it. The heater is actually a filament but it is not the electrical cathode of the tube. Providing electrical insulation and thermal conductivity at the same time is not an easy thing to do. (The same battle is still being fought to provide cooling for transistors and microprocessors.) The end result is that the heater must be hotter than the cathode. If the cathode were thoriated, the heater would have to run so hot that it would not last long. In a heater-cathode tube the heater runs about the same temperature as a thoriated tungsten filament. The cathode runs a dull red but you can't see it in most tubes. The 6AS7G/6080WA has a gap in the plate and the grid wires can be seen. The cathode is visible between the grid wires and you need a fairly dark room to see its glow. Electrically separating the cathode from the heater had the effect of making circuits mor simple and meant that AC could be used to heat the tubes without inducing much hum in the signal path.

The hot cathode emits electrons in droves. Many more than are needed. They build up in the volume around the cathode and form a large pool of electrons just waiting for something positive to happen. This pool of electrons is called the space charge. When the anode (plate) is made positive some of the electrons are attracted to it. They impact on it, are absorbed into the metal and electrons flow out of the plate connection into the battery or what ever provided the positive voltage. The other end of the voltage source must be connected back to the cathode in some way.

If the polarity is reversed which makes the plate negative with respect to the cathode the electrons in the space charge are repelled away from the plate and no conduction takes place. The plate is cold and is made of a metal that is a very poor emitter of electrons. The voltages are not nearly as high as those used by Crooks so there is no cold emission from the plate. This makes the diode conduct current in only one direction.

Rectification.

Diodes can only do two basic things. These are 1) generate x-rays, and 2) rectify. Not many of us are interested in generating x-rays so let's talk about rectification.

The Space Charge.

The cathode of a tube is coated with a very special oxide that emits electrons very easily. It can readily be damaged by operating above or below the proper temperature or by being "poisoned" by the residual air in the tube. The space charge serves another vital function. There is no such thing as a perfect vacuum. In fact the space in near earth orbit is a better vacuum than can be made on the surface of earth. Farther out in space the vacuum is even better. What this means is there are lots of air molecules running around inside of a vacuum tube. The space charge protects the cathode from these air molecules. Some of these molecules lose an electron and become positive ions. They are attracted to the negative cathode and if it weren't for the space charge they would impact on the surface of the cathode doing considerable damage. Over time the ability of the cathode to emit electrons would be seriously impaired rendering the tube useless. As these ions run through the space charge they gain electrons from the many collisions and become negative ions. Their direction is reversed turning them away from the delicate cathode.

Indirectly heated cathodes.

Most vacuum tubes have a basically cylindrical configuration. Figure two shows how a filament (directly heated) cathode type diode differs from a heater (indirectly heated) cathode type diode.

 Schematic diagram.

Figure 3A.1 Construction of vacuum diodes.

For a verbal description click here.

In the filament type diode the cathode is usually a single wire running down the center of the cylindrical plate. In the heater type diode the filament is called the heater because that is its function. It is surrounded by a material which is an electrical insulator and a thermal conductor. The best known material having those properties is mica although aluminum oxide is most often used between heater and cathode. Outside of the electrical insulator is the cathode which is a cylinder with the special coating on the outside. The reason for having both types of tubes will be explained below.

Rectification.

The most important use of diodes is as a power rectifier. Rectification is the name given to the process of changing AC to DC. The process of detecting a radio signal also involves rectification. However, this process is more often called detection. The term rectification is reserved for power supply usage. Diodes are occasionally used for clamping, preventing a voltage from going above or below a given value, or clipping, preventing an audio signal from exceeding some preset level by knocking off the peaks. But by far the most common use of diodes is as rectifiers. The property of a diode that makes all this possible is its unidirectional conditivity.

 Schematic diagram.

Figure 3A.2 Forward and reverse connection of a vacuum diode.

For a verbal description click here.

Figure 3A.3 shows a directly heated cathode, filament, diode connected as a rectifier. As you can see from the wave forms this does not give the steady DC you are used to thinking of. For details about rectification and filtering see other sections of Chapter 3 of this book..

 Schematic diagram.

Figure 3A.3 Filament type diode used as a rectifier.

For a verbal description click here.

The entire filament and its supply winding are at a potential of several hundred, or even several thousand, volts above ground. The typical filament supply voltage is 5 volts so the difference has little effect on the operation of the diode. When I was a novice I used to wonder why all that voltage didn't burn out the 5 volt filament. What matters to the filament is the voltage from one end of it to the other end. If one end of the filament is at 350 volts and the other end is at 355 volts the only voltage to effect the filament is the difference of 5 volts. Consider this point carefully. It's VERY important that you understand it. If you don't understand, stop and think about it. Don't go on until you do. If you need to, email a question to me. I am the teacher in this class and answering questions is what I'm here for.

The disadvantage of a filament type rectifier, as compared to an indirectly heated cathode type, is that it requires a separate winding on the transformer or in big transmitters a separate transformer for the filament. The advantage is that the maximum voltage is limited only by the plate to filament insulation within the tube and the insulation in the filament transformer.

 Schematic diagram.

Figure 3A.4 Heater type diode used as a rectifier.

For a verbal description click here.

Figure 3A.4 shows an indirectly heated cathode type diode being used as a rectifier. Its heater can, and usually does, operate from the same voltage supply as the rest of the tubes in the device. Note that the heater winding is shown grounded. Also note that there is only one heater winding instead of two as in Figure 3. The insulation between the heater and cathode must withstand the full output voltage of the power supply. The best tube manufacturers were able to do was about 500 volts. Filament type diodes can be used to rectify thousands of volts.

Detection

The tubes used as power supply rectifiers are not the ones you would use for detection of radio waves. In the crystal set described else where on this site you could replace the crystal diode with a small tube such as a 6AL5 or 6H6. These tubes used as detectors may be referred to as thermeonic diodes, Fleming valves, or detector tubes. But whatever they are called they work just the same.

How I got hooked.

My lifelong addiction began, not with the building of a crystal set, but upon seeing an animated film on early TV showing how vacuum tubes worked. In my continuing attempts to pass on my addiction here is an animated picture showing the electrons in a diode serving as a rectifier. The voltmeter on the left is measuring the instantaneous voltage of the AC input to the rectifier. The voltmeter on the right shows the pulsating DC across the load resistor. You can see the electrons in the tube being attracted to the plate when it is positive and being repelled back to the filament when the plate is negative.

 Schematic diagram.

Figure 3A.5 animation of a rectifier in action.

For a verbal description click here.

Linearity.

Just as semiconductor diodes are non linear, the same is true of vacuum diodes. I'll spare you the derivation of the equation. Those who are interested are referred to the electrical engineering books used by their forbearers. The equation for the current in a vacuum diode is,

I = 2.335 x 10-6 A V3/2 / d2           (3A.1)

Where V is the voltage between cathode and plate, A is the cathode area, and d is the distance between plate and cathode. The area term is why high current rectifier tubes such as the 5U4 are bigger than RF detector diodes such as the 6AL5.

When a vacuum diode is used as a detector, where linearity is necessary, the current is set to a small enough value so the V term will not become significant compared to the input AC voltage. Below is a plot of this equation were A = 0.001 square meters and d = 0.00125 meters.

 Graph.

Figure 3A.6 I-V Curve of a Fictitious Power Rectifier Tube.

For a verbal description click here.

The values were estimated from a 5U4 and based on tube manual data I think I am in the general ballpark but don't use this curve to predict the behavior of a real 5U4 in a real circuit.

In power supply circuits the nonlinearity doesn't make a bit of difference. The only goal is to allow current to flow in one direction and a bit of nonlinearity doesn't matter.

Back to Fun with Transistors.
Back to Fun with Tubes.
Back to Table of Contents.
Back to top.

3.5 Rectifier Circuits.

A diode, whether vacuum or semiconductor, conducts current in only one direction. At typical current values the forward voltage drop of a semiconductor diode is 0.7 to 1 volt while the drop across a vacuum diode is typically 25 to 150 volts.

This large disparity in forward voltage drop means that a power supply must be designed to use either tube or semiconductor diodes and you can't change later. There are still some of those so called "solid state tube replacements" floating around. DON'T USE THEM! Installing them in existing equipment can result in 100 volts or more of additional B+ and you can do serious damage to what ever you put them in. I have nothing against the use of semiconductor diodes as long as the circuit has been designed for them.

It is the function of a rectifier to change AC to DC. In single phase circuits the rectifier changes the AC to a pulsating DC and some additional circuits are needed to change the pulsating DC to a smooth DC. In this section we will look at a few rectifier circuits.

The schematic symbol for a P-N junction diode is a triangle with a line across its point as shown in Figure 3.7. The triangle is the P side and the line is the N side of the junction. The P side is called the anode and the N side is called the cathode. Conventional current will flow in at the anode and out at the cathode. Current will flow in the direction of the arrow. Current will not flow from cathode to anode. Electron current flows in the opposite direction as conventional current. When current is flowing in the forward direction, the anode is more positive than the cathode by about 0.7 volts. If the cathode is positive with respect to the anode, no measurable current will flow and the voltage can have any value up to the rated maximum PIV (peak inverse voltage) or PRV (peak reverse voltage) of the diode. Typical silicon diodes have PIV ratings in the range of 50 to 1000 volts. Vacuum diodes of the type found in consumer equipment may have PIV ratings from 350 to 1500 volts. Rectifier tubes designed for use in high power transmitters may have PIV ratings in the thousands of volts and maximum currents in Amps.

These drawings are being used because they already exist. When vacuum rectifiers are used the circuits aren't any different. Just substitute a vacuum diode for the semiconductor diode shown and provide power for the filament or heater.

 Schematic diagram.

Figure 3.7 Half-wave Rectifier.

For a verbal description click here.

The circuit of a half-wave rectifier is shown in Figure 3.7 above, along with its output waveform. When the top end of the transformer secondary is positive with respect to the bottom end, current will flow from the anode to the cathode of the diode. The forward drop across the diode is small compared to the voltage of the transformer and almost all of the voltage appears across the load resistor. The positive half-cycle appears across the load. When the top end of the transformer secondary is negative with respect to the bottom end, current will not flow through the series combination of the diode and load resistor. If there is no current through the load resistor, there can be no voltage drop across it. The voltage of the transformer secondary is dropped across the diode and does not appear across the load resistor. Thus we have only half of each cycle appearing across the load. This should be called half-cycle rectification but it was named in the early years of electricity (prior to 1920) when people were not as careful with their terminology as we are today. The process which is going on in Figure 3.7 is called half-wave rectification and the circuit is called a half-wave rectifier.

 Schematic diagram.

Figure 3.8 Full-wave Center-tapped Rectifier.

For a verbal description click here.

Figure 3.8, above, shows the circuit and output waveform of a full-wave rectifier. You will note that the pulsations occur twice as often in Figure 3.8 as they do in Figure 3.7. A higher rate of pulsations is easier to smooth out. It is for this reason that a half-wave rectifier is very rarely used. Figure 3.8 is called a full-wave center-tapped rectifier circuit. A transformer with a center-tapped secondary is required to construct this circuit. The two diodes and the two halves of the transformer work alternately. They can handle twice as much current as either one working alone.

On the first half-cycle when the top end of the secondary is positive with respect to the center-tap the bottom end is negative with respect to the center-tap. (Note that the load is returned to the center-tap, not to the bottom of the secondary.) Diode D1 is forward biased and D2 is reversed biased. D1 conducts current which flows through the load and back to the center-tap. The first half-cycle appears across the load with the top end of the load resistor positive. On the second half-cycle the top of the secondary is negative with respect to the center-tap and the bottom is positive with respect to the center-tap. Diode D1 is reversed biased and D2 is forward biased. D1 does not conduct but D2 does. Remember that the bottom end of the transformer secondary is now positive and when D2 conducts, current flows downward through the load resistor, making its top end positive. Current flows through the load on both halves of the input sine wave and both halves appear positive across the load. This process is called full-wave rectification and the circuit is called a full-wave center-tapped rectifier.

The peak output voltage VP of this rectifier is

VP = 1.4 x (VRMS / 2) - Rect Drop.             (3.17)

where VRMS is the voltage of the entire transformer secondary. Try to understand rather than just memorize. Each half of the transformer winding works alternately so at any given instant only half of the winding is in use. The output voltage is that of only half of the secondary. The factor Rect Drop is the diode drop. The two diodes work alternately and not at the same time. Therefore only one diode drop is subtracted.

 Schematic diagram.

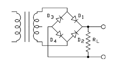
Figure 3.9 Full-wave Bridge Rectifier.

For a verbal description click here.

Figure 3.9, above, shows a bridge rectifier circuit. Its output wave looks the same as for Figure 3.8. Because the bridge rectifier uses the whole transformer secondary all of the time, it will deliver twice the voltage at half the current as a full-wave center-tapped rectifier circuit.

When the AC voltage goes positive on the first half-cycle, current flows through D1, down through the load and back to the junction of D3 and D4. The current will not flow through D3. That would be equivalent to a river flowing up a hill. The current flows through D4 to a point of lower electrical potential. On the second half-cycle, current flows through D2, down through the load and back to the junction of D3 and D4. The current will flow through D3 back to the transformer secondary. Regardless of the direction of current in the transformer secondary winding the current always flows downward in the load resistor. The peak output voltage of this rectifier is given by.

VP = 1.4 x VRMS - 2 (Rect Drop)                 (3.18)

where VRMS is the voltage of the entire transformer secondary winding. Try to understand rather than just memorize. The bridge rectifier connects across the entire transformer secondary winding. Each time the current path is traced, it goes through two diodes in series. For this reason you must subtract two diode drops from the output voltage.

 Schematic diagram.

Figure 3.10. Two different voltage doubler circuits.

For a verbal description click here.

The circuit of a full-wave voltage doubler is shown in Figure 3.10a above. A voltage doubler circuit will not work without smoothing capacitors. If in the circuit of Figure 3.7 we place a capacitor in parallel with the resistor, the output wave will change. It will now be an almost smooth line at a voltage equal to the peak value of the waveform previously obtained. (Sneak a peak ahead at Figure 3.11. I won't tell if you won't.) If we connect two Figure 3.7 circuits to one transformer (with one diode turned around) we have the circuit of a full-wave voltage doubler as shown in Figure 3.10a. Let us assume that the circuit of Figure 3.10a has been energized for several seconds and both capacitors are charged to their equilibrium voltages. The polarity of charge on the capacitors is as indicated in Figure 3.10a. On the first half-cycle the top of the secondary goes positive with respect to the bottom and current flows through D1 to recharge capacitor C1, which discharged slightly since the last time the top of the transformer went positive. When the top of the secondary goes negative, current flows through D2 replenishing the charge on C2. This circuit consists of two half-wave rectifiers with their outputs connected in series so the output voltage is twice that of one alone.

The charge on C1 is replenished 60 times per second as is the charge on C2. The charges are replenished alternately instead of at the same time; therefore, the total charge is replenished 120 times per second, which qualifies the circuit as a full-wave rectifier.

Figure 3.10b is a variation of the voltage doubler. It has the advantage that one side of both the source and load can be grounded. It has the disadvantage that it is only a half wave rectifier. This circuit is often used in test equipment to obtain the peak to peak value of the incoming wave.

When the input goes negative D1 conducts charging C1 to the peak value of the input with the polarity shown. C1 holds its charge and that voltage is added to the input voltage. When the input goes positive the charge on C1 is added to the peak voltage from the source. This gives a voltage equal to twice the peak or the peak to peak voltage. The wave form at the junction of D1 and C1 is a sine wave which is entirely above the zero axis. D2 rectifies this voltage and charges C2 up to the peak to peak value of the input wave. The charge on C2 is only replenished once for each input cycle or 60 times a second. The peak output voltage of both rectifiers is the same and is given by

VP = 2 (1.4 x VRMS - 0.7).           (3.19)

where VRMS is the voltage of the entire transformer secondary. Try to understand rather than just memorize. The entire peak secondary voltage is used to charge C1 and then C2. They are in series aiding and the voltage is twice the peak voltage of the secondary. In this circuit as in the bridge there are two diodes effectively in series and so the two diode drops are added together.

Example 3.3

A full-wave center-tapped rectifier circuit (Figure 3.8) employs a transformer which is specified as 9 vCT @ 1 A. What is the peak voltage this rectifier will deliver with semiconductor rectifiers?

Solution:

The full-wave center-tapped circuit uses only half of the secondary at a time; therefore, the output will be the peak of half of the secondary.

VP = (1.4 VRMS / 2) - Rect Drop

VP = 1.4 x 9 / 2 - 0.7 = 5.6 volts.

You could draw 1.4 A from this circuit because the two halves of the secondary are effectively connected in parallel but you are using the peak voltage.

Example 3.4

A full-wave center-tapped rectifier circuit (Figure 3.8) employs a transformer which is specified as 4.50 - 0 - 4.50 vAC @ 1.5 A. What is the peak voltage this rectifier will deliver?

Solution:

The specification means that the entire secondary voltage is 9 vAC; which is exactly the same as Example 3.3 above. The solution to this problem is exactly the same so there is no need to repeat it.

Example 3.5

A full-wave bridge rectifier (Figure 3.9) employs a transformer which has a 9 volt CT @ 1 A secondary. What is the peak output voltage of this rectifier circuit?

Solution:

The center-tap is not used. The peak output voltage is given by

VP = 1.4 VRMS - 2 x 0.7 = 1.4 x 9 - 1.4 = 11.2 volts.

Remember, these calculations are not all that precise. The available current is 0.7 A maximum.

Example 3.6

A voltage doubler rectifier (Figure 3.10) employs a transformer which has a 9 volt @ 1 A secondary. What is the peak output voltage of this rectifier circuit?

Solution:

The voltage doubler gives twice the peak voltage of the secondary

VP = 2 x (1.4 VRMS - Rect Drop) = 2 x (9 x 1.4 - 0.7) = 23.8 volts.

The original transformer is 9 V at 1 A which is 9 Watts. You can't ask for any more than 9 watts from the rectifier output.

IMax = 9 W / 23.8 V = 0.37 A

This is the maximum current without damage to the transformer.

You have no doubt noticed that the answers in all of the above examples have been rounded off quite a lot. Calculations involving power supplies are among some of the least accurate in electronics. The chief variable in the system is the line voltage provided by the electric utility. In the United States the agreed upon value for the line voltage is 120 volts ± 10 volts. When extra heavy consumer demand drives the utility to the wall, it may even reduce the voltage to 105 volts or less. The writer has personally observed the line voltage at his home and in his office to vary from a low of 114 volts to a high of 128 volts depending on the time of day and season of year. People who design power supplies normally allow large safety margins to prevent malfunctioning of equipment when the line voltage is high or low. With such large safety margins the additional digits of the square root of 2 are just not important. The diode drops should always be taken into account because they lead to a pessimistic design which provides an additional safety margin.

Maximum current.

In the above examples we have sighted a maximum current without fully explaining it. Now we will. You have to think in volt amps. You likely recognize this as watts of power. Lets take the examples above as a starting point. The original transformer was 9 volts at 1 amp. That means 9 watts. If you try to draw 9.1 watts you could get away with it because of some small amount of safety factor built into the design of the transformer. If you try to draw 18 watts you won't have a working transformer for very long.

The available current for the various connections is as follows.

Full-Wave Center-Tapped. IMax = PMax / (1.4 x VRMS / 2)

Full-Wave Bridge Rectifier. IMax = PMax / (1.4 x VRMS)

Voltage Doubler Rectifier. IMax = PMax / [2 (1.4 x VRMS)]

Notice that the diode drops are not subtracted. The power dissipated by the diodes is taken from the transformer and even if it is not available to the load must still be taken into account as power delivered by the transformer.

Back to Fun with Transistors.
Back to Fun with Tubes.
Back to Table of Contents.
Back to top.

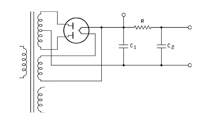
3.6 Filtering the Rectifier's Output.

Filtering is another name for smoothing. Figure 3.11 shows a full-wave rectifier, one filter capacitor and the output waveform. Power supplies for semiconductor circuits always have additional filtering elements which usually take the form of electronic circuits. Vacuum tube power supplies always have additional filtering elements such as LC (inductor - capacitor) and/or RC (resistor - capacitor) sections. The critical part of most filters is the first capacitor.

 Schematic diagram.

Figure 3.11 Rectifier, Filter and wave forms.

For a verbal description click here.

On a positive half-cycle the capacitor will charge through the series combination of half of the transformer secondary winding and diode D1. Because this is a low resistance current path the capacitor will charge quickly. When the positive half cycle falls away, the diode is reverse biased and cannot conduct any current. The capacitor will discharge through the resistor until another positive half cycle comes up to recharge it. The heavy red line shows the voltage across the capacitor and the normal black line shows what the voltage would be without the capacitor.

The lower the resistance of the resistor (the greater the load current), the faster the capacitor will discharge and the lower will be the voltage when the next positive half-cycle comes along. A way to keep the voltage from falling so low between the times when the capacitor is charged is to make the capacitor bigger. Because a full-wave rectifier is being used the charging peaks occur more often than would be the case for a half-wave rectifier. Thus the capacitor will not have as much time to discharge and the voltage will not fall as low as it would with a half-wave circuit. The amount of ripple (variation) in the voltage across the capacitor is given by.

Delta V = (I/C) Delta t                     (3.20)

Now the only question is "how long is delta t?" It is the period of the wave - the charging time. The writer has invested a great deal of work in deriving equations for the ripple voltage (delta V) taking the charging time into account and subsequently many hours in the laboratory attempting to verify the results experimentally. The equations did not predict the voltage any better than plus or minus 20%. These equations did not do any better than setting delta t = a little less than the period of the wave in equation 3.19. The conclusion is to set delta t = 8 ms approximately (1/120) for a full-wave rectifier or 16 ms approximately (1/60) for a half-wave rectifier. These numbers would be different for someone living outside of North America. Solving equation 3.19 for C gives

C = (I Delta t)/(Delta V)                     (3.21.1)

One more definition is necessary. That is the Valley voltage VV. The valley voltage is exactly what you would think it is, the lowest voltage of the ripple. It may seem a little tricky in a negative power supply so we define the valley voltage as that part of the ripple wave which comes closest to zero. The peak voltage of the ripple, VP, is that part of the wave which is farthest from zero.

VV = VP - Delta V                     (3.21.2)

Example 3.7

A 25.2 vCT @ 1 A transformer is being used in a full-wave center-tapped power supply which is to deliver 150 mA to the heater of a 12AX7 (DC heater supply to reduce hum). (a) Calculate the correct capacitor to give a ripple of 1.2 volts or less, (b) calculate the DC voltage at the capacitor, (c) the value of the resistor required to apply 12.6 volts to the heater of the tube, and (d) the wattage of the resistor.

Solution:

(a) Using equation 3.21.1 for C gives

C = (0.15 A x 8 ms)/(1.2 V) = 1000 microfarads.

(b) The DC output voltage is

VDC = 1.4 x 25.2 / 2 - 0.7 = 16.94 volts.

That's the peak voltage. The DC is the average voltage which is half of the ripple less than the peak voltage or 16.94 - 1.2 / 2 = 16.34 volts; let's call it 16.3 volts.

(c) The resistor is given by ohm's law as follows.

R = (16.3 - 12.6) / .15 amps = 24.7 ohms.

Use a 24 ohm resistor.

(d) The power dissipated by the resistor is given by

P = I squared R = .15 squared x 24 = .54 watts

Use a 1 watt resistor. Most designers would likely connect another 1000 microfarad capacitor from the other end of the 24 ohm resistor to common as shown in the figure below.

 Schematic diagram.

Figure 3.12.1 DC Heater Supply for 12AX7.

For a verbal description click here.

Example 3.8.1

A full-wave bridge rectifier is to be used with a transformer which is rated as 28 vCT @ 2 A. The capacitor is 2200 uf and the load current is 1.3 A. What is the ripple voltage?

Solution:

Using equation 3.19 we have,

Delta V = (I/C) Delta t = (1.3 A / 2200 rf) x 8 ms = 4.7 V.

As compared to physical reality, this is a pessimistic prediction.

Example 3.8.2

A full-wave bridge rectifier is to be used with a transformer which is rated as 280 vCT @ 250 mA. The capacitor is 22 mu f and the load current is 85 mA. What is the ripple voltage?

Solution:

Using equation 3.19 we have

Delta V = (I/C) Delta t = (85 mA / 22 mu f) x 8 ms = 30.9 V

As compared to physical reality, this is a pessimistic prediction.

Additional Filtering LC section.

Electronic voltage regulators are not often used in vacuum tube circuits. When lower ripple is desired from a power supply than can be obtained from a single capacitor, additional filtering elements are added to the filter. For example an LC section may be added to the single capacitor filter to obtain the circuit shown below.

 Schematic diagram.

Figure 3.12.2 Full-wave rectifier and C-L-C filter.

For a verbal description click here.

The inductor has a low resistance to DC but a much higher reactance to the AC ripple. Because it is a series element it drops very little DC while dropping a large amount (most of it in fact) of the AC. The second capacitor presents an open circuit to the DC but a low reactance to the AC ripple. It, together with the inductor, forms a voltage divider which reduces the ripple to a very low level. If X is much greater than XC the ripple across C2 is given by

VC2 = VC1 (XC2) / (XL)               (3.22)

where

XL = 2 pi f L                     (3.23)

and

XC2 = 1 / (2 pi f C2)                 (3.24)

Substituting equations 3.23 and 3.24 into equation 3.22 gives.

VC2 = (VC1) / (4 pi squared f squared L C2)               (3.25)

The DC voltage drop across the inductor (filter choke) is usually small enough to be neglected.

Additional Filtering RC section.

If an RC section is added to the single capacitor filter we have a circuit like that shown below.

 Schematic diagram.

Figure 3.12.3 full wave rectifier and C-R-C filter.

For a verbal description click here.

The resistor has the same resistance to DC and AC. Because it is a series element it drops a moderate amount of DC while dropping a large amount (most of it in fact) of the AC. The reason the resistor drops more AC than DC is because the second capacitor presents an open circuit to the DC but a low reactance, almost a short, to the AC ripple. It, together with the resistor, forms a voltage divider which reduces the ripple to a very low level. If R is much greater than XC2 the ripple across 2 is given by

VC2 = VC1 (XC) / (R)                 (3.26)

where

XC2 = 1 / (2 pi f C2)                   (3.27)

Substituting equation 3.27 into equation 3.26 gives.

VC2 = (VC1) / (2 pi f R C2)               (3.28)

The DC voltage appearing across C2 is given by

VDC-C2 = VDC-C1 - ILoad R               (3.29)

Where ILoad is the sum of all DC load currents taken off from C2, C3, C4, Etcetera. Additional series R and parallel C sections may be, and often are, added on the end of the circuits of 3.12.2 or 3.12.3. Each added capacitor is numbered C3, C4, etc.

Example 3.9

A filter like that of Figure 3.12.2 has two 22 microfarad capacitors and an 8 Henry filter choke. The ripple voltage across C1 is 31 volts (Example 3.8.2). What is the ripple voltage across C2?

Solution

Using Equation 3.25 gives.

VC2 = (VC1) / (4 pi squared f squared L C2)

VC2 = 31 vAC / (4 pi squared x 120 squared x 8 henrys x 22 mu f = 0.31 vAC.

Example 3.10

A DC power supply like that of Figure 3.13 uses a transformer with a high voltage winding having a rating of 325 - 0 - 325 volts at 100 mA. (This current rating is for a capacitor input filter so the factor of 1.4 has already been accounted for.) It uses a 5Y3 rectifier tube and an RC filter with two 40 mu f capacitors and a 1 k ohm resistor. The DC load taken off at C1 is 80 mA and the load taken off at C2 is 15 mA. What are (a) the ripple across C1, (b) the ripple across C2, (c) the DC voltage across C1, and (d) the DC voltage across C2?

Solution

(a) The ripple across C1 is given by equation 3.19 which is.

Delta V = (I/C) Delta t

We must use the sum of the currents for I in this equation which is 95 mA.

Delta V = (95 mA/40 mu f) 8.3 ms = 19.7 volts.

Let's call it 20 volts.

(b) The ripple across C2 is given by equation 3.28.

VC2 = (VC1) / (2 π f R C2)

VC2 = 20 / (2 π 120 1000 40 mu f) = 0.66 volts.

(c) Using equation 3.17 gives

VDC = 1.4 VRMS / 2 - Rect Drop = 1.4 x 650 / 2 - 125 = 330 volts

The graphs in the tube manual for the 5Y3 give an output voltage of 330 volts for a load of 95 mA and a voltage on each plate of 325 volts.

(d) The voltage across C2 is given by equation 3.29 as

VDC-C2 = VDC-C1 - ILoad R = 330 V - 15 mA x 1000 Ω = 315 VDC

Back to Fun with Transistors.
Back to Fun with Tubes.
Back to Table of Contents.
Back to top.

3.7 Zener Diode and Gas discharge Voltage Regulators.

Preliminary, Classes of Voltage Regulators.

There are two classes of voltage regulators, series and shunt. The way a voltage regulator works is to place a variable resistance element either, in series with, or in shunt with the voltage to be regulated. Figure 3.12.1 shows a shunt regulator in (a) and a series regulator in (b).

 Schematic diagram.

Figure 3.12.1 Shunt and Series Regulators.

For a verbal description click here.

The Shunt Regulator.

Circuit (a) is a shunt regulator. The variable resistance element works to keep the voltage across the output terminals constant. It's resistance changes as needed to accomplish this. The load, which is connected across the output terminals, must operate at a voltage lower than the lowest output voltage of the rectifier and filter.

Let us say that the regulator is operating normally. Then the voltage of the rectifier/filter increases. For the load voltage to remain constant there must be an increased voltage drop across the fixed resistor. Ohm's law tells us that the current through the resistor must increase. The regulator element, inside the red box, will change its resistance to draw more current and the output voltage remains constant.

Now suppose the load current decreases a little. This would cause a decreased drop across the fixed resistor but the regulator compensates by decreasing its resistance to take more current. If the load current goes all the way to zero the regulator will take it all.

If the load current increases the regulator current will decrease to keep the voltage across the output terminals constant. However if the load current increases to the point where the regulator current goes to zero that's as far is it can go. After all the regulator is a variable resistor so it can't generate additional voltage. If the load current keeps increasing after the regulator current has gone to zero the voltage will fall below the regulated value because the regulator is powerless to prevent it from falling below the set voltage. This is the chief disadvantage of a shunt regulator. The regulator will also lose control if the rectifier/filter voltage falls so low that the regulator current goes to zero.

A regulator of this type wastes a lot of power. The current through the regulator must be set above the maximum current that the load will ever take. If this happens for only a small percent of the time and operates at say 1/10 of that value most of the time the shunt regulator will always draw the highest current from the rectifier/filter. If the rectifier/filter were replaced by a battery, it would be discharged very quickly by the large amount of current demanded by the shunt regulator.

The Series Regulator.

In Figure 3.12.1 (b) above the series regulator is connected in series with the load. This type will hold the voltage across the output terminals constant. It does this by comparing the output voltage to a reference voltage and using vacuum tube, transistor, or operational amplifiers (op amps) to amplify the difference and control the pass element. The actual pass element may be a transistor, or vacuum tube, but we don't know about such things yet so we will just think of it as a variable resistor that uses some form of magic to sense the voltage across the output terminals and adjust itself.

Notice that there is no extra resistor in the circuit. Whatever current the load draws, that much current will flow through the regulator, and the same amount will be drawn from the rectifier/filter. The voltage from the rectifier/filter can change up or down and the series regulator element will adjust it's resistance to compensate. The load current can change up or down, even to zero, and the series pass element will adjust to compensate. Series regulators are more efficient than shunt regulators because in the absents of load current they draw very little current from the source. The amplifiers that make it work need a little current but it isn't very much. In general a series regulator can operate with its input and output voltages closer together than for a shunt regulator. That makes them more efficient and a better choice for regulating the voltage in battery operated equipment.

Shunt Zener Diode Regulator.

If a specially manufactured P-N junction diode is reversed biased it presents a constant voltage characteristic. This constant voltage characteristic is perfect for a shunt voltage regulator.

If the doping level (amount of impurity) is increased in a P-N junction the reverse breakdown * voltage will be decreased. When a P-N junction breaks down in the reverse direction, the voltage is held constant (regulated) even though the current may vary over a large range. The typical characteristic of a P-N junction is shown in Figure 3.13. The portion in the first quadrant is the same as any other P-N junction diode. The portion in the third quadrant is the reverse breakdown * characteristic. As the voltage increases in the negative direction, nothing happens until the voltage reaches the constant voltage breakdown point. When this point is reached, the current goes up very rapidly and the voltage will not increase any further. If an attempt is made to force the voltage higher the diode will overheat very quickly and burn out.

* The term "breakdown" does not mean a malfunction as it does
  to an auto mechanic. In semiconductor talk "breakdown"
  means the beginning of conduction of current. A diode
  which has broken down does not have to be replaced; it is
  just beginning to go to work.

 Graph.

Figure 3.13 I-V Curve of a P-N Junction Diode.

For a verbal description click here.

There are two mechanisms of reverse breakdown, Zener and avalanche. In Zener breakdown (named for its discoverer Clarence Zener) the electric field intensity in the depletion region becomes so great as to promote electrons from the valence energy band to the conduction energy band. The electrons on the P side move toward the junction and contribute to conduction. Electrons which are freed on the N side cause holes to be created which move toward the junction and also contribute to conduction. The threshold at which electrons begin to be promoted is very sharp and the so- called Zener breakdown voltage is very constant. Zener breakdown takes place up to about 6.2 volts.

If the doping has not been increased to the level where the reverse breakdown is below 6.2 volts, the mechanism is avalanche breakdown. When the electric field becomes intense enough to promote electrons to the conduction band they are accelerated by the field. These newly freed electrons collide with other valance electrons and promote them to the conduction band which in turn collide with other valence electrons promoting them to the conduction band et cetera, et cetera. Avalanche breakdown occurs if the breakdown voltage is greater than about 6.2 volts.

As you might expect the transition from Zener breakdown to avalanche breakdown is not a sudden one but a gradual one. That has interesting consequences because of the temperature coefficients of the two processes. Avalanche breakdown has a positive temperature coefficient and Zener breakdown has a negative temperature coefficient. At the voltage where the two effects play an equal role in reverse breakdown the temperature coefficient is exactly zero. This is at a voltage of 6.1 and some more decimal places.

It used to be literally true that diode manufacturers would make a batch of diodes and then test them to see what they had made. That is no longer completely true but when Zener diodes are being manufactured in the neighborhood of 6 volts, they are carefully tested. The ones which fall exactly on the magic zero temperature coefficient voltage are pulled out and sold for ten dollars a piece as reference diodes. The ones which don't pass this test are sold as 6.2 volt 5% units for seventy five cents or as 5.6 volt 10% units for forty cents. The manufacturing cost is a fraction of a cent per diode. The cost is in the testing. Even though the mechanism may be avalanche breakdown, the diodes are called Zener diodes.

Uses for the Zener Diode.

Zener diodes are sometimes used to set an upper limit to a voltage. Because it draws essentially zero current before breakdown it works well in this application. Suppose an input circuit of an amplifier is meant to operate from zero to 10 volts but would be damaged if the voltage exceeded 12 volts. A 12 volt zener diode can be placed across the input and will have no effect on voltage within the intended range of the amplifier but will conduct and prevent the voltage from going higher than the damaging value of 12 volts.

Zener diodes are also used as voltage regulators. They were formerly used to regulate voltage in both low and high power circuits. Units were available in power ratings from 1 to 50 watts. In modern electronics the Zener diode is used to provide voltage references to high power regulators. The Zener diode is a low power unit and a power transistor takes care of any heavy work. Power transistors cost much less than power Zener diodes. Zeners are now available as 0.4, 1, and 5 watt units.

A typical circuit for a Zener diode voltage regulator is shown in Figure 3.14. The input is an unregulated power supply consisting of a circuit such as Figure 3.11 without the resistor. The load current which is drawn from the output can range from a few nanoamps to several tens of milliamps.

How a voltage regulator works and what it does.

A voltage regulator has to hold the voltage constant as the voltage of the input varies and as the load current changes. The output voltage of a rectifier and filter capacitor is not constant. As mentioned earlier the line voltage can vary all over the place and then there is that ripple which is always present. Another application is in battery operated equipment. In many cases the designer of such equipment wants the voltage applied to the circuits to remain constant as the batteries run down. The battery voltage is set higher than the circuit needs and the regulator holds it constant until the voltage gets near the operating voltage. Special circuits usually warn the operator and/or turn off the equipment when the battery is so run down as to no longer operate the device.

Changing load current is another difficulty. We have used resistors to indicate the load on a power supply. The real load on a power supply is a transistor circuit and/or a small motor or two. The current drawn by a transistor circuit may change depending on what the circuit is and what it is doing at the moment. The current drawn by a motor changes as its mechanical load changes. So a regulator may have a lot to do.

A regulator can't increase the voltage applied to it. All it can do is reduce it. It regulates the voltage by reducing it by the amount required to hold it at some preset value. The difference between the regulator input and the output is called the regulator drop. Each type of regulator has it's minimum regulator drop. If the input voltage falls so low as to make the regulator drop less than the minimum the regulator will lose control and the output voltage will fall.

For example, a 12 volt regulator IC has a minimum drop of 2 volts. That means that the input voltage must be 14 volts or higher. It regulates just fine for input voltages anywhere from 14 to 40 volts. But if the input voltage falls to 13 volts the output voltage will fall to 11 volts and it will no longer be regulated. It will just be 2 volts less than the input, ripple and all. If the ripple valley falls below the minimum required the output voltage will acquire ripple as shown in the graph below.

 Graph.

Figure 3.14 Input and output waves of a voltage regulator.

For a verbal description click here.

The upper wave is the output of a full wave rectifier with a capacitor filter. The lower wave is the output voltage of a voltage regulator. In (a) the input voltage is high enough that the regulator is able to do its job properly. In part (b) increased load current has pulled the ripple valley down so it is below the minimum required to maintain regulation. Note that the peak voltage is the same in both cases. This is the way ripple responds to increased load current.

A measurement with a DC voltmeter is likely to indicate that the input voltage is high enough but the ripple valley is too low. Only an oscilloscope measurement will reveal this defect. I have taught the senior projects course in the electrical engineering department for several years and I have found this to be one of the most common mistakes in circuit design.

The Zener Diode Voltage Regulator.

There is one thing about the following calculations you may find peculiar. The maximum allowable current in a zener diode is that which gives 1/4 of the rated power. The specified power rating for almost all semiconductor devices is given for the temperature of the silicon crystal to be held to 25 degrees C. This is stated in the literature as the junction temperature. About the only way to achieve this with a zener diode would be to operate it amerced in a stirred and cooled oil bath.

The power can be increased to about 1/2 of the specified power by mounting the diode through a hole in a heat sink and coating it with heat sinking compound. The hole should be sized so the diode is a tight fit and the sink should be as thick as the diode is long. When the diode is operated in open air the maximum power is 1/4 of the specified power. Operation at higher power will cause the diode to overheat and fail.

 Schematic diagram.

Figure 3.15 Zener Diode Voltage Regulator Circuit.

For a verbal description click here.

To design a zener diode circuit you only need to specify the zener diode, voltage, and power, and the resistor RA, resistance, and wattage rating. After the value of RA is fixed, the minimum regulation voltage must be determined. Remember that the Zener diode holds its voltage constant. If the input voltage changes, the voltage across RA must change. Remember Kirchhoff's law? VIN = VRA + VZ where VIN is the input voltage, VRA is the voltage across RA and VZ is the voltage across the Zener diode. If VZ is constant, VIN and VRA will rise and fall together. The current through RA is also proportional to the voltage across RA. Let us assume that there is a load of 1 mA on the output of the regulator. That means that of the current through RA, 1 mA will flow through the load and the rest will flow through the Zener diode because IRA = IL + IZ. The power in the Zener diode is PZ = IZ VZ. Normal practice is to set the current through the Zener diode to such a value as to dissipate 25% of the diode's rated power. Regulation can be maintained as long as the current through the Zener diode is greater than zero. If the current tries to reverse, it cannot and regulation will be lost. The zener diode can't become a battery and hold the voltage up if the input falls below the minimum input voltage. Solving this problem is nothing more than the repeated application of Ohm's and Kirchhoff's laws and should not require any memorization.

The rules for design are as follows.

  1. Calculate the Zener diode current for 25% of rated power.

  2. Add any load current to this Zener current. This is the current through RA.

  3. Subtract the Zener voltage from the average expected input voltage.

  4. Use results of 2 and 3 in Ohm's law to calculate the resistance of RA.

  5. Calculate the minimum input voltage for regulation to be maintained. This value must be below the ripple valley voltage of the power supply.

  6. Calculate the power dissipation of the resistor based on the average ripple voltage. *

  7. Calculate the maximum power dissipated by the zener diode based on minimum load current, often zero, and average input ripple.

* because the power is proportional to the square of the voltage, using the average voltage is not quite correct. However, for realistic values of ripple the error is so small as to be unimportant.

Example 3.10.

An unregulated power supply delivers a ripple peak of 21 volts and a ripple valley of 19 volts. The Zener diode regulator circuit is to deliver 12 volts at 2 mA and will use a 12 volt 400 milliwatt Zener diode. What is (a) the value of RA, (b) the average power dissipated in RA and (c) the minimum input voltage to maintain regulation?

Solution:

The ripple waveform may be approximated as a series of straight lines and the average is simply (VP + VV) / 2 or (21 + 19) / 2 = 20 v. 25% of 400 mW is 100 mW; therefore, IZ = 100 mW / 12 v = 8.3 mA. (a) The value of RA is

RA = (VIN - VZ) / (IZ + IL)

RA = (20 v - 12 v) / 8.3 mA + 2 mA) = 780 ohms.

(b) Power in RA is P = (20 v - 12 v)2 / 780 ohms = 0.082 W

(c) Let IZ = 0.

VIN = VZ + IL RA = 12 v + 2 mA x 780 ohms = 13.6 volts.

This is much less than the ripple valley voltage of 19 volts, so the circuit will work.

The only resistors which come in what ever value you need are .05% precision resistors and these are very, very expensive. In common laboratory work we must use what the manufacturers of resistors supply us. The result of (a) in the above example was 780 ohms. In standard 5% resistor values the two closest values are 750 and 820 ohms. In this case you would tend to choose 750 ohms because it is the closest one and you would be doing the right thing. In Zener diode circuits you should always move down to the next lower value. The calculations of parts (b) and (c) should be based on the actual resistor used rather than the calculated value.

The writer considers the memorization of the table of standard values to be a waste of time and effort. This is information which can always be looked up if and when it is needed. A table of standard values is given in the appendix for those who need to look them up.

Example 3.11.

An unregulated power supply delivers a ripple peak of 39 volts and a ripple valley of 25 volts. The Zener diode regulator circuit is to deliver 16 volts at 1 mA and will use a 16 volt 1 watt Zener diode. What is (a) the value of RA, (b) the average power dissipated in RA and (c) the minimum input voltage to maintain regulation?

Solution:

The average input voltage is (39 + 25) / 2 = 32 volts. The Zener diode current is IZ = 0.25 x 1 W / 16 v = 15.6 mA. (a) RA = (32 - 16) / (15.6 + 1) = 964 ohms. The next lowest standard value is 910 ohms and that is what we will use. (b) The power is (32v - 16v)2 / 910 ohms = 0.28 watts. It is best to use a 1/2 watt resistor here. (c) The minimum input voltage is 16 v + 1 mA x 910 ohms = 16.91 volts. The circuit will work.

Zener diode voltage regulators are occasionally used to regulate the voltage for low current circuits when a design goal is to keep it simple. Because it is a shunt regulator it wastes too much power to be used in a battery operated device.

Zener diodes are most often used in conjunction with other circuits such as op amps and power transistors. We will return to these circuits later after we have studied these devices.

If You Need a High Power Zener.

Although zener diodes are no longer available in powers above 5 watts, (1.25 watts in practice), they can be obtained in voltages up to 100 volts. If you need to regulate a voltage at high current and/or high voltage, relatively speaking, you can use a transistor to effectively amplify the power of a zener diode.

 Schematic diagram.

Figure 3.15.1 Amplified Zener Diode Voltage Regulator Circuit.

For a verbal description click here.

As the input voltage increases the transistor remains an open circuit until it experiences base current. There is no base current until the zener diode begins to conduct so the whole thing is an open circuit until the zener voltage + 0.6 volts is reached. When the zener does begin to conduct the transistor also begins to conduct but the collector current is typically 100 times as large as the current through the zener diode and into the base. If you need a high power shunt regulator This is the circuit for you. Remember the turn on voltage is 0.6 volts higher than the zener voltage.

Gas Discharge Regulator Tubes.

Prior to the invention of the zener diode the only regulating devices were gas discharge regulator tubes, commonly known as voltage regulator or VR tubes. These are cold cathode diode tubes filled with one of the inert gases. The pressure is low, about 1/100 of an atmosphere. They come in four voltages, 75, 90, 105, and 150 volts. The only gas I can identify with a specific voltage is neon with the 75 volt tube.

The workhorse set is the octal series, 0A3, 0B3, 0C3, and 0D3. The 0A3 is the 75 volt tube and the 0D3 is the 150 volt regulator. The current range is 5 to 40 mA for all tubes. There is a 7 pin miniature series 0A2, 0B2, and 0C2. Their voltages are 150, 105, and 75 respectively. Their maximum current is 30 mA.

The design procedure is almost the same as for the zener diode, with one exception. The glow discharge in the tubes require a higher voltage than the operating value to get the ionization started. This value is different for each tube and must be looked up in a tube manual. The initial voltage of the power supply must be above this starting value and the starting current of the load must be zero or very small. If the load is resistive, the voltage of the power supply must be large enough to place the starting voltage on the tube even with the load drawing current. The schematic symbol of a VR tube can be seen in a diagram at the end of this chapter.

Back to Fun with Transistors.
Back to Fun with Tubes.
Back to Table of Contents.
Back to top.

3.8 Integrated Circuit Voltage Regulators.

The design and construction of power supplies using series regulators has been made extremely simple by the introduction of the integrated circuit voltage regulator. The IC VR could not possibly be any simpler. It has three terminals: an input, an output and a ground (common). It is often called a three terminal regulator. The acronym "TTR" has never been seen or heard by the writer. The schematic symbol for the IC VR is just a rectangle with 3 lines (wires) connecting to it.

These regulators regulate very well against changes in load current and changes in input voltage. Most of the ripple voltage which is present in the output of the unregulated power supply is regulated out by the IC VR. The IC contains a current sensor and the voltage will be shut down if the load tries to draw too much current. The IC also contains a temperature sensor and, if the IC gets too hot, the voltage will be shut down. When the power is turned off the IC will cool down and the power will be turned back on again. The observable results of an IC VR which is getting too hot is that the voltage will be turned off and on periodically.

One undesirable thing that these little wonders do rather well is to oscillate at a frequency of approximately 1 Megahertz. This oscillation can cause lots of trouble and headaches for research lab workers (graduate students). The way to prevent these oscillations is to connect a 0.1 uf capacitor on each side of the regulator, one from input to ground and the other from output to ground. These capacitors must be physically close to the regulator or they will not do any good. A regulator which does not have these capacitors will, not may, but WILL, oscillate. In addition to these capacitors, the unregulated power supply must have its filter capacitor and a capacitor in the neighborhood of 25 uf connected across the output of the voltage regulator. Figure 3.16 is the circuit of a typical 5 volt 1 amp power supply.

 Schematic diagram.

Figure 3.16 Complete 5 Volt 1 Amp Power Supply.

For a verbal description click here.

These IC VRs come in a wide variety of shapes and sizes but by far the most popular are the LM78XX and LM79XX regulator series. These are supplied in a TO220 (see appendix B) package which must be attached to a heat sink if it is to deliver any more than 100 mA. The LM78XX are positive regulators and the LM79XX are for regulating negative voltage power supplies. The "XX" gives the output voltage of the regulator. For example an LM7805 is a +5 volt unit, an LM7812 is a +12 and an LM7915 is a -15 volt unit. All of these units will accept input voltages of VO + 2 to 40 volts for a positive regulator and VO - 2 to -40 volts for a negative regulator. They will deliver a maximum of 1 ampere and are current limited at about 1.5 amperes.

There is another series of regulators which are very useful in low power circuits. They are the LM78LXX and LM79LXX series. These regulators are supplied in a TO92 package and have a maximum current rating of 100 mA. These units usually do not need a heat sink. The small package makes it possible to construct a very small low-power power supply.

Adjustable Voltage Regulators.

If you need a voltage in between the voltages of the fixed regulators, or you want to build a variable voltage power supply, there is another set of voltage regulators which have adjustable output voltages. The positive regulator is an LM317 and the negative regulator is an LM337. A possible disadvantage of these regulators is that their voltage will not go all the way to zero. Here is the circuit using an LM317.

 Schematic diagram.

Figure 3.17 Circuit of an adjustable voltage regulator.

For a verbal description click here.

This circuit works because the voltage between the O and A terminals is fixed at 1.2 volts, and current flowing out of the A terminal is very small. The fixed output voltage causes the current through R1 to be constant. The small current in the A terminal causes the current in R2 to be essentially equal to the current in R1. This means that the drop across R2 will be constant and set by the values of R1 and R2.

Example 3.12.

If R1 is 100 ohms and R2 is 1100 ohms, what is the output voltage of the circuit?

Solution:

The voltage between the O and A terminals is 1.2 volts so the current in R1 is,

I = 1.2 / 100 = 12.0 mA.

The current in R2 is also 12 mA so the voltage across R2 is,

V = 12.0 mA x 1100 ohms = 13.2 volts.

This is not the output voltage, it is the voltage between common and the A terminal. The voltage between the o terminal and common is the sum of the voltage between common and the A terminal and the voltage between the A and O terminals or,

13.2 + 1.2 = 14.4 volts.

A triple output 1.2 to 20, -1.2 to -20, and fixed 5 volt, power supply is shown in Figure 3.18. The diodes across the output are to prevent either supply from being pulled to the opposite sign by the other power supply. If this happens, the supply will latch at -0.7 volts and will not come up to its normal voltage.

 Schematic diagram.

Figure 3.18 Triple Voltage Power Supply.

For a verbal description click here.

Vacuum Tube Voltage Regulator.

Some vacuum tube circuits require regulated voltage. These include such things as the amplifiers in Vacuum Tube Volt Meters (VTVM), The screen grids of high power amplifiers, and oscillators in communications receivers and transmitters. These applications are not usually high current. It is not necessary to regulate the plate voltage of a power amplifier. If the voltage needed does not fall on one of the 4 VR tube values an electronic circuit must be used. Here is a simple regulator circuit.

 Schematic diagram.

Figure 3.19 Vacuum Tube Voltage Regulator Circuit.

For a verbal description click here.

The 0A3 is a VR tube as described above. If the device containing the regulator were to be operated with the VR tube unplugged some circuit components could be damaged. The connection between pins 3 and 7 of the tube is a jumper. If the tube is removed from its socket there will not be any output from the circuit because the negative lead is open. Removing a positive voltage from something will usually result in less current rather than more.

This circuit will not go to zero voltage. One that will, needs a negative voltage supply and can get more complicated. This circuit is as simple as it can get and still be a true closed loop* regulator.

* A closed loop regulator is one in which the output voltage
  is sensed, compared to a reference voltage, and if the
  output voltage changes it is instantly corrected
  to the set voltage.
A common feature of regulators is that the heater of the pass tube, the 6AQ5 in this circuit, is operated from a separate filament transformer. The maximum heater to cathode voltage for most tubes is 200 volts so a regulator capable of output voltage higher than this must have such a transformer. One side of the heater is tied electrically to the cathode so the voltage difference is no more than the peak of the 6.3 volt heater supply voltage.

Back to Fun with Transistors.
Back to Fun with Tubes.
Back to Table of Contents.
Back to top.

3.9 Problems.

  1. The unregulated portion of a power supply is delivering 18 volts at a current of 1 ampere. What size (current rating) fuse should be used in the primary of the transformer?

  2. A power transformer has the ratings 34 - 0 - 34 v @ 3 amps. If this transformer is used with a full-wave center-tapped rectifier circuit, Figure 3.8, what is the peak output voltage VP? Take diode drops into account.

  3. A power transformer has the ratings 36 vCT @ 2 amps. If this transformer is used with a full-wave center-tapped rectifier circuit, Figure 3.8, what is the peak output voltage VP? Take diode drops into account.

  4. A power transformer has the ratings 21 vAC @ 5 amps. If this transformer is used with a full-wave bridge rectifier circuit, Figure 3.9, what is the peak output voltage VP? Take diode drops into account.

  5. A full-wave voltage doubler circuit (Figure 3.10) is attached to a transformer whose secondary is rated at 120 vAC @ 10 amperes. (This is an isolation transformer.) What is the peak output of this circuit? Take diode drops into account.

  6. A power transformer is rated as 40 - 0 - 40 vAC @ 1.2 amps. The transformer is equipped with a full-wave center-tapped rectifier using silicon diodes and a filter capacitor of 7,000 microfarads. What is the ripple valley voltage of this circuit if the load current is 0.8 ampere? Apply all corrections.

  7. A power transformer is rated as 20 vAC @ 7 amps. The transformer is equipped with a full-wave bridge rectifier using silicon diodes and a filter capacitor of 20,000 microfarads. What is the ripple valley voltage of this circuit if the load current is 5 amperes? Apply all corrections.

  8. Using the transformer and rectifier from problem 6, calculate the value of the filter capacitor to give a ripple valley voltage of 45 volts if the load current is 0.8 amps.

  9. Using the transformer and rectifier from problem 7, calculate the value of the filter capacitor to give a ripple valley voltage of 17 volts if the current is 5 amps.

  10. A 12 volt 300 mA transformer is being used with a bridge rectifier which is to deliver 10 mA to a load. An uninformed person uses a 20,000 uf capacitor in the power supply. What is (a) the peak output voltage and (b) the difference between the peak and valley voltages?

  11. For the conditions of problem 10, what size capacitor should be used to give a ripple valley voltage of 14 volts?

  12. A 6.2 volt 400 mW Zener diode is to be supplied from an unregulated power supply which has a peak output voltage of 26 volts and a ripple valley voltage of 22 volts. The load current on the regulator is approximately 1 picoampere. (a) Calculate the resistance of RA. (b) Select the proper value for RA from the table of standard values in the appendix. (c) Calculate the power dissipated in the resistor. (d) Calculate the minimum input voltage to maintain regulation. Restrict your answers to no more than 3 significant digits.

  13. What is the highest tolerable peak output voltage from the rectifier for each of the following regulators: (a) LM7805, (b) LM7912, (c) LM7812, (d) LM7915, and (e) LM7824? Don't forget the signs.

  14. What is the lowest tolerable ripple valley output Voltage, closest to zero, from the rectifier for each of the following regulators: (a) LM7805, (b) LM7912, (c) LM7812, (d) LM7915, and (e) LM7824? Don't forget the signs.

  15. In the circuit of Figure 3.18, what is the value of R2 to give an output voltage of 13.5 volts if R1 is 120 ohms?

Back to Fun with Transistors.
Back to Fun with Tubes.
Back to Table of Contents.
Back to top.

3.10 Answers to Problems.

  1. 3/10 Amp.

  2. 46.9 volts.

  3. 24.5 volts.

  4. 28.0 volts.

  5. 334.6 volts.

  6. 54.4 volts.

  7. 24.6 volts.

  8. 621 microfarads.

  9. 4170 microfarads.

  10. (a) 15.4 volts. (b) 4.00 millivolts.

  11. 57.1 microfarads.

  12. (a) 1100 ohms, (b) 1100 ohms, (c) 0.288 watts, (d) 6.2 volts.

  13. (a) +40, (b) -40, (c) +40, (d) -40, (e) +40 volts.

  14. (a) +7, (b) -14, (c) +14, (d) -17, (e) +26 volts.

  15. 1230 ohms.

Now, if you have really mastered this material you deserve some kind of award. Go have some ice cream.

Back to Fun with Transistors.
Back to Fun with Tubes.
Back to Table of Contents.
Back to top.