|
Diplomarbeit der 5CEE |
HTL Wels 2001/2002 |
|
3. Verstärker |
3. HF-Verstärker
Weite Teile der verwendeten Schaltungen wurden aus dem Buch "Experimente mit Hochfrequenz" von Harald Chmela entnommen (>>Bibliographie). Im Kapitel 4 wird ein 40W Transistor MW-Sender beschrieben. Dieser Sender besteht aus einem eigenen Oszillator, Modulator und der Leistungsendstufe.
Da ein Oszillator für unsere Zwecke nicht unbedingt notwendig ist (das Signal, das verstärkt werden soll, liefert uns ein Funktionsgenerator) wurde nur die Endstufe realisiert. Diese wurde dann auch so abgeändert um eine höhere Leistung zu erhalten. Außerdem wurden einige Schaltungsdetails in unserer Version der Endstufe geändert.
Leider sind die Schaltbilder und Layouts im Internet Explorer nicht gut lesbar. Es empfiehlt sich, das beschriebene Schaltbild durch klicken auf die Darstellung im Text in einem neuen Fenster zu öffnen, um zwischen Beschreibung und Bild wechseln zu können. Leider sind manchmal auch Fehler in der Bezeichnung der Bauteile, da die Schaltung oft geändert wurde. An der Behebung dieses Problems wird gearbeitet!
Wir versuchen auch so bald als möglich verwendbare Layouts hier verfügbar zu machen.
3.1. Der Vorverstärker
Der Vorverstärker ist notwendig, da der gewählte Frequenzgenerator nicht die Leistung aufbringen kann, welche von der Endstufe eingangsseitig gefordert wird.
|
3.1.1. Schaltplan: |
3.1.2. Schaltungsbeschreibung:
Der erste Teil der Schaltung dient zur Spannungsstabilisierung. Er formt eine 18V Wechselspannung in eine 12V Gleichspannung um. Der Brückengleichrichter B1 richtet die Spannung gleich, anschließend wird diese durch C8 geglättet. Die 12V Gleichspannung erhält man am Ausgang des Fixspannungsreglers IC1. C3 und C4 sind notwendig um Regelschwingungen des Fixspannungsreglers zu vermeiden. Der zweite Teil der Schaltung ist der eigentliche Verstärker. Die HF wird über C5 eingekoppelt. Durch R1 kann der Arbeitspunkt des Transistors ideal eingestellt werden. Der Widerstand R1 ist lediglich dazu nötig, dass nicht die volle Betriebspannung an der Basis- Emitter- Strecke anliegen kann.
3.1.3. Layouts:
|
|
|
3.1.4. Stückliste:
|
|
C1 |
3,3n |
|
|
C2 |
2,2n |
|
|
C3 |
330n |
|
|
C4 |
100n |
|
|
C5 |
3,3n |
|
|
C6 |
330n |
|
|
C7 |
220u |
|
|
C8 |
1000u |
|
|
P1 |
Poti 10kOhm |
|
|
R2 |
1K8 |
|
|
R3 |
1K8 |
|
|
R4 |
82 |
|
|
IC1 |
Fixspg. Regler 7812 |
|
|
B1 |
Brückengleichrichter 380V/1,5A |
|
|
T1 |
BUV 70 |
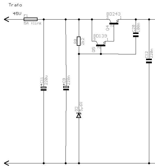
3.2. Die Endstufe
Die Endstufe ist eine Gegentaktschaltung in Klasse A Einstellung und hat die Aufgabe, die vom Vorverstärker kommende HF mit ca. 1,5W auf 40W zu verstärken. Die Schaltung der Endstufe läßt sich grob in Spannungsversorgung und HF Teil unterteilen.
3.2.1. Spannungsstabilisierung
|
3.2.1.1. Schaltung |
3.2.1.2. Schaltungsbeschreibung
Der Kondensator C18 dient zur Glättung der Betriebsspannung. Die Kondensatoren C17 und C06 sind Entstörkondensatoren. C03 unterdrückt die bei der Spannungsregelung auftretenden Regelschwingungen. Transistor T02 und T03 bilden eine Darlingtonstufe. Bei schwankender Ausgangsspannung wird über die Masche Uz = UBE + Ua Ua konstant gehalten, da die Basis- Emitter Spannung durch den veränderten Basisstrom variiert.
|
3.2.1.3. Stückliste: |
R8 |
2K2 |
|
C20 |
100n |
|
|
C12 |
220n |
|
|
C9 |
220n |
|
|
C11 |
220u |
|
|
D6 |
Zehnerdiode 5,6V |
|
|
Q4 |
BD 243 (genaue Daten she. Pkt. Transistordatenblätter) |
|
|
Q5 |
BD 139 (genaue Daten she. Pkt. Transistordatenblätter) |
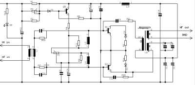
3.2.3. Kollektorstromregelung und HF – Weg:
|
3.2.3.1. Schaltung |
3.2.3.2. Schaltungsbeschreibung
a.) Kollektorstromregelung
Durch Erwärmung und Aussteuerung kann sich der Arbeitspunkt mitunter stark verschieben. Um dem entgegenzuwirken, muß der Kollektorstrom konstant gehalten werden.
Über den Shunt R3 wird der Summenstrom beider Transistoren gemessen. C6 und C7 blocken die Hochfrequenz gegen Masse ab. Der Spannungsabfall an R3 dient als Gegenkopplung für den Transistor Q1, der über die aus D1 und R5 gewonnene Referenzspannung angesteuert wird. Über P2 und R12 wird die Größe der Gegenkopplung und somit der Sollwert für den Kollektorstrom eingestellt. R2 senkt nur die Strombelastung des Potis 2 herab. Über R4 gelangt der Basisstrom zu den beiden Leistungstransistoren. Hochfrequenzeinkopplungen in den Basiskreis werden mit C1 und C10 gegen Masse abgeblockt. Mit P1 wird eine Symmetrierung der Transistoren Q2 und Q3 auf gleichen Kollektorstrom vorgenommen. R13 und R14 verringern die Strombelastung von P1. Über L2 und L3 erfolgt die Zuführung des Basistroms in den HF- Eingangskreis.
b.) HF-Weg
Die Hochfrequenz der Vorstufe gelangt auf den Eingangstrafo L1 und wird an dessen Sekundärseite frei vom Massebezug symmetrisch auf beide Transistoren aufgeteilt.
R17/C2 und R18/C3 heben die hohen Frequenzen zur Kompensation des Frequenzgangs an. Über R17 und R18 wird gleichzeitig die Symmetrierung des Basisstroms aufrechterhalten, der sonst durch L1 kurzgeschlossen würde. Über C19/R15 und C18/R19 wird ein Teil der Kollektorspannung auf die Basis zurückgekoppelt (Spannungsgegenkopplung), um Schwingungen zu verhindern. Die Zuführung der Betriebsspannung in den Kollektorkreis erfolgt über L4 welche HF Auskopplungen in die Stromregelschaltung verhindert, und anschließend über die Ausgangstrafo L6.
Über C13,C14,C15,C16 und C17 wird die HF gegen Masse abgeblockt. L6 ist ein Übertrager mit zwei Spulen, die so angeschlossen sind, dass sich der Gleichstrom durch beide Spulen zu Null addiert. Dadurch wird die Belastung des Magnetmaterials erheblich verringert. Aus diesem Grund ist es sehr wichtig, dass beide Spulen unmittelbar nebeneinander, eben bifilar verlaufen, da sonst eine teilweise Sättigung des Magnetmaterials auftritt. Zusätzlich hat eine solche Spule noch den Vorteil, dass sie als Trafo arbeiten kann und so für alle geradzahligen Oberwellen die Kollektoren beider Transistoren kurzschließt.
Beide Transistoren sind mit je einer Freilaufdiode D3 und D4 beschaltet. Diese verhindern im Fall eines Rückflusses von der Last ein Durchbrechen der C-B Diodenstrecke des Leistungstransistors. Dadurch würde HF vom Ausgang auf den Eingang gelangen und eine Schwingung angeregt werden. Jede Freilaufdiode ist noch mit einer Serienwiderstand/ Spulenkombination (R2 und R6) bedämpft, um Schwingungen in der Sperrphase zu vermeiden.
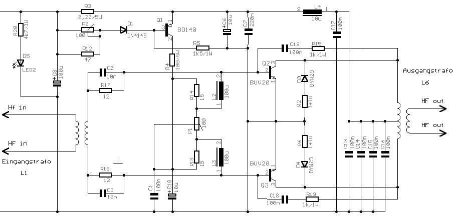
3.2.3.3. Stückliste der gesamten Schaltung
|
|
C12 |
220n |
|
|
C13-C17 |
100n |
|
R4 |
100/5W |
C18,C19 |
100n |
|
R5 |
1k5/1W |
C20 |
100n |
|
R8 |
2k2 |
|
|
|
R12 |
47 |
|
|
|
R13/R14 |
15 |
|
|
|
R15/R19 |
1k/1W |
L4 |
10u |
|
R17/R18 |
12 |
L6 |
Ausgangsübertrager |
|
R20 |
4k7/1W |
|
2x12Wdg.,13Wdg. |
|
P1,P2 |
100 |
D1 |
1N4148 |
|
C1 |
100n |
D2 |
5,6V Z-Diode |
|
C2/C3 |
10n |
D3,D4 |
BYW29 |
|
C6 |
10u Elko |
D5 |
LED rot |
|
C7 |
220n |
Q1 |
BD140 |
|
C8 |
100u Elko |
Q2,Q3 |
BUV20 |
|
C9 |
220n Elko |
Q4 |
BD243 |
|
C10 |
10u Elko |
Q5 |
BD139 |
|
C11 |
220u Elko |
F1 |
5A flink |
3.2.3.4.Gesamtschaltbild des Verstärkers:
3.2.3.5. Layouts
|
|
|
|
3.3. Gesamtaufbau

3.3.1. Transformator:
Um die empfindlichen HF –Schaltkreise nicht zu stören, wurde ein Ringkerntransformator verwendet.
Ringkerntrafos haben aufgrund ihrer Bauweise sehr geringe Streufelder.
Zu Beachten ist, dass bei Ringkerntrafos sehr hohe Einschaltspitzen auftreten können.
|
Leistungsschild: |
230V 50/60 Hz |
|
|
160 VA |
|
|
2x 18V 2x4,44A |
|
2x 5A Sicherung |
3.3.1. Brückengleichrichter:
3.4. Kühlung der Endstufe:
Da die Endstufe in Klasse A Einstellung arbeitet, hat sie eine entsprechend hohe Verlustleistung. Die A- Einstellung wurde deshalb gewählt, da nur damit ein stabiler und vor allem verzerrungsfreier Betrieb an allen Lasten möglich ist.
Im Betrieb müssen im schlechtesten Fall bis zu 40W Verlustwärme je Transistor abgeführt werden! Die 40W ergeben sich aus 40V Kollektorspannung und 1A Kollektorstrom pro Transistor. Diese maximale Verlustwärme tritt natürlich nur im Leerlauf oder Kurzschluss auf. Bei allen anderen ohmschen Lasten wird ein Teil der Leistung an den Lastwiderstand abgegeben. Bei optimaler Anpassung, also bei 40W Ausgangsleistung, werden nur mehr 20W je Transistor in Wärme umgesetzt.
3.4. Gehäuse
3.5. Arbeiten am Verstärker
Der Verstärker wurde nicht vollkommen nach der Vorlage ausgeführt, weshalb wir einige Änderungen auch im Aufbau vorgenommen haben. Auch tauchten während des Betriebs einige Fehlerquellen auf. Diese wurden schrittweise beseitigt.
3.6. Kennlinienaufnahme des HF-Verstärkers
Der Verstärker wird von einem Frequenzgenerator mit einer Wechselspannung variabler Amplitude und Frequenz versorgt. Vom Wert 200kHz beginnend wird die Frequenz in 100kHz Schritten erhöht und dabei die Eingangsspannung ständig auf eine Weise angepasst, dass am Ausgang des Verstärker stets ein optimales Sinussignal zur Verfügung steht.
Last: 9 Glühbirnen mit je 12V, 19W.

Diag
. 3.6.-1: Leistung und Wirkungsgrad des HF-VerstärkerAb einer Frequenz von 300 kHz erreicht der Verstärker erst seinen normalen Leistungsbereich. Erst ab dieser Frequenz beginnt der Ausgangsübertrager des Verstärkers ordentlich zu arbeiten. Wie zu erkennen ist, liefert das Gerät über einen grossen Frequenzbereich eine relativ konstante Leistung, welche sich aber noch unter Einbuße der Signalqualität (starker Oberwellengehalt) auf das Doppelte steigern ließe. Ab 1,5 MHz macht sich eine bei steigender Frequenz zunehmende Dämpfung bemerkbar. Die Ursache davon ist in den Grenzfrequenzen der Bauteile (Leistungstransistoren) zu suchen.

Diag. 3.6.-2: Darstellung von Strom, Spannung und Phasenverschiebung
Unter Wirkungsgrad ist das Verhältnis von abgegebener HF-Leistung zu der aufgenommenen Netzleistung zu verstehen. Da die aufgenommene Leistung stets den konstanten Wert von 190W hat, folgt die Wirkungsgrad-Kennlinie in groben Zügen der der abgegebenen Leistung.
Weiters ist zu bemerken, dass ab 1 MHz die Phasenverschiebung zwischen Strom und Spannung konstant zunimmt, das heißt, es ist ab dieser Frequenz eine konstante Totzeit von 60ns vorhanden.
Eine Erfassung über 2 MHz erschien uns aus dem Grund nicht sinnvoll, da sich der Nutzungsbereich des Verstärkers ohnehin um 500 kHz bewegt.
