|
Diplomarbeit der 5CEE |
HTL Wels 2001/2002 |
|
4.Messwiderstände |
4. Messwiderstände
4.1 Verwendung von Messwiderständen
Eine Leistungsmessung erfolgt durch Bestimmung von Strom, Spannung und der Phasenverschiebung zwischen ihnen. Die Wirkleistung der Anordnung läßt sich über die Beziehung
![]()
berechnen. P ist die Wirkleistung, U der Effektivwert der Spannung, I der Effektivwert des Stroms und j die Phasenverschiebung zwischen Strom und Spannung.
Um nun den zu messenden Strom auf einem Oszilloskop darstellen zu können, muß er erst in eine Spannung konvertiert werden. Am einfachsten verwendet man dazu einen definierten Widerstand, dessen Spannungsabfall proportional einem bestimmten Strom ist.
Die Messwiderstände, die wir uns zu diesem Zweck anschafften, verursachen bei den von uns verwendeten höheren Frequenzen eine hohe Phasenverschiebung und Dämpfung. Messungen mit ihnen waren absolut unmöglich. Messwiderstände für die von uns geforderten Frequenzen waren aber entweder sehr teuer oder für unsere zu messenden Ströme (1-3 A) nicht ausgelegt.
Deshalb sahen wir uns gezwungen, selbst Messwiderstände zu konstruieren und deren Eignung festzustellen.
4.2. Aufbau der Messwiderstände
Ein Widerstandsdraht wurde so abgelängt, dass er exakt 1 W hatte (gemessen mit einer Widerstandsbrücke). Dieser Draht wurde dann bifilar auf einen Keramikkörper aufgewickelt, um die Induktivität des Drahts zu kompensieren. Durch die Wicklungsart alleine ist das aber nicht hundertprozentig erreichbar. Eine parallele Kapazität sorgt einerseits dafür, dass die Restinduktivität wegkompensiert wird und unterdrückt zusätzlich als Tiefpass die Eigenresonanz des Aufbaus (bei uns ca. 10 MHz). Die Höhe der Kapazität (bei uns 10nF) wurde durch Versuche am konkreten Objekt festgestellt und in Form eines handelsüblichen Folienkondensators am Widerstand angeschlossen.
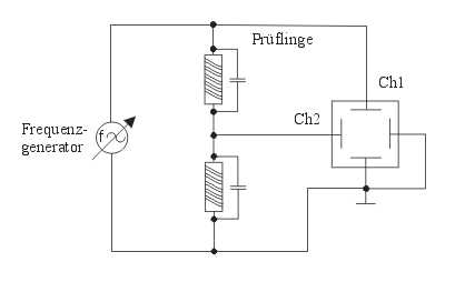
4.3. Messanordnung
Um diese Messung durchzuführen benötigt man zwei, exakt gleiche Messwiderstände. Um eine genaue Messung zu gewährleisten, müssen äußerst kurze Messleitungen verwendet werden. Es ist auch wichtig die Messleitungen nahe am Prüfling anzuklemmen.
Ziel der Messung ist es, das Frequenzverhalten der Widerstände aufzunehmen. Zu diesem Zweck werden sie einfach in Serie an einen Frequenzgenerator angeschlossen. Mit dem Oszilloskop wird die Gesamtspannung und der Spannungsabfall an einem Widerstand gemessen.
Wenn die Widerstände nun eine Dämpfung oder eine Phasenverschiebung erzeugen, wird dies auf dem Oszillosgramm sofort ersichtlich, da sich die beiden Signale nun nicht mehr bis auf die Spannungsteilung von 1/2 gleichen.
Diese von uns entwickelten und hergestellten Widerstände können in einem Frequenzbereich bis 700 kHz eingesetzt werden. Es können Ströme bis zu 5 A gemessen werden!
Abb. 4.3.-1: Messaufbau
|
Abb. 4.3.-2: Detail des Messaufbau |
Oszg. 4.3.-1 |
|
Die Messpunkte wurden möglichst nahe zum Testobjekt geführt. |
Oszillosgramm bei 416,7 kHz - keine Phasenverschiebung oder Dämpfung bemerkbar. |
|
Oszg. 4.3.-2 |
Oszg. 4.3.-3 |
|
Oszillosgramm bei 832,6 kHz - erste Unstimmigkeiten sind feststellbar. |
Oszillosgramm bei 2,037 MHz - Signalform läßt auf eine spätere unzuverlässige Messung schließen, obwohl Phasenverschiebung und Dämpfung noch nicht hohe Werte erreicht haben! |
