Back to main menu


L'ETRANGE DESCENTE D'APOLLO 17







Avant de regarder cette page, si vous n'avez pas encore vu la page montrant des anomalies dans la descente d'Apollo 11, vous devriez d'abord la regarder, car j'y explique des choses dans cette dernière que je ne réexpliquerai pas à nouveau dans cette vidéo.
Je vous rappelle que le lem n'a pas commencé la descente motorisée (i.e. la partie de la descente dans laquelle il utilise son moteur) dès qu'il a quitté l'orbite du module de commande, mais depuis une orbite rapprochée qu'il a atteinte après avoir suivi une orbite de transfert (i.e. une orbite naturelle qu'il suit sans utiliser son moteur, et qui l'amène plus près de la lune).








Ils disent:
"Le moteur de descente tourne d'abord à 10% de sa poussée pendant 26 secondes pour donner à l'ordinateur le temps de repérer le centre de masse du module lunaire. Il sera ensuite mis à la poussée maximale."





Il est important que la ligne de poussée soit alignée avec le centre de masse, sinon un torque de désalignement serait créé, lequel ferait tourner le module lunaire.





Le moteur de descente pouvait être pivoté, ce qui permettait d'aligner sa poussée avec le centre de masse, de sorte à éviter le torque de désalignement, et ainsi éviter la rotation du module lunaire.
Lorsque les réservoirs de carburant se vident, cela génére un décalage du centre de masse qui ferait que le centre de masse ne serait plus aligné avec la poussée du moteur, si le moteur n'était pas pivoté pour réaligner sa poussée avec le centre de masse.





Mais, au début de la descente motorisée, les réservoirs étaient encore pleins, et donc la poussée du réacteur était encore alignée avec le centre de masse, et donc ce réglage était inutile.
Il était seulement utile après que les réservoirs se soient vidés, et que le centre de masse se soit déplacé, mais il ne refont pas l'alignement plus tard quoique que cela aurait été utile de le refaire alors.









Ils disent:
"A intervalles de 30 secondes, si leur charge de travail le permet, l'équipage compare leur progression avec une table de valeurs attendues".

Oh vraiment, charge de travail?
Quelle charge de travail , l'ordinateur fait tout le boulot.
Faire cette comparaison signifiait la lecture de tous les paramètres de vol; mais cela prenait du temps, car ils ne pouvaient pas les lire tous en même temps, l'affichage étant trop limité.
Cela signifie qu'il ne lisaient pas les différentes valeurs en même temps, et donc lisaient des valeurs qui n'étaient pas synchronisées entre elles.
Les comparer avec une table de valeurs attendues n'avait donc pas de sens.









Ils disent:
"Le vaisseau spatial avait deux systèmes de guidage: PGNS est le principal, et AGS était le système de backup, seulement prévu pour la procédure d'abort. L'équipage les compare pour voir si leurs vecteurs d'état (vélocités et positions) concordent".

Les deux systèmes maintiennent leurs vecteurs d'état à partir des mêmes données et équations, et leurs vecteurs d'état devraient donc être les mêmes.
Maintenant les comparer n'a pas de sens, car cela prend du temps de lire les vecteurs d'état sur chacun des ordinateurs (à cause de la limitation des affichages), et le résultat est que les vecteurs d'état, qui changent constamment, ne se correspondront pas l'un avec l'autre.
Cela n'aurait pu avoir un sens que s'ils pouvaient instantanément acquérir les vecteurs d'état comme un tout sur chacun des ordinateurs, mais cette facilité n'était pas disponible.








Ils disent:
"MCC a mesuré leur vélocité en utilisant le système de radio S-Band et évalué l'erreur de portée dans le guidage".

La vélocité mesurée avec des signaux radar insérés dans la transmission donne seulement un résultat grossier.
Mais MCC n'a pas besoin de mesurer la vélocité de cette manière, car elle est parfaitement connue, comme le module lunaire part avec la vitesse orbitale de l'orbite de départ qui est parfaitement connue, et avec une vitesse verticale nulle (puisque la vitesse orbitale génére une force centrifuge qui compense exactement l'attraction lunaire).
Alors pourquoi mesurer la vélocité pour obtenir un résultat imprécis alors que la vélocité est en fait déjà parfaitement connue avec précision?








Ils disent:
"Ils donnent à l'équipage une valeur de décalage de 3400 pieds qui compensera pour l'erreur, et fera alunir le module lunaire à l'endroit correct."

Au lieu d'utiliser une vélocité parfaitement connue, le sol préfère utiliser une vélocité grossièrement mesurée.
Comme il y a une différence entre la vélocité théorique et la vélocité grossièrement mesurée, le sol donne à l'équipage une correction correspondant à cette différence.
Mais, comme l'erreur ne vient pas de la vélocité théorique, mais de la vélocité mesurée qui est imprécise, si l'équipage applique la correction indiquée par le sol, ils introduiront dans le guidage une erreur qui n'existait pas au lieu de corriger une erreur existante.
Ceci est bien sûr une blague de la part des ingénieurs.








Ils disent:
"H-dot représente leur vitesse verticale ou leur taux de descente."

Non, H-dot ne représente pas une vitesse verticale mais une position horizontale, ce qui est complètement différent.








Ils disent:
"Le fait d'éteindre un système et de le rallumer est un moyen commun d'enlever des conditions anormales dans un système électronique."

C'est bien sûr complètement ridicule; par exemple, si l'ordinateur était éteint et rallumé, il perdrait ses données courantes dont il a besoin pour calculer les suivantes.








Ils disent:
"Un des nombres de position dans l'AGS indique de combien ils se sont décalés à droite ou à gauche de leur trajectoire idéale".

Le module lunaire suit naturellement sa trajectoire, il n'a pas de raison de s'en écarter sur la gauche ou la droite, le guidage (utilisant des gyroscopes) fait continuellement des corrections pour rester sur la bonne trajectoire.
L'AGS n'a pas de moyen de savoir de combien le module lunaire dévie de sa trajectoire, car le guidage compense continuellement la déviation.
Ce serait stupide de penser que l'AGS saurait de combien le lem s'est écarté de sa trajectoire, et que le guidage ne ferait rien pour corriger cette dérive.
Et la trajectoire idéale est celle qui amène le module lunaire près de la surface lunaire avec des vitesses horizontale et verticale faibles; elle n'implique pas une direction spécifique.
Cela doit à nouveau être vu comme une blague.








Ils disent:
"la boule est le FDAI. Elle affiche leur attitude en faisant tourner une boule et elle devrait montrer un angle de tangage de 82 degrés."





C'est vrai, le FDAI permet d'afficher les angles de roulis et de tangage.
Mais il est gradué de 5 degrés en 5 degrés, ce qui signifie qu'il pourrait indiquer une valeur de tangage comprise entre 80 et 85 degrés, mais pas précisément 82 degrés.








Ils disent:

"Alors que le moteur continue de brûler, et que le LEM devient plus léger, la force du g augmente sur l'équipage. Ils se sentent plus lourds."
C'est complètement ridicule.
La force du g n'augmente pas parce que le lem devient plus léger, mais parce que, comme la vitesse horizontale décroît, il en est de même pour la force centrifuge, ce qui signifie qu'elle compense moins l'attraction lunaire, et donc le lem devient plus sujet à l'attraction lunaire.








Ils disent:
"Schmitt vérifie la tension sur les batteries qui alimentent les engins explosifs qui serviraient à séparer les étages dans une procédure d'abort."

Schmitt dit au sol que la tension des batteries est de 37,2 volts.
37,2 volts?
Mais la tension normale est de 28 volts!
Est-il sûr d'avoir bien lu? 27,2 volts paraîtrait une valeur plus normale.








Ils disent:
"Avant le départ, le module lunaire avait été tourné (autour de son axe longitudinal) de 70 degrés pour améliorer l'angle d'orientation de l'antenne haut gain vers la terre. A présent ils tourne de 20 degrés vers la gauche de sorte que le radar d'alunissage puisse voir la surface lunaire."

1) Le lem n'a pas besoin de tourner pour permettre à l'antenne de mieux voir la terre, car elle peut tourner d'elle même.
2) A la manière dont le radar d'alunissage est placé, tourner le lem autour de son axe longitudinal ne l'aide pas à mieux voir la surface lunaire.
Et le radar d'alunissage devrait être conçu pour être capable de voir la surface lunaire tout au long de la descente sans que le lem ait à changer son attitude pour lui permettre de voir la surface lunaire.









Ils disent:
"Ils comparent la valeur du radar pour la hauteur avec celle de l'ordinateur. Cette différence est connue comme le "Delta-H". Elle n'est pas trop importante. La donnée du radar peut être acceptée par l'ordinateur."

Ils répétent ici le même gag que dans la descente d'Apollo 11.
Le Delta-H est la différence entre la hauteur initiale et la hauteur courante.
Le radar donne une valeur mesurée pour ce Delta-H (différence entre l'altitude initiale et l'altitude donnée par le radar), et le guidage calcule une valeur estimée pour ce Delta-H, et le Delta-H n'est pas la différence entre ces deux valeurs.
Et, même en supposant que le Delta-H représente effectivement la différence entre la hauteur mesurée par le radar et la hauteur calculée par le guidage, pourquoi vérifieraient-ils quelque chose qui est automatiquement mis à jour par le guidage? Parce qu'ils craignent que l'ordinateur déconne? Le problème est que, sur cet ordinateur primitif, ils ne peuvent obtenir toutes les valeurs du guidage en même temps, mais sépararément une à la fois (avec un programme pour chacune); cela signifie qu'ils vont comparer des valeurs qui ne sont pas synchrones entre elles, et donc leur différence ne sera pas significative.









Ils disent:
"La donnée du radar va maintenant être graduellement "incorporée" dans les équations de guidage"

Lorsque disponible, la donnée du radar d'alunissage n'est pas "graduellement" incorporée dans les équations de guidage, mais immédiatement utilisée pour faire les calculs.
"Graduellement" ne signifie rien dans le guidage.









Ils disent:
"Eventuellement le radar et l'ordinateur vont converger vers les mêmes valeurs pour l'altitude et la vélocité".

Le radar ne donne qu'une valeur d'altitude, et non une vélocité; l'ordinateur obtient une vélocité à partir de l'altitude en la dérivant; l'ordinateur n'a donc rien pour comparer sa vélocité calculée avec.









Ils disent:
"Delta-H compare le PGNS avec le radar d'alunissage. Alors que le Radar détecte des montagnes à l'est du site, cela affecte le Delta-H, un bon signe que cela marche bien."

C'est une bonne plaisanterie:
Delta-H mesure une variation de distance verticale au sol lunaire, et les montagnes détectées ne sont pas à la verticale du module lunaire.









"Cernan tourne le lem (autour de son axe longitudinal) de 20 degrés vers la droite de sorte qu'il fasse directement face au ciel lunaire".

Juste avant de tourner, Cernan voyait la terre à travers le hublot.
Sur le site d'Apollo 17, la terre avait une élevation de 52°; cela signifie que, lorsque Cernan voyait la terre à travers son hublot (et il a dit qu'il ne voyait qu'elle), la direction de l'avant du module faisait avec l'horizontale un angle proche de 50°.
Puis il tourne le module de sorte que le hublot fasse face au ciel lunaire, et donc de sorte que la direction de l'avant du module fasse un angle de 90° avec l'horizontale; cela fait une différence proche de 40° avec l'orientation précédente, mais Cernan n'a du tourner le module que de la moitié pour couvrir cette différence!
C'est la magie de madame la lune!









Ils disent:
"Le moteur opère maintenant en portée réglable de sorte que l'ordinateur puisse diriger sa poussée pour voler sur la trajectoire idéale".
Le moteur ne pouvait pas être ajusté en portée, seulement en poussée, et sa poussée est automatiquement ajustée par le guidage pour suivre la trajectoire calculée.
Cette phrase ne veut donc rien dire, et sort directement de l'esprit délirant des ingénieurs.









Ils disent:
"Des deux systèmes indépendants pour mesurer la quantité de carburant restante, celui qui indique la valeur la plus basse est choisi pour être surveillé."
Un système peut indiquer une valeur plus basse que l'autre à un moment donné, mais les choses peuvent s'inverser ultérieurement, et cela peut ensuite être l'autre qui indique la valeur la plus basse.
Cela veut dire que les deux systèmes devraient être constamment surveillés, et l'indication la plus basse des deux retenue à chaque fois.
Ils avaient déjà joué cette blague dans la descente d'Apollo 11.









Ils disent:
"Schmitt va mettre à jour l'AGS en lui passant les nombres des vecteurs d'état du PGNS".

L'AGS n'a normalement pas besoin d'être mis jour avec les vecteurs d'état du PGNS car il utilise les mêmes équations et données, et obtient donc les mêmes vecteurs d'état.
Maintenant, mettre à jour l'AGS à partir du PGNS aurait pu avoir un sens si les vecteurs d'état avaient pu être instantanément mis à jour à partir de ceux du PGNS.
En effet, pour faire la mise à jour, Schmitt dit d'abord lire les 6 valeurs des vecteurs d'état sur le PGNS, et ensuite les taper sur l'AGS, mais ceci prend du temps, et, d'ici que Schmitt ait fini de rentrer les vecteurs d'état dans l'AGS, ils auront déjà changé sur le PGNS, ce qui veut dire que Schmitt aura en fait mis à jour l'AGS avec de mauvais vecteurs d'état, non synchronisés avec ceux du PGNS; ceci est d'autant plus absurde que, avant de faire la mise à jour, les vecteurs d'état étaient sans doute corrects sur l'AGS.
Il est évident que, s'il avait été nécessaire de mettre à jour les vecteurs d'état sur l'AGS à partir du PGNS, les ingénieurs auraient mis en place un système pour faire un transfert direct entre les deux ordinateurs, sans nécessiter l'intervention d'un astronaute (de plus l'astronaute pouvait faire une erreur de frappe).









Ils disent:
"Schmitt rentre manuellement l'information d'altitude depuis le radar dans l'AGS".

C'est le même gag que le précédent.
L'information d'altitude devrait être directement rentrée dans l'AGS, Schmitt ne devrait pas avoir à la rentrer lui-même, car, d'ici à ce qu'il ait fini de la rentrer, elle aura déjà changé.









Ils disent:
"Dès que le programme 64 commence, le module lunaire va se pencher en avant pour permettre d'avoir une meilleure visibilité du site d'alunissage".





Et:
"Challenger reprend une attitude plus verticale alors que le programme 64 commence la phase d'approche de la descente".






Le module lunaire ne devrait définitivement pas se pencher juste pour permettre de voir la surface lunaire.
Si les astronautes ont besoin de voir la surface lunaire, ils devraient être équipés avec un système optique leur permettant de la voir.
En effet, lorsque le module a perdu la plus grande partie de sa vitesse horizontale, la force centrifuge n'est plus là pour contrer l'attraction lunaire, ce qui signifie que le lem doit conserver une attitude verticale de sorte à pouvoir contrer l'attraction lunaire avec son moteur.
Si le lem volait horizontalement, la lune l'attirerait, et il s'écraserait sur la lune.





Certains pourraient dire: le lem n'a pas besoin de voler complètement horizontalement, il pourrait voler de biais de sorte qu'une partie de sa poussée puisse contrer l'attraction lunaire.
Oui, mais dans ce cas la partie horizontale de la poussée ferait rapidement gagner une importante vitesse horizontale au lem, et ce n'est pas souhaitable.





Si le lem faisait la maneuvre que nous voyons dans cette partie de la vidéo, il ne pourrait pas rester aussi stable, nous le verrions cahoter et gagner de la vitesse horizontale.
Ce que nous voyons est complètement irréaliste.








Ils disent:
"L'ordinateur peut maintenant indiquer à Cernan où ils les emmène sur la surface lunaire. Ceci est le LPD (Landing point designator)"



Et:
"Schmitt lit des angles sur l'ordinateur qui disent où regarder sur les lignes gravées sur la fenêtre. Ceci est le point visé par l'ordinateur."



Et:
"Cernan redéfinit le point d'alunissage à l'ordinateur en tournant temporairement sur la gauche."
Ceci requiert une explication.









De manière que les astronautes soient capables de dire à l'ordinateur où exactement poser le module lunaire, ils utilisaient un système appelé "landing point designator", utilisant une échelle graduée imprimée sur la fenêtre.






Un astronaute lisait sur l'affichage de l'astronaute sur quelle graduation de l'échelle l'ordinateur voyait le point d'alunissage, et l'annonçait à l'astronaute qui regardait par la fenêtre.
Le second astronaute regardait sur l'échelle sur quelle graduation il voyait le point d'alunissage désiré, et puis faisait sur une manette autant d'actions que la différence entre la graduation de l'ordinateur et la sienne, de manière à dire à l'ordinateur comment corriger sa trajectoire pour atteindre le point d'alunissage désiré.





Mais ce système était absurde, car il accumulait les délais.
D'ici à ce que Cernan ait fini ses actions sur la manette, son point d'alunissage désiré avait déjà changé de graduation, et le point d'alunissage de l'ordinateur était aussi déjà sur une autre graduation que celle annoncée par Schmitt.
Il est tout à fait évident que ce système n'avait aucune chance de fonctionner, et que le module était presque sûr de manquer le point d'alunissage désiré.









Donc, est-ce qu'il y avait un meilleur système pour désigner le point d'alunissage désiré?
Bien sûr il y en avait un; Cernan aurait du regarder à travers un système optique et aligner un réticule sur le point d'alunissage désiré, et alors pousser sur un bouton pour dire à l'ordinateur que le réticule était sur le point d'alunissage désiré, et l'ordinateur aurait immédiatement connu l'endroit du point d'alunissage désiré.
Mais comment l'ordinateur aurait-il pu savoir comment Cernan manipulait le système optique?





Très simplement, parce que le système optique aurait fait tourner deux roues disposées perpendiculairement, et qui auraient chacune envoyé des impulsions qu'un système électronique aurait pu compter ou décompter pour mettre à jour la position dans chaque direction.





C'est d'ailleurs la manière dont une souris mécanique fonctionne; au fur et à mesure que vous déplacez la souris, une boule sphérique tourne, laquelle fait tourner deux roues disposées perpendiculairement, lesquelles envoient chacune des impulsions à une circuiterie électronique alors qu'elles tournent, et qui sont comptées ou décomptées pour mettre à jour la position dans les deux directions alors que la souris bouge.
Et si vous demandez si cette technologie existait au temps d'Apollo, oui, elle existait, car c'est une technologie relativement simple, qui était disponible et utilisée en ce temps.
Cela signifie que les ingénieurs auraient parfaitement pu concevoir un système rationnel qui aurait pu donner de bons résultats au lieu de ce système complètement irrationnel qui avait toute chance de mal marcher.









Imaginez si, au lieu que le curseur de votre souris se déplace en même temps que les déplacements de votre souris...





...Vous ayez à cliquer la souris autant de fois que la distance entre la position courante et la nouvelle position désirée pour y déplacer le curseur souris...




..Vous finiriez probablement par jeter votre ordinateur par la fenêtre!
Et dans le désignateur de point d'alunissage d'Apollo, c'était encore pire, car Cernan ne voyait pas directement la position du point d'alunissage sur l'échelle graduée, mais Schmitt devait la lui dire après l'avoir lue sur l'écran de l'ordinateur!
Une preuve de plus que les ingénieurs n'avaient pas l'intention de concevoir un système rationnel pour un module lunaire dont il savaient parfaitement qu'il ne se poserait jamais sur la lune.








Ils disent:
"L'ordinateur est maintenant dans le programme 66 qui permet à Cernan de contrôler l'attitude du lem, et donc la direction de la poussée du réacteur."





Non, Cernan ne doit certainement pas changer la direction de la poussée du réacteur.
Le réacteur principal doit absolument rester vertical pour contrer l'attraction lunaire, et ce sont les réacteurs horizontaux latéraux qui doivent être utilisés pour déplacer latéralement le module lunaire.





Il n'est absolument pas conseillé de pencher le module lunaire pour déplacer le module lunaire.
la rotation du module lunaire n'est pas aisée à contrôler, car la poussée des réacteurs latéraux ne peut pas être ajustée, et que leur contrôle est assez lent.
De plus le réacteur principal donnerait une poussée trop importante qui accroîtrait de trop la vitesse horizontale.





Il est donc bien mieux de garder le lem vertical, et de seulement déplacer le module lunaire avec les réacteurs latéraux horizontaux, qui peuvent déplacer le module lunaire dans toutes les directions.
Mais, pour déplacer le module lunaire dans une direction, les réacteurs latéraux correspondants ne doivent pas être mis à feu de manière permanente, car, comme il n'y a pas d'air sur la lune pour le freiner, la vitesse horizontale augmenterait constamment.





Donc, ils doivent seulement être mis à feu pendant le temps nécessaire pour atteindre la vitesse désirée, et puis éteints.
Inversement, pour arrêter le module lunaire, les réacteurs poussant dans la direction opposée doivent être mis à feu juste le temps nécessaire d'annuler la vitesse horizontale.








Ils disent:
"Additionnellement, Cernan peut ajuster à quelle vitesse ils descendent en agissant sur la manette de réglage vers le bas ou vers le haut. Chaque appui change la vitesse d'un pied par seconde."
Non, absolument pas, les astronautes ne doivent pas avoir le contrôle de la vitesse de descente, c'est bien trop dangereux.
En effet, ils sont maintenant proches de la surface lunaire, et, s'ils programmaient une vitesse de descente inappropriée, ils seraient pratiquement sûrs de s'écraser sur la lune.
C'est à l'ordinateur de contrôler la vitesse de descente, car il peut mieux voir la surface lunaire avec son radar que les astronautes, et il peut automatiquement adapter la vitesse de descente à la hauteur restante.





Mais, si le fait d'avoir une manette pour contrôler la vitesse de descente n'a pas de sens, d'un autre côté, en avoir une pour contrôler la vitesse latérale en a un.
En effet, cela permetrait aux astronautes de déplacer le module lunaire un peu vite lorsqu'ils voient leur point d'alunissage désiré à quelque distance, et plus lentement lorsqu'ils s'en approchent.








Ils disent:
"La poussière soulevée par l'échappement du réacteur est bien moins importante que sur les autres sites."
Mais ce n'est pas de la poussière que nous voyons projetée depuis le sol.





Comme dit dans une vidéo précédente, ce sont manifestement des faisceaux lumineux.








Ils disent:
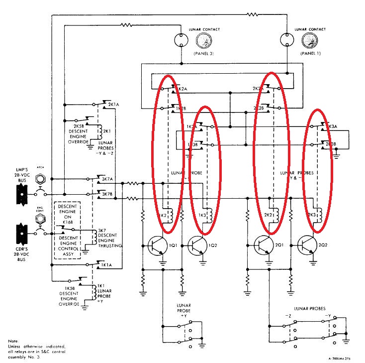
"Des sondes d'une longueur de 1,5 mètre pendent sous trois des pieds du module. Lorsqu'une d'elles touche la surface, une lampe s'illumine dans la cabine. C'est une indication pour arrêter le moteur."






Il y avait effectivement des sondes pendant sous les pieds du module lunaire qui détectaient le sol lunaire en peu avant que le module lunaire ne touche lui-même le sol.
A ce moment, le moteur devait être coupé, car il aurait été dangereux de le laisser fonctionner alors que le module lunaire reposait sur le sol, comme sa jupe était assez proche du sol lunaire, et cela aurait pu endommager le module lunaire.





En effet, vous pouvez voir sur cette photo d'Apollo 11 que la jupe du réacteur était assez proche du sol lunaire lorsque le module reposait sur le sol, et cela pourrait même être pire, car il pourrait y avoir une bosse juste sous le réacteur, rendant la jupe encore plus proche du sol, comme ils alunissaient sur un sol inconnu, qui pouvait ne pas être plat.









Mais, pour allumer les lampes avertissant les astronautes qu'ils devaient éteindre le réacteur, la circuiterie électronique détectant les sondes utilisait des relais électromécaniques que j'ai cerclés. La propriété d'un relais électromécanique est qu'il peut automatiquement fermer (ou ouvrir) un interrupteur lorsqu'il est activé.
Cela signifie que cette circuiterie aurait pu directement couper le moteur sans avoir à requérir l'intervention des astronautes pour ce faire...Surtout que, pour juste allumer une lampe, il n'y a pas besoin d'un relais électromécanique, cela peut être fait juste avec des transistors.
Cela aurait été plus sûr de faire couper le moteur directement pas un relais électromécanique, car cela aurait évité le temps de réaction imprévisible humain.









Et c'était même pire; car le bouton qu'ils devaient presser pour couper le moteur ne changeait pas directement un interrupteur pour couper le moteur, mais activait un relais électromécanique (cerclé de vert sur le schéma extrait de la documentation de la NASA) permettant de le couper; mais, au lieu de fermer un contact (cerclé de rouge sur le schéma) qui permettait d'envoyer un courant dans la bobine du relais électromécanique, le bouton, lorsque pressé, l'ouvrait à la place, et c'est quand il était relâché, et refermait le contact, qu'il envoyait le courant dans la bobine du relais électromécanique, ce qui alors seulement coupait le moteur.





Cela signifie que le moteur n'était pas pressé lorsqu'ils pressaient le bouton, mais après son relâchement complet.






Ceci ajoutait un nouveau délai pour couper le moteur.
Et, dans l'excitation du moment, il était possible qu'ils oublient de relâcher le bouton, et laissent le doigt sur le bouton d'arrêt du moteur, avec la conséquence que le moteur serait encore à feu lorsque le lem toucherait le sol, avec des conséquences qui pourraient être catastrophiques.
Mais il était hors de question pour les ingénieurs de la NASA de concevoir un système normal sûr pour un module lunaire qui n'alunirait jamais.









Observez l'ombre de la sonde lunaire que j'ai cerclée sur cette image que j'ai extraite de la vidéo (et sur laquelle j'ai ajouté un peu de luminosité, car elle était un peu sombre).
L'ombre de la sonde lunaire est anormalement longue et épaisse.






Pour vous donner une idée, ce gros plan d'une photo d'Apollo 16 montre une patte du module lunaire avec une sonde lunaire à son pied; voyez l'importante différence entre les deux.






Et cette anomalie ne peut être expliquée par le fait que la sonde lunaire serait plus proche du sol, car elle ne fait qu'un mètre et demie de long, et son épaisseur est constante sur l'image.





Et observez la sonde lunaire de l'autre patte visible sur cette image extraite de la vidéo (sur laquelle j'ai ajouté un peu de luminosité pour la rendre plus visible).
Elle est plus fine que la première, mais nous pouvons voir que sa direction n'est pas verticale, alors qu'elle devrait l'être.









Puis observez la forme de l'ombre.





Le lem a aluni au lever du soleil, ce qui signifie que la lumière du soleil avait une faible inclinaison, que j'ai représentée avec une flèche verte (d'ailleurs on peut voir sur les photos de la mission que le lem a une ombre assez longue).
Mais, à la manière dont on voit l'ombre sur la vidéo, il est manifeste qu'elle apparaît comme si la lumière du soleil était plus verticale, suivant une direction que j'ai représentée avec la flèche rouge.









Et il y a une surprise finale sur l'ombre du lem après que le module lunaire se soit finalement posé.





Observez l'antenne S-Band sur l'ombre, que j'ai cerclée de rouge.
Vous pouvez clairement voir qu'elle est orientée vers l'arrière du module lunaire.





Mais ce n'est pas ce que nous voyons sur les photos de la mission.





En effet...





Sur cette photo, l'antenne S-Band est orientée de manière complètement différente, ce qui est d'ailleurs logique vu les positions relatives du soleil et de la terre (l'antenne S-Band doit toujours pointer vers la terre, puisqu'elle doit communiquer avec).





Nous avons donc un désaccord ici: L'antenne S-Band est orientée vers l'arrière du lem sur l'ombre du lem juste après l'alunissage, mais elle est plus tard orientée différemment!
Nous avons affaire à un nouveau tour de magie lunaire!









Mais, après tout, Dieu est là pour veiller sur la mission, alors elle ne peut pas échouer!

Site hosted by Angelfire.com: Build your free website today!