RLC Filters
Objective: The objective of this lab was to review how capacitors and inductors work together in an RLC circuit and to observe the frequency dependence of gain in theses AC circuits.
PART 1: Low Pass RC Filters

R1= 33K Ώ
C1= 0.001 µF
The signal generator is set at 100Hz and the DMM reads 5.0 V. Then I measured the Voltage for seven different frequencies the following is my results from part 1
| Frequency (KHz) | Voltage out (V) | Gain (Vout/Vin) | ώ=2πf | Gain (dB) |
| 1.0 | 4.9 | 0.98 | 6300 | -0.175 |
| 2.0 | 4.6 | 0.91 | 12600 | -0.800 |
| 4.0 | 3.7 | 0.74 | 25100 | -2.569 |
| 6.0 | 3.0 | 0.61 | 37700 | -4.351 |
| 10.0 | 2.1 | 0.42 | 62800 | -7.494 |
| 20.0 | 1.1 | 0.23 | 125700 | -12.841 |
| 40.0 | 0.59 | 0.20 | 251300 | -14.067 |

| B (slope)= | 0.53413169 | ± | 0.16414341 |
The circuit we built was a low pass RC filter. The circuit is called a low pass RC filter because it allows low frequencies to pass through, but for high frequencies it acts like a short circuit across the capacitor, which attenuates those frequencies. The break frequency in a low pass filter is equal to 1/RC The break frequency is when the circuit starts to attenuate the waves as they try to pass.
My results came out as expected. The only problem I had was in making my graph, I tried to make a log-log graph to show the slope of the line but I couldn't figure out how to graph it properly
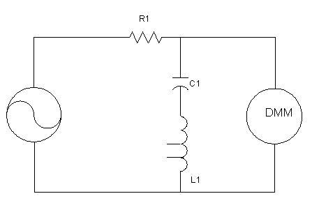
PART 2: Parallel LC filter

R1 = 1 KΏ
C1 = 0.01 µF
L1 = 0.055 mH
| Frequency (Hz) | Voltage out (V) | Gain (Vout/Vin) | ώ=2πf |
| 4.0 | 0.008 | .0016 | 25100 |
| 8.0 | 0.013 | 0.0026 | 50200 |
| 16.0 | 0.027 | 0.0054 | 100500 |
| 24.0 | 0.047 | 0.0094 | 150800 |
| 40.0 | 0.092 | 0.0184 | 251300 |
| 80.0 | 0.690 | 0.138 | 502700 |
| 160.0 | 0.083 | 0.017 | 1005300 |
| 73.7(Peak f) | 1.67 | 0.334 | 463070 |
| 76.2 (half power) | 1.18 | 0.236 | 478800 |
| 70.6 (half power) | 1.18 | 0.236 | 443600 |

The graph for this part came out as expected, just not as symmetrical as I expected but the shape of it is correct. The gain for the Parallel RLC filter should be equal to
=Gain
The central peak of the graph or the peak
frequency should be equal to 1/
The peak
frequency in my graph was 463070 Hz. For the circuit we built the peak
frequency should be approximately ώ = 1.25E6
Hz. The percent error is about 63.0 %, the error is a bit
high but there is a lot of error involved in the experiment. the expected quality
factor (Q) for this filter circuit was
Q = (L/R²C)^½ = 2.35
The experimental value for Q was equal to
ώ°/Δώ = 13.15
A percent error of 459.6%
PART 3: Series LC Filter

| Frequency (Hz) | Voltage out (V) | Gain (Vout/Vin) | ώ=2πf |
| 4.0 | 2.06 | 0.412 | 25100 |
| 8.0 | 1.11 | 0.221 | 50200 |
| 16.0 | 0.54 | 0.108 | 100500 |
| 24.0 | 0.34 | 0.068 | 150800 |
| 40.0 | 0.16 | 0.031 | 251300 |
| 80.0 | 0.02 | 0.004 | 502700 |
| 160.0 | 0.24 | 0.047 | 1005300 |
| 73.9(Peak f) | .0047 | 0.00094 | 464300 |
| 74.8(half power) | .0067 | 0.00134 | 470000 |
| 72.4 (half power) | .0067 | 0.00134 | 454900 |

For the final part of this experiment we constructed a circuit similar to that of the last part, except the capacitor and inductor are in series rather than in parallel. my results for this part aren't as I expected. The graph of ώ vs. gain should have been the reverse of the graph for part 2 with low point at 1/√LC or ώ = 1.25E6 my percent error for this part was very similar to that of the last at 62.8 %. since the errors between the 2 parts are so similar, the errors were probably due to the same thing. As for the error in the shape of my graph, it was probably and error in my last measurement because if you were to move that last point up to the expected position the graph would look like it was suppose to. the expected quality factor for this filter was Q = 0.742 the experimental value of 30.75 an experimental error of 4044.2%