Site hosted by Angelfire.com: Build your free website today!

na index zpátky na index

TENS do kapsysafe5.gif (217 bytes)

safe3.gif (170 bytes)Popisovaná konstrukce je a není určena pro začátečníky. Přístup, který jsem nakonec zvolil, je směsí obou možností - výklad konstrukce bude dostupný i začátečníkovi, ale do konstrukce jsou založeny drobné chyby a aspekty, znemožňující její dokončení bez alespoň triviálních zkušeností a znalostí elektroniky. Konstrukce je navíc navržena tak, aby neumožňovala velký výkon bez jistých úprav, které ale budou naznačeny. Kdo se tedy může o konstrukci pokusit - jedinec, ovládající páječku a základy pájení na plošném spoji, schopný si plošný spoj nakreslit nebo vyrobit fotocestou a vyleptat. Schéma konstrukce vychází z publikovaných řešení pro jednoduché jednotky a je poměrně snadno rozšiřitelné a modifikovatelné. Předností je i necitlivost   k parametrům součástek. Kapesní rozměr konstrukce ji ale z jedné strany předurčuje spíše pro light nasazení, ze strany druhé pak klade zvýšený nárok na konstrukční dovednost, neb uvnitř není ani kubický centimetr nevyužitého prostoru. Pro usnadnění práce jsou přiloženy jednak zdrojové soubory pro OrCad a generátor plošných spojů, jednak skeny jejich výstupů. Soubor PCB.TIF je připraven pro rozlišení laserového tisku, na většině laserových tiskáren s rozlišením 600x600 dpi tak lze předlohu plošného spoje vytisknout v měřítku 1:1.

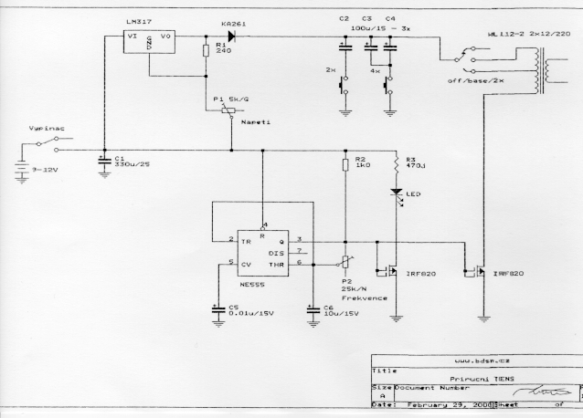
Konstrukce se skládá z řiditelného zdroje napětí, vlastního generátoru a výkonové části. Řiditelný zdroj je postaven kolem stabilizátoru LM317 v takřka katalogovém zapojení, výstupní napětí pro výkonovou část nastavuje potenciometr P1. Ten je ve finální konstrukci spojen s vypínačem (1 na obrázku 1). Generátor je tvořen časovačem 555 v katalogovém zapojení, frekvenci řídí potenciometr 2, odpor R2 je ochranný a znemožňuje nastavení rezonanční frekvence výstupního trafa. Výkonová část je tvořena trafem 2x12/220 V a spínacím tranzistorem. Přepínačem lze zvolit převod 1:9,2 nebo 1:18,5. Energie impulsů na výstupu je dána jednak objemem a materiálem jádra transformátoru, jednak velikostí náboje, který je k dispozici na spínači připojitelných kondenzátorech C2-C4 (2 na obrázku 1) a napětím na nich. Změnou těchto parametrů lze v dosti širokém rozmezí ovládat intenzitu impulsů na výstupu trafa. V kapesním provedení s destičkovým napájecím článkem zázraky nečekejte :-)

Zobrazená konstrukce je vestavěna do krabičky U-TLH, pro kterou je přizpůsoben i plošný spoj, který při trochu pečlivé práci drží ve vymezeném prostoru samosvorně.Přístrojové svorky umožňují jak připojení banánků, tak i holého vodiče nebo otevřeného kabelového očka. Jejich velikost a barevné provedení jsou dány spíš psychologickým aspektem, pro jednotky mA, používané v bdsm praxi by vyhovělo mnohem lehčí a menší provedení. Stejně tak je zbytečné i barevné odlišení polarity, které ale dává dominantovi možnost rozehrát celé spektrum emocí s barevnými kabely a elektrodami :-) Při umístění svorek  je třeba dát pozor na dostatek místa pro plošný spoj, který by měl být umístěn pod jejich upevňovacím šroubem - viz bod 3 na obrázku 1. Všimněte si, že kablík, spojující svorky s plošným spojem je svinut do smyčky - její dostatečná délka se bude hodit při oživování. Skutečnou délku smyčky ukazuje obrázek 2. Potenciometry jsou plastové PIHER a k plošnému spoji jsou přilepeny. Aby bylo možno nasadit horní část krabičky, jsou jejich hřídele zkráceny. Před přilepením doporučuji na zadní straně potenciometru potřít vazelínou volný okraj hřídelky - draze vykupená zkušenost z vývoje. Stísněná konstrukce si žádá úpravu délky a směrování vývodů potenciometrů, více napoví obrázky. Vývody jsou s plošným spojem spojen krátkými kablíky. Indikační dioda napájení 6 (není ve schématu) se svým odporem a přepínače výkonu 5 jsou umístěny do horní části krabičky a s plošným spojem jsou spojeny plochým kablíkem 4. Diody indikace provozu jsou vestavěny do přepínačů 5. Použil jsem provedení P-DS na panel, které nevyžaduje upevňovací armaturu a vyhovuje rozměrově - délka vývodů si ale vynutila umístění odporu R1 v místě, označeném X naležato. Plochý kablík je opět rozměřen s bohatou rezervou a do konstrukce je harmonikově poskládán. Ve zobrazeném provedení je přístroj napájen devítivoltovým akumulátorem o rozměrech destičkové baterie. Tu lze použít také, ale výkon bude výrazně menší. Hmatníky potenciometrů jsou kovové, se závrtnými červíky - vyberte dle svého vkusu.

A nyní prosím dobrý pozor - ačkoliv celé zařízení vypadá jako hračka, není jeho použití možné bez dodržení několika základních zásad. Tou první je zásada konsenzuality - přístroj lze použít pouze na základě oboustranného souhlasu zletilých a svéprávných osob, které jsou si vědomy možného nebezpečí a mnohdy značné bolestivosti provozovaných praktik. Další je zásada bezpečnosti - nikdy nepoužívejte přístroj ke stimulaci drah, vedoucích přes hlavu a srdeční sval. Nikdy přístroj nepoužívejte ani nemodifikujte tak, aby jeho výstupní proud mohl překročit 15 mA. Každý používaný postup si ověřte na sobě. Nepoužívejte zabodnuté nebo podkožní elektrody a nevkládejte elektrody do úst a pod oční víčka. Autor se výslovně zříká jakékoliv odpovědnosti na újmy zdraví a/nebo majetku, vzniklé v souvislosti s jakýmkoliv využitím informací, zde obsažených.

Co je přiloženo:

schéma (146k) - schéma ve formátu JPG (146 k)
schéma (6k) - schematic file  pro OrCAD (2 k)
PCB(76k) - výkres plošného spoje ve formátu TIF, připravený pro tisk (76 k)
schéma (6k) - layout file  pro PCB generátor (2 k)
pohled 58 k - celkový pohled na zařízení JPG (58 k)
pohled 58 k - detailní pohled na rozložené zařízení JPG (365 k !! )
pohled 343 k - pohled na částečně zkompletované zařízení JPG (343 k !!)
pohled 343 k - detail montáže JPG (347 k !!)

na index zpátky na index