Keep in mind that Superdraw describes each line in a drawing by three attributes:
When using a Superdraw drawing, the group number specifies the material properties and the surface number specifies element loading properties. The layer number is used for graphical filtering or sectional properties for beams.
In a Superdraw drawing, each entity is characterized by a unique surface number and a unique group number. For more details on using surface and group numbers in your model.
Gap elements are two-node elements formulated in three-dimensional space. They are added in Superdraw using the "Add:FEA add:Gap" command, and are displayed as a line with an arrow at both ends.
Each model can contain up to 255 different gap definitions. Gap definitions are distinguished by the color you assign when you graphically model the gap in Superdraw.
Gap elements are defined by two end nodes specified in three-dimensional space. Only the element's axial forces are calculated for each element. No element-based loading is defined for gap elements.
In general, there are three applications for gap elements. Each has its own characteristics in terms of element input. They are briefly summarized as follows:
| Application Type | Element Direction | Input Element Stiffness |
|---|---|---|
|
Element must be aligned with global X, Y or Z axis | 3 or 4 orders of magnitude larger than the other normal stiffnesses in the structure |
|
Element may be defined in any direction | Same order of magnitude of the other normal stiffnesses in the structure |
|
Element may be defined in any direction | Actual spring constant calculated from the foundation soil |
Excessively stiff gap elements (i.e., with very large spring stiffness) that are not aligned with the global coordinate system should be avoided. Such elements introduce large off-diagonal values into the structural stiffness matrix and cause solution difficulties. The resulting solution may also be inaccurate. The provided spring stiffness -- about 3 or 4 orders of magnitude larger than the other normal stiffnesses in the structure -- is usually sufficient for rigid gap elements used in application type (1).
There are four types of gap elements:
| Description | Gap Space | Explanation |
|---|---|---|
| Compression with gap | Distance between two end points | Spring is not activated until Gap is closed. |
| Tension with gap | Distance between two end points | Spring is not activated until Gap is closed. |
| Compression without gap | Zero gap | Spring is always active. |
| Tension without gap | Zero gap | Spring is always active (See example) |
A compression gap is not activated until the gap is closed; a tension gap is not activated until the gap is open. Therefore, the structural behavior of a finite element model associated with gap elements is always nonlinear because of its indeterminate boundary condition, i.e., whether the gaps are closed or opened is not known in advance.
In this analysis, the materials of the structures used in the finite element model are assumed to be linearly elastic and to have small deformation. The geometric stiffness, nonlinear strain of the element and the friction force between two surfaces due to sliding are not considered. Therefore, the loading and unloading do not dissipate the energy. The stress and strain of the structure are completely defined by the final deformed geometry which is independent of the loading history.
The nonlinear structural analysis with gap elements is linearized into many piecewise linear calculation steps. At the beginning of each load increment, it is assumed that there is no additional closing or opening gap. Then during the loading process, when any gaps are closed (compression gap) or opened (tension gap) over the specified gap space, the structural global stiffness is reformulated to include the stiffness from the gap element and the load vector is scaled down to the value that just makes the gap close or open precisely. The deformations of the structure are updated for each load increment. This process continues until the full loading is completely applied.
Some other restrictions are:
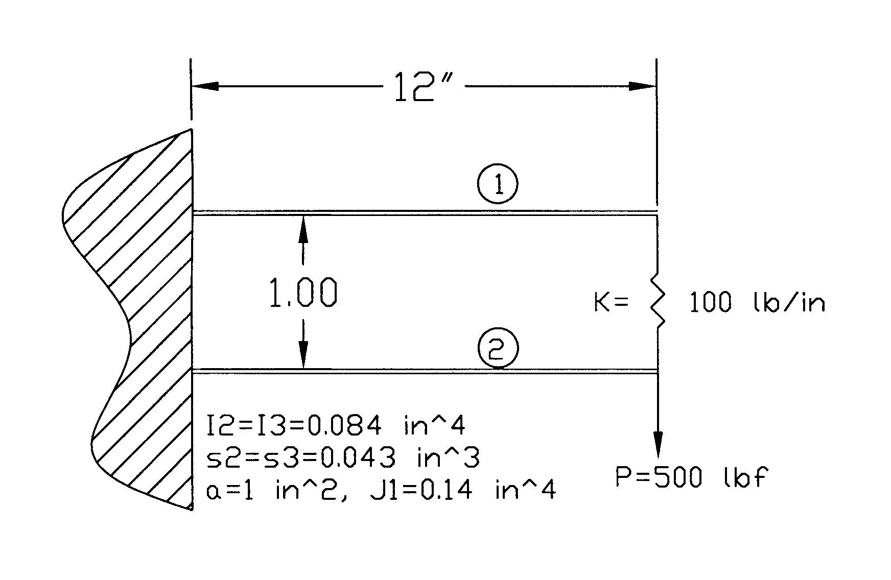
Example: Material Steel ASTM -A36

Results

Net Deflection is 0.11646-0.0027112 = .113749 in X 100 lb/in = 11.375 lb, Compare to value obtained from gap element below.

Exact!
Return to main page.
file:me420\vol8\gap.html, example archive is ..\vol8\gap.ach, jpgs:gapexample2.jpg, gapexample.jpg, Gap.jpg