Site hosted by Angelfire.com: Build your free website today!
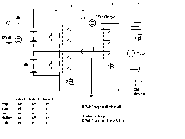
Ok lets start with some simple circuits. The following series/parralel controllers don't require anything more complicated than switches and relays.
I hope to have some info on building PWM controllers here soon, in the mean time check out 4QD's page for details on how PWM controllers work and a schematic for a simple 12-24V PWM motor controller.
For those of you who are using NiCad batteries, here is Forrest Cook's temperature controlled NiCad charger. Here is the schematic and here is a description of how it works