SPECIAL APPLICATIONS-
UNDERWATER WELDING-
WARNING
Safety precautions must be exercised in underwater cutting and welding. The electrode holder and cable must be insulated, the current must be shut off when changing electrodes, and the diver should avoid contact between the electrode and grounded work to prevent electrical shock.
a. Underwater Arc Cutting. In many respects, underwater arc cutting is quite similar to underwater gas cutting. An outside jet of oxygen and compressed air is needed to keep the water from the vicinity of the metal being cut. Arc torches for underwater cutting are produced in a variety of types and forms. They are constructed to connect to oxygen-air pressure sources. Electrodes used may be carbon or metal. They are usually hollow in order to introduce a jet of oxygen into the molten crater created by the arc. The current practice is to use direct current for all underwater cutting and welding. In all cases, the electrode is connected to the negative side of the welding generator.
b. Underwater Arc Welding. Underwater arc welding may be accomplished in much the same manner as ordinary arc welding. The only variations of underwater arc welding from ordinary arc welding are that the electrode holder and cable must be well insulated to reduce current leakage and electrolysis, and the coated electrodes must be waterproofed so that the coating will not disintegrate underwater. The waterproofing for the electrode is generally a cellulose nitrate in which celluloid has been dissolved. Ordinary airplane dope with 2.0 lb (0.9 kg) of added per gallon is satisfactory.
a. Torch. The torch used in underwater cutting is a fully insulated celluloid underwater cutting torch that utilizes the electric arc-oxygen cutting process using a tubular steel-covered, insulated, and waterproofed electrode. It utilizes the twist type collet for gripping the electrode and includes an oxygen valve lever and connections for attaching the welding lead and an oxygen hose. It is equipped to handle up to a 5/16-in. (7.9-mm) tubular electrode. In this process, the arc is struck normally and oxygen is fed through the electrode center hole to provide cutting. The same electrical connections mentioned above are employed.
b. The welding techniques involve signaling the surface helper to close the knife switch when the welder begins. The bead technique is employed using the drag travel system. When the electrode is consumed, the welder signals "current off" to the helper who opens the knife switch. "Current on" is signaled when a new electrode is positioned against the work. The current must be connected only when the electrode is against the work.
c. Steel electrodes used for underwater cutting should be 14 in. (356 mm) long with a 5/16-in, (7.9-mm) outside diameter and an approximate 0.112-in. (2.845-mm) inside diameter hole. The electrode should have an extruded flux coating and be thoroughly waterproofed for underwater work. A welding current of 275 to 400 amps gives the best result with steel electrodes. When using graphite or carbon electrodes, 600 to 700 amps are required with a voltage setting around 70.
d. When working underwater, the cut is started by placing the tip of the electrode in contact with the work. Depress the oxygen lever slightly and call for current. When the arc is established, the predetermined oxygen pressure is released and the metal is pierced. The electrode is then kept in continuous contact with the work, cutting at the greatest speed at which complete penetration can be maintained. The electrode should be held at a 90 degree angle to the work. When the electrode is consumed, the current is turned off. A new electrode is then inserted and the same procedure is repeated until the cut is finished.
e. Normal predetermined oxygen pressure required for underwater cutting for a given plate thickness is the normal cutting pressure required in ordinary air cutting plus the dept in feet multiplied by 0.445. As an example, 2-1/4-in. (57.15-mm) plate in normal air cutting requires 20 psi (138 kPa). Therefore, at 10 ft (3 m) underwater, the following result would be reached:
20 + (10 x 0.445) = 24 psi (165 kPa).
NOTE
Allowance for pressure drop in the gas line is 10 to 20 psi (69 to 138 kPa) per 100 ft (30 m) of hose.
a. General. Underwater welding has been restricted to salvage operations and emergency repair work. It is limited to depths helm the surface of not over 30 ft (9 m). Because of the offshore exploration, drilling, and recovery of gas and oil, it is necessary to lay and repair underwater pipelines and the portion of drill rigs and production platforms which are underwater. There are two major categories of underwater welding; welding in a wet environment and welding in a dry environment.
(1) Welding in the wet (wet environment) is used primarily for emergency repairs or salvage operations in shallow water. The poor quality of welds made in the wet is due to heat transfer, welder visibility, and hydrogen presence in the arc atmosphere during welding. When completely surrounded by water at the arc area, the high temperature reducing weld metal quality is suppressed, and there is no base metal heat buildup at the weld. The arc area is composed of water vapor. The arc atmosphere of hydrogen and the oxygen of the water vapor is absorbed in the molten weld metal. It contributes to porosity and hydrogen cracking. In addition, welders working under water are restricted in manipulating the arc the same as on the surface. They are also restricted by low visibility because of their equipment and the water contaminants, plus those generated in the arc. Under the most ideal conditions, welds produced in the wet with covered electrodes are marginal. They may be used for short periods as needed but should be replaced with quality welds as soon as possible. The power source should be a direct current machine rated at 300 or 400 amperes. Motor generator welding machines are most often used for underwater welding in-the-wet. The welding machine frame must be grounded to the ship. The welding circuit must include a positive type of switch, usually a knife switch operated on the surface and commanded by the welder-diver. The knife switch in the electrode circuit must be capable of breaking the full welding current and is used for safety reasons. The welding power should be connected to the electrode holder only during welding. Direct current with electrode negative (straight polarity) is used. Special welding electrode holders with extra insulation against the water are used. The underwater welding electrode holder utilizes a twist type head for gripping the electrode. It accommodates two sizes of electrodes. The electrode size normally used is 3/16 in. (4.8 mm); however, 5/32-in. (4.0-mm) electrodes can also be used. The electrode types used conform to AWS E6013 classification. The electrodes must be waterproofed prior to underwater welding, which is done by wrapping them with waterproof tape or dipping them in special sodium silicate mixes and allowing them to dry. Commercial electrodes are available. The welding and work leads should be at least 2/0 size, and the insulation must be perfect. If the total length of the leads exceeds 300 ft 991) m), they should be paralleled. With paralleled leads to the electrode holder, the last 3 ft (0.9) should be a single cable. All connections must be thoroughly insulated so that the water cannot come in contact with the metal parts. If the insulation does leak, sea water will come in contact with the metal conductor and part of the current will leak away and will not be available at the arc. In addition, there will be rapid deterioration of the copper cable at the point of the leak The work lead should be connected to the piece being welded within 3 ft (0.9m) of the point of welding.

(2) Welding in-the-dry (dry environment) produces high-quality weld joints that meet X-ray and code requirements. The gas tungsten arc welding process produces pipe weld joints that meet quality requirements. It is used at depths of up to 200 ft (61 m) for joining pipe. The resulting welds meet X-ray and weld requirements. Gas metal arc welding is the best process for underwater welding in-the dry. It is an all-position process and can be adopted for welding the metals involved in underwater work. It has been applied successfully in depths as great as 180 ft (55 m). There are two basic types of in-the-dry underwater welding. One involves a large welding chamber or habitat known as hyperbaric welding. It provides the welder-diver with all necessary welding equipment in a dry environment. The habitat is sealed around the welded part. The majority of this work is on pipe, and the habitat is sealed to the pipe. The chamber bottom is exposed to open water and is covered by a grating. The atmosphere pressure inside the chamber is equal to the water pressure at the operating depth.
b. Direct current must be used for underwater welding and a 400 amp welder will generally have ample capacity. To produce satisfactory welds underwater, the voltage must run about 10 volts and the current about 15 amps above the values used for ordinary welding.
c. The procedure recommended for underwater welding is simply a touch technique. The electrode is held in light contact with the work so that the crucible formed by the coating at the end of the electrode acts as an arc spacer. To produce 1/2 in. (12.7 mm) of weld bead per 1.0 in. (25.4 mm) of electrode consumed in tee or lap joint welding, the electrode is held at approximately 45 degrees in the direction of travel and at an angle of about 45 degrees to the surface being welded. To increase or decrease weld size, the lead angle may be decreased or increased. The same procedure applies to welding in any position. No weaving or shipping is employed at any time. In vertical welding, working from the top down is recommended.
d. The touch technique has the following advantages:
(1) It makes travel speed easy to control.
(2) It produces uniform weld surfaces almost automatically.
(3) It provides good arc stability.
(4) It permits the diver to feel his way where visibility is bad or working position is awkward.
(5) It reduces slag inclusions to a minimum.
(6) It assures good penetration.
e. In general, larger electrodes are used in underwater welding than are employed in normal welding. For example, when welding down on a vertical lap weld on 1/8 to 3/16 in. (3.2 to 4.8 mm) material, a 1/8- or 5/32-in. (3.2- or 4.0-mm) electrode would usually be used in the open air. However, a 3/1- or 7/32-in. (4.8- or 5.6-mm) electrode is recommended for underwater work because the cooling action of the water freezes the deposit more quickly. Higher deposition rates are also possible for the same reason. Usually, tee and lap joints are used in salvage operations because they are easier to prepare and they provide a natural groove to guide the electrode. These features are important under the difficult working conditions encountered underwater. Slag is light and has many nonadhering qualities. This means the water turbulence is generally sufficient to remove it. The use of cleaning tools is not necessary. However, where highest quality multipass welds are required, each pass should be thoroughly cleaned before the next is deposited.
f. Amperages given in table 12-1 are for depths up to 50 ft (15.2 m). As depth increases, amperage must be raised 13 to 15 percent for each additional 50 ft (15.2 m). For example, the 3/16-in. (4.8-mm) electrode at 200 ft (61 m) will require approximately 325 amperes to assure proper arc stability.

UNDERWATER CUTTING WITH OXY FUEL-
Underwater cutting is accomplished by use of the oxyhydrogen torch with a cylindrical tube around the torch tip through which a jet of compressed air is blown. The principles of cutting under water are the same as cutting elsewhere, except that hydrogen is used in preference to acetylene because of the greater pressure required in making cuts at great depths. Oxyacetylene may be used up to 25-ft (7.6-m) depths; however, depths greater than 25.0 ft (7.6 m) require the use of hydrogen gas.
a. Fundamentally, underwater cutting is virtually the same as any hand cutting employed on land. However, the torch used is somewhat different. It requires a tube around the torch tip so air and gas pressure can be used to create a gas pocket. This will induce an extremely high rate of heat at the work area since water dispels heat much faster than air. The preheating flame must be shielded from contact with the water. Therefore, higher pressures are used as the water level deepens (approximately 1.0 lb (0.45 kg) for each 2.0 ft (0.6 m) of depth). Initial pressure adjustments are as follows:
Oxygen.....................................................................................60-85 psi (413.7-586.1 kPa)
Acetylene....................................................................................12-15 psi (82.7-103.4 kPa)
Hydrogen...................................................................................35-45 psi (241.3-310.3 kPa)
Compressed air..........................................................................35-50 psi (241.3-344.8 kPa)
b. While the cutting operation itself is similar as on land, a few differences are evident. Same divers light and adjust the f1ame before descending. There is, however, an electric sparking device which is used for underwater ignition. This device causes somewhat of an explosion, but it is not dangerous to the operator.
c. When starting to preheat the metal to be cut, the torch should be held so the upper rim of the bell touches the metal. When the metal is sufficiently hot to start the cut, the bell should be firmly pressed on the metal since the compressed air will travel with the high pressure oxygen and escape through the kerf. Under these circumstances, the preheated gases will prevent undue "chilling" by the surrounding water. No welder on land would place a hand on the torch tip when cutting. However, this is precisely what the diver does underwater since the tip, bell, or torch will become no more than slightly warm under water. The diver, by placing the left hand around the torch head, can hold the torch steady and manipulate it more easily.
d. Due to the rapid dissipation of heat, it is essential that the cut be started by cutting a hole a distance from the outer edge of the plate. After the hole has been cut, a horizontal or vertical cut can be swiftly continued. A diver who has not previously been engaged in underwater cutting must make test cuts before successfully using an underwater cutting torch.
ARMOR PLATE WELDING-
a. Armor plate is used for the protection of personnel and equipment in combat tanks, self propelled guns, and other combat vehicles against the destructive forces of enemy projectiles. It is fabricated in the forms of castings and rolled plates. These are selectively heat treated, in turn, to develop the desired structural and protective properties. Industrial manufacture of gun turrets and combat tank hulls includes designs using one-piece castings and welded assemblies of cast sections and rolled plates. In certain cases, cast sections of armor are bolted in place to expedite the requirements of maintenance through unit replacement. Welding has replaced riveting as a formative process of structural armor fabrication. Riveting, however, is still used on some vehicles protected by face hardened armor.
b. The development of a suitable technique for welding armor plate is contingent upon a clear understanding of the factors affecting the weldability of armor plates, the structural soundness of the weld, and its ultimate ability to withstand the forces of impact and penetration in service. From the standpoint of field repair by welding, these considerations can be resolved into the factors outlined below:
(1) Knowledge of the exact type of armor being welded through suitable identification tests.
(2) Knowledge of alternate repair methods which are satisfactory for the particular type of armor and type of defect in question.
(3) Design function of the damaged structure.
(4) Selection of welding materials and repair procedures from the facilities available to produce optimum protective properties and structural strength.
(5) Determination of the need for emergency repair to meet the existing situation.
(6) Careful analysis of the particular defect in the armor disposition of the variables listed below:
(a) Joint preparation and design.
(b) Welding electrodes.
(c) Welding current, voltage, and polarity.
(d) Sequence of welding passes.
(e) Welding stresses and warpage.
(f) Proper protection or removal of flammable materials and equipment in the vicinity of the welding operation.
c. The advantages of welding as an expedient for field repair to damaged armor plate lie principally in the speed and ease with which the operation can be performed. The welding procedures for making repairs in the field are basically the same as those used for industrial fabrication. They must be modified at times because of the varying types of damage due to impact, such as the following:
(1) Complete shell penetration.
(2) Bulges or displaced sections.
(3) Surface gouges.
(4) Linear cracks of various widths terminating in the armor or extending to its outside edges.
(5) Linear or transverse cracks in or adjacent to welded seams.
d. Many repairs made by welding require the selective use of patches obtained by cutting sections from completely disabled armored vehicles having similar armor plate. Also, most of the welding, whether around patches or along linear seams, is performed under conditions that frequently will permit no motion of the base metal sections to yield under contraction stresses produced by the cooling weld metal. The stress problem is further complicated by stresses produced by projectiles physically drifting the edges of the armor at the point of impact or penetration. It is with all these variables in mind that the subsequent plate welding procedures are determined.
Armor plate is an air hardening alloy steel, which means that it will harden by normalizing or heating to its upper critical point and cooling in still air. The base metal quenching effect produced adjacent to a weld in heavy armor plate under normal welding conditions is about halfway between the effects of air cooling and oil quenching. The extremely steep thermal gradients occuring in the region of a weld range from temperatures of 3000°F (1649°C) or more in the weld metal to the original temperature of the base metal. Therefore, a narrow zone on each side of the deposited weld metal is heated above its critical temperature by the welding heat and quenched by the relatively cold base metal to form a hard brittle zone. It is in this hard, nonductile formation, known as martensite, that cracks are more likely to occur as a result of the sudden application of load. For this reason, special precautions must be taken in all welding operations to minimize the formation of these hard zones and to limit their effect on the structural properties of the welded armor. Care must be taken to prevent rapid cooling of the armor after welding in order to avoid the formation of cracks in these hard zones.
a. General. Two types of armor are used on combat vehicles: homogeneous (cast or rolled) and face hardened (rolled). It is essential that the armor be specifically identified before any welding or cutting operations are performed. This is important because the welding procedures for each type of armor are distinctly different and noninterchangeable.
b. Homogeneous Armor. Homogeneous armor is heat treated through its entire thickness to develop good shock or impact resisting properties. As its name indicates, it is uniform in hardness, composition, and structure throughout and can be welded on either side. Aluminum armor plate is in the homogeneous class and welding procedures are the same as gas metal-arc welding .
c. Face Hardened Armor Plate. Face hardened armor plate has an extremely hard surface layer, obtained by carburizing, which extends to a depth of 1/5 to 1/4 of the outward facing thickness of the armor on the tank or armored vehicle. The primary purpose of face hardened armor is to provide good resistance to penetration. The inner side is comparatively soft and has properties similar to those of homogeneous armor. The inside and outside of face hardened armor plate are two different kinds of steel. Face hardened steel up to 0.5 in. (12.7 mm) in thickness should be welded from the soft side only.
a. File Test. This test is a simple but accurate method of identifying armor plate. A file will bite into homogeneous armor plate on both sides, but will only bite into the soft side of face hardened armor plate. When applied to the face side, the file will slip, acting in much the same manner as on case hardened steel.
b. Appearance of Fracture. The metal edges of holes or cracks in homogeneous armor plate are ragged and bent, with the metal drifted in the direction of the forces which damaged the armor. Cracks in homogeneous armor are usually caused by stresses and are present at severe bulges or bends in the plate or section. The metal edges of holes and cracks in face hardened armor are relatively clean cut and sharp. The plates do not bulge to any great extent before cracking. By examining the edges of freshly broken face hardened armor, it can be noted that the metal at the face side is brighter and finer in structure than the metal at the soft side. The brighter metal extends to a depth of approximately 1/5 to 1/4 of the thickness from the surface of the side.
a. General. Welding of damaged armor on vehicles in the field requires, as a preliminary step, that the type of armor be identified by a method . Homogeneous armor plate can be satisfactorily welded using the electric arc welding process and 18-8 stainless steel heavy coated electrodes with reverse polarity. Armored vehicles that have been exposed to conditions of extreme cold shall not be welded until the base metal has been sufficiently preheated to bring the temperature of the base metal in the zone of welding up to at least 100°F (38°C) At this temperature, the metal will be noticeably warm to the touch. If this preheat is not applied, cracking will occur in the deposited weld metal.
b. Procedures.
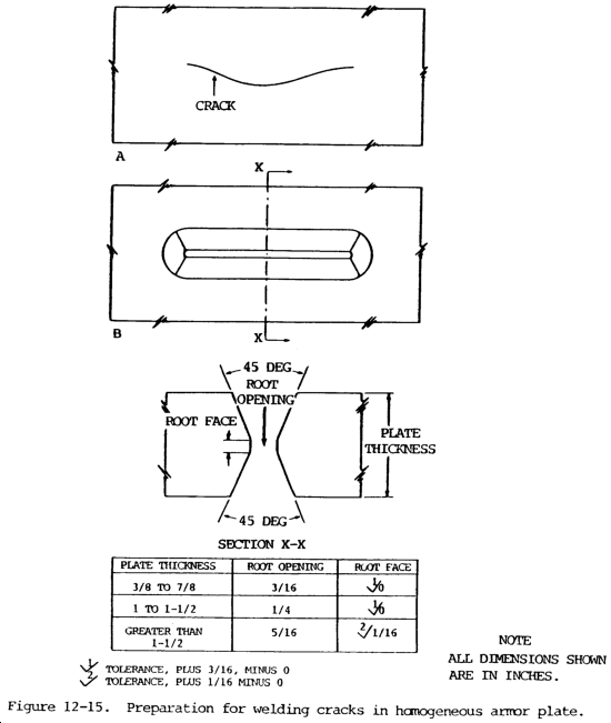
(1) When simple cracks (A, fig. 12-15) are welded, the edges of the crack should be beveled by means of flame cutting to produce a double V joint (B, fig. 12-15). Care should be taken to round off the comers at the toe and root of the joint. This is necessary to eliminate excessive dilution of the weld metal by base metal when welding at these points. The included angle of bevel should be approximately 45 degrees to provide electrode clearance for making the root welding beads. The root opening should he from 3/16 to 5/16 in. (4.8 to 7.9 mm) depending on the plate thickness (fig. 12-15).

(2) The weld beads deposited at the root of the weld must be of good quality. It is essential that care be taken to prevent cracks, oxide and slag inclusions, incomplete penetration, or excessive weld metal dilution in this area. Some of the methods recommended as preparatory steps for root head welding are shown in figure 12-16. For narrow root openings, a 3/16-in. (4.8-mm) stainless steel electrode without coating can be tack welded in place (A, fig 12-16). Welding bead numbers 1, 2, 3, and 4 are then deposited in that order. All slag and oxides should be removed from the joint before beads number 3 and 4 are deposited to insure a sound weld in this zone. If a mild steel rod or strip is used instead of a stainless steel rod (B, fig. 12-16), the back side of the backing rod or strip should be chipped out after beads 1 and 2 are deposited to minimize dilution in beads 3 and 4. The use of a stainless steel strip as a backing for root beads in a wide root opening is shown at C, figure 12-16, together with the sequence of root beads. The alternate method, with a mild steel strip, is shown at D, figure 12-16. When the alternate method is used, the backing rod or strip should be chipped out before depositing beads 3 and 4. Another procedure uses a copper backing bar (E, fig. 12-16). The copper bar is removed after beads 1 and 2 are deposited; the beads will not weld to the bar. Beads 3 and 4 are then deposited. In certain cases where plates of homogeneous armor are cracked along their entire length, thus permitting easy access to the entire cross section of the plate, another method of joint preparation can be used (F, fig. 12-16). The beads deposited at the root of the bevel act as a backing for beads subsequently deposited.

(3) A major factor to consider when welding cracks in armor that terminate within the plates is weld crater and fusion zone cracking, especially in the foot beads. An intermittent backstep and overlap procedure (C, fig. 12-17) is recommended to overcome or avoid this hazard. It should be noted that all of the welding steps necessary to complete bead number 1 are completed before bead number 2 is started. By backstepping the passes, the craters at the end of each pass are located on previously deposited metal and are therefore less subject to cracking. All craters on subsequent passes that do not terminate on previously deposited metal should be filled by the hesitation and drawback technique to avoid the formation of star cracks which are caused by the solidification of shallow deposits of molten metal.

(4) Each pass in beads 1, 2, 3, and 4 (A and B, fig. 1217) is limited to 1 to 2 in. (25.4 to 50.8 mm) in length and should be peened while the weld metal is still hot to help overcome the cooling stresses. No electrode weaving motion should be used when the root beads are deposited, and the welding should be performed preferably with a 5/32-in. (4.0-mm) electrode. Peening also tends to eliminate or minimize warpage in the section being welded. Arc blow should be controlled by properly adjusting the welding. Some of the more common defects encountered when welding root beads on homogeneous armor plate and the proper remedial procedures are shown in figure 12-18.

(5) The sequence of welding beads and the procedure recommended to completely weld the single V joint are shown in figure 12-19. This welding should be performed with 5/32- or 3/16-in. (4.0-to 4.8-mm) electrodes. The electrode is directed against the side wall of the joint to form an angle of approximately 20 to 30 degrees with the vertical. The electrode should also be inclined 5 to 15 degrees in the direction of the welding. By this procedure, the side wall penetration can be effectively controlled. The electrode weaving motion should not exceed 2-1/2 electrode core wire diameters. This is important because stainless steel has a coefficient of expansion approximately 1-1/2 times that of mild steel. Consequently, if a weaving motion greater than that recommended is used, longitudinal shrinkage cracks in the weld or fusion zone may develop. The thickness of the layer of metal deposited can be varied by controlling the speed of welding.

(6) The sequence of passes used for completely filling a double V joint (fig. 12-20) was determined after consideration of all the foregoing factors. The depth of penetration of weld metal into base metal should be controlled in order to obtain good fusion without excessive dilution of the weld. Excessive dilution will cause the weld to be nonstainless, brittle, and subject to cracking. Proper penetration will produce long, scalloped heat affected zone on each side of the weld (A and B, fig. 12-20). Insufficient penetration (surface fusion) will produce a fairly straight edged heat affected zone on each side of the weld. This condition is undesirable from the standpoint of good ballistic properties.

(7) By alternating the deposition of metal, first on one side of the joint and then the other, a closer control of heat input at the joint is obtained and the shape of the welded structure can be maintained. Each layer of metal deposited serves to stress relieve the weld metal immediately beneath it, and will also partially temper the heat affected zone produced in the base metal by the previous welding bead. The passes at the toe of each weld layer also serve as annealing passes. They are deposited before intermediate passes are added to completely fill the intervening space (see passes 9 and 11, 12 and 14, 15 and 16, 18 and 20, etc., fig. 12-20). These annealing passes are important factors in the elimination of fusion zone cracks which might start at the surface of the weld. Through careful control of the depth of penetration, a heat affected zone with a scalloped effect is produced.
a. General.
(1) Face hardened armor plate can be welded satisfactorily using the arc welding process and 18-8 stainless steel, heavy coated electrodes with reverse polarity. The face side of face hardened armor is extremely hard and brittle. Special precautions must be taken to avoid excessive heating and distortion of the plate to prevent cracking of the face due to the resulting stresses. A satisfactory method for welding this type of armor makes use of the butt strap and plug weld technique. The welding procedure for face hardened armor varying from 1/4 to 1.0 in. (6.4 to 25.4 mm) in thickness is illustrated in figures 12-27 and 12-28. The welding is done from the soft side of the armor plate and the strength of the joint depends on the soundness of the plug welds. The butt strap should be cut to conform to dimensions given for the particular thickness of face hardened armor being welded. The butt strap is tack welded to the soft side of the armor through elongated slots cut into the strap. The plugs should then be welded to completely fill the slots without excessive weld reinforcement or undercutting at the surface of the plug. These precautions are necessary to eliminate surface discontinuities which act as stress raisers and are a source of crack formations under impact loads. To effectively seal the crack in face hardened armor against lead spatter, and where watertightness is required, a seal head weld should be made on the soft side and ground flush before applying the butt strap. All welding should be performed on clean, scale-free surfaces. Previously deposited weld metal should be thoroughly cleaned by chipping and wire brushing to remove slag and oxides and insure sound welds.


(2) Crater cracks can be eliminated by the backstep and overlap procedures, or by using the electrode hesitation and drawback technique. Crater cracks formed in the initial weld passes should be chipped out before additional weld metal is applied. They can be welded out successfully on all subsequent passes of the weld. As a further precaution, string beads should be used for the initial passes. For subsequent passes, do not weave the electrode more than 2-1/2 electrode core wire diameters. The efficiency of the joint welded by this method depends on good fusion to the base metal and side walls of the slots in the butt strap.
(3) If straightening is necessary, do not hammer on the face of the armor; all hammering should be done on the soft side, on the butt strap, or on the plug welds. Force should not be applied to straighten face hardened armor if the applied force will produce tension on the face side.
(4) Where two or more butt straps are used to repair irregular cracks or to make a patch weld, the butt straps are welded together for additional strength (fig. 12-29).
