This is a versatile and ergonomic touchboard controller : the simple lay-out allows a lot of possibilities.
The fingering is also very natural :
LEFT HAND RIGHT HAND
Thumb : touchpad 8 touchpad 9
Index finger : touchpad 7 touchpad 10
Middle finger : touchpad 6 touchpad 11
Thumb : touchpad 5 touchpad 12
Index finger : touchpad 4 touchpad 13
Middle finger : touchpad 3 touchpad 14
Ring finger : touchpad 2 touchpad 15
Little finger : touchpad 1 touchpad 16 (circuit is always ON)
Palm : 2 pressure pads 2 pressure pads
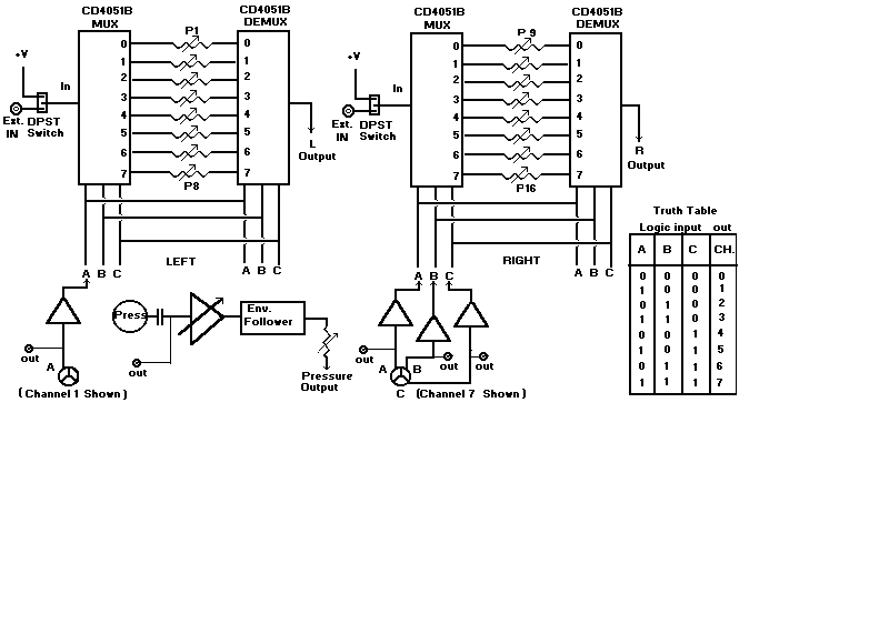
There are 2 x 8 potemtiometers for selecting step voltages : the circuit uses analog Multiplexers and Demultiplexers chips for processing the individual voltages according to the individual gates touchpads depressed (see truth table)...
In addition, there is an 8 Channel Light Joystick using Cadmium photocells, 2x4 Infrared LEDs /Detectors for other complex gating purposes and a ribbon controller..
HOW TO CONSTRUCT BUTTON PADS
Hereunder are some examples on how you can construct gating button pads using audio/video tapes as resistive elements.
