The Gamelan
(In Search Of My Muse #1.02)
A story in this morning newspaper's travel section caught my eye : it is a story about a stone-age mountainous tribe living in the jungle of Java who had, allegedly, never seen a modern man before!
As I read on, clangorous sound patterns emerge in my mind. Out of curiosity, I go to my library and open my acoustic bible entitled: "On the sensations of Tone" by Hermann Helmholtz (this outstanding work was originally written in 1864, but republished in 1954 by Dover Publications).
I read that the Gamelan is a Javanese instrument which uses pentatonic and /or heptatonic scales : the so-called 'Saléndro' pentatonic scale (0,240,480,720,960,1200 cents) and/or the 'Pelog' heptatonic scale (0,137,446, 575, 687,820,1098 and 1200 cents).
Now, in equal temperament, 240 cents is about two commas above D (200 cents), 480 cents is about one comma before F (500 cents), 720 cents is one comma above G (700 cents), 960 cents is about two commas before A sharp (1000 cents), and 1200 cents is C.
However, to Occidental ears, so much used to round-up numbers in favorable ways, this Saléndro scale would sound more like: 300, 500, 700, 1000 and 1200 cents. So, in equal temperament, this 'rounded up' pentatonic scale would correspond to: D sharp, F, G , A sharp, C.
As I am a curious person, by nature, I want to know how the Saléndro scale would sound if I was playing the real thing. I decide, as a challenge, to try to synthesize a Gamelan: that will be my project for the day.
First, to put me in the right mood, I listen to an old vinyl record of Javanese gamelan music. The richness of the clangorous sounds overwhelms me : it is not going to be easy to synthesize such a rich 'palette' of sounds...
I rush to my analog gear, and start thinking about how I am going to proceed to synthesize this wonderful but intriguing musical instrument.
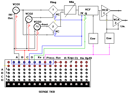
After much thoughts, I come to the conclusion that it might be interesting to use two ring modulators: one made by Serge (both carrier and modulating inputs accept sine waveforms), the other one could be a standard multiplier (square waveform for the carrier input, sine for the modulating signal input): the former will give me a pure and clean "clangorous" sound base, while the latter will give me brighter overtones due to the higher ranges of the upper-sidebands. I know from theory that, in ring modulation applications, all VCO's initial frequencies should be inharmonically related and spread over different octaves ranges (i.e non-integers frequency values should be used in order to have a rich spectrum of inharmonic partials present in the lower and higher sidebands).
Also, due to the Gamelan's timbres characteristics, the VCF frequency tracking (1 Volt/Oct input) and resonance (VC of Q factor input) will have to be set differently for each tone in the melody.
In view of the above, I decide that the best controller for that task would be a Serge 16 x 4 Touch Activated Keyboard Sequencer (TKB). After much reflections, I decide to program the sequencer individual CV outputs as follows:
Row A: VCO's frequency control, for each step (1Volt/oct.inputs).
Row B: VCO's pitch deviations, in commas, for each step. (VCO processing inputs)
Row C: VCF non-linear frequency tracking for each step. (1Volt.oct input)
Row D: VCF non-linear resonance tracking, for each step. (VC of the Q Factor)
How to do it
First, patch all modules together, as shown in the audio path (Sources, Modifiers, Amplifiers) and set your VCA to full VCA (no controls should be patched at this time). When the complex sound is heard at the output, proceed to tune VCO1 initial frequency to D2 sharp (this will be the fundamental frequency (F) of the complex tone from now on.
Next, select a suitable clangorous sounding inharmonic frequency for VCO 2 in the next octave range. Proceed to do the same for VCO3, but using an higher octave range.
Now, patch the Serge touchboard trigger output to two AR type envelope generators: the parameters should be set for a short percussive attack and a short/medium release (logarithmic release curve).
Then, patch sequencer output A to all 1Volt/oct. inputs of your three VCO's. Program each potentiometer, in row A, to the Gamelan pentatonic scale below (no further "flattening" or sharpening" of the tones should be attempted at this time).

Saléndro Scale
Step 1= D2 sharp (0 Volt)
Step 2= F2
Step 3= G2
Step 4= A2 sharp
Step 5= C3
Step 6= D3 sharp
Step 7= F3
Step 8= G3
Step 9= A3 sharp
Step 10= C4
Step 11= D4 sharp
Step 12= F4
Step 13= G4
Step 14= A4 sharp
Step 15= C5
Step 16= D5 sharp
Next, patch sequencer output C to the 1 Volt/oct. input of your VCF. Program each potentiometer, in row C, to a different value (the overall settings should be non-linear).
Then, patch sequencer output D to the CV Resonance input of your VCF. Program each potentiometer, in row D, to a different value (again, the overall settings should be non-linear). Finally, patch sequencer output B to the auxiliary processing inputs of your three VCO's. This is the final touch of your patch: use all these individual pitches deviations to further "flatten"/"sharpen" the tone of each step. Use with parsimony: we are talking about pitch deviations in commas here!...
Enjoy your ephemeral Gamelan...
André
(Extracts from 'Ye Olde Timer's Analogue Cookbook' by Andre C. Stordeur)
Andre Stordeur has taught analog modular synthesis since 1973. He studied with David Wessel at the I.R.C.A.M , in Paris, and with American composer Morton Subotnick.