Site hosted by Angelfire.com: Build your free website today!

Weird Patch of the Month (January 1998)


7. Make A Joyful Noise....

Winter Solstice is the time of the year which calls for celebration....

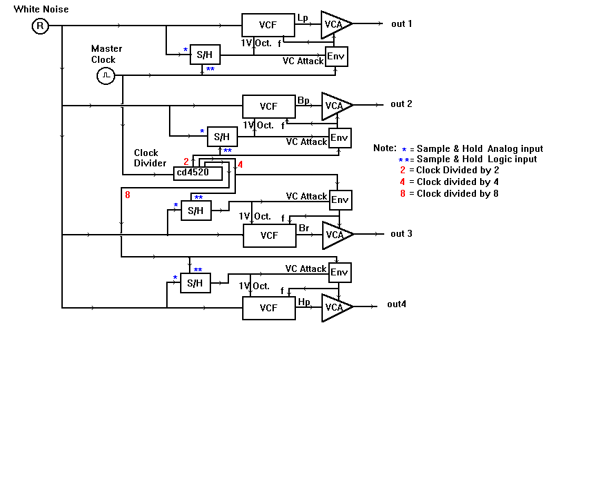
The following patch uses 'White Noise' as an audio signal but also as a random control signal to the four Sample & Hold analog inputs.

A Master clock is used to gate the first Envelope  : it  serves also as a logic signal for the first Sample & Hold Generator.

A clock Divider ' CD4520B chip'  divides the Master Clock in 2, 4, 8 beats : it also provides a logic signal to the other three S/H Generators..(You can easily construct this divider for a few dollars : check the DIY section on this site). Then, each S/H output is patched to the 1V/Oct. input of  four VCF : it is also used to VC the 'Attack 'section of the four Envelope Generators. Finally, the Low Pass , Band Pass, Band Reject (Notch) and High Pass outputs of the 4 VCF are patched to four independent VCA.

Enjoy...