Site hosted by Angelfire.com: Build your free website today!

My current tube amp project page

After having listened to my 60FX5 amplifier for quite some time, I have decided to build a more complex amplifier. My next amp project will be a stereo single-ended triode (SET) amplifier using directly-heated triodes (DHTs) as output tubes. SET amplifiers are supposedly some of the best sounding tube amplifiers around. One of the lesser-known and more inexpensive DHTs is the 6B4G, which is basically a 6A3 (a 6-volt filament version of the very popular output triode 2A3) with an octal base as opposed to the 4-pin UX base of the 2A3 and 6A3. The 6B4Gs I will be using are NOS Sylvanias (one regular, one JAN; according to the pictures on the 2A3 World site, they both appear to be relabeled RCAs). Please note that the Sylvania "6B4GT" under the heading of Other on the 2A3 World page is not actually a 6B4G, but rather a 6AV5, a beam-power tetrode, rewired as a 6B4G, and not a true 6B4G. Currently, NOS 6B4Gs can be purchased from Antique Electronic Supply for $36.55 each, while NOS 2A3s cost $72.45 each. I got my 6B4Gs for nothing: a kind person I met on JoeNet, Dave Slagle, sent me two boxes of spare tube amp parts he had, including loads of iron (a huge power transformer, two output transformers, a choke, and more), bunches of tubes (a pair of 6B4Gs, a Sovtek 300B, some 12AX7s, a bunch of ST-bottle rectifiers, old globe tubes, more 6SN7s than I'll ever need, and more), and other miscellaneous parts. All I need is a chassis, a pair of 6SL7s, and a few other parts. Since 6B4Gs are basically 2A3s with 6V filaments and octal bases, any 2A3/6A3 design can be modified to use cheaper 6B4Gs. Originally, I was going to use the Loftin-White SRPP SE 2A3 amplifier circuit I found on the Fi Primer site, but then I discovered Ray Koonce's Time Bandit 2A3 amp site. The only simpler amp schematic I've seen was for the 60FX5 amp I built. Construction on the 6B4G amp will commence as soon as I can get a suitable chassis and the parts I need. Ray Koonce, Dave Slagle and I have been modifying the circuit almost constantly to work with the parts I have.

The iron I have is:
(1) 400-0-400@175mA, 6.3V@4.5A, 5V@3A power transformer
(2) Dynaco ST-70 output transformer clones re-stacked for 2A3/6A3/6B4G by Dave Slagle
(1) 10H 150mA choke

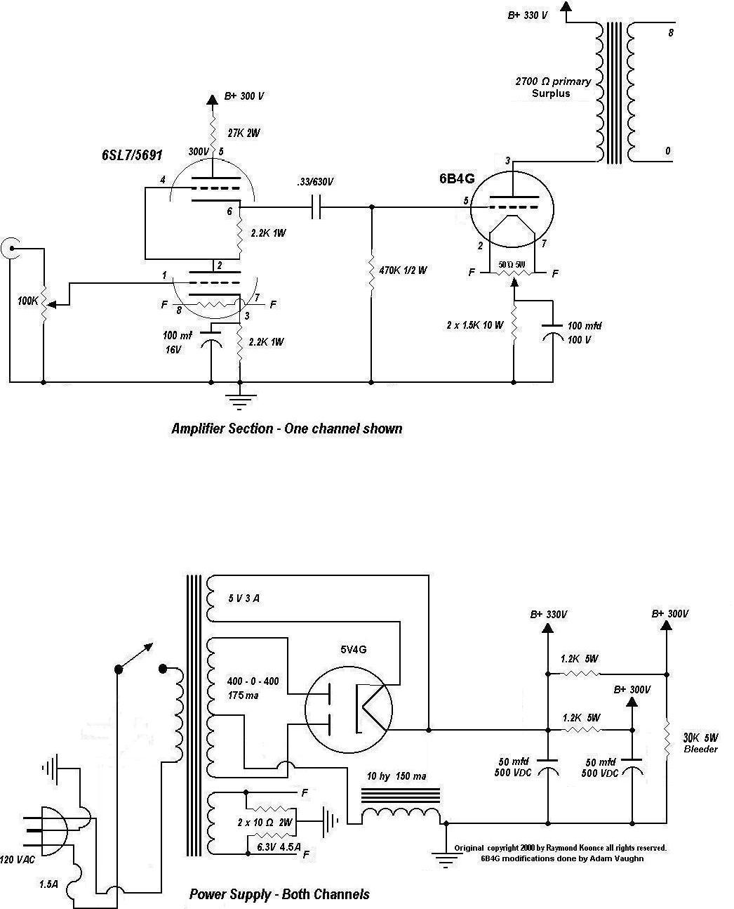
Here are some of the schematics:
Original schematic: This is the schematic for the original amplifier as found on Ray Koonce's Time Bandit 2A3 amp page. Note that the 2A3 cathode resistor should be two 1.5K 10W resistors, not 15K 10W.

Current schematic: This is the current version of the schematic. It was gone through around 4 or 5 revisions. I changed the rectifier tube from a 5U4G to a 5R4WGY (has a higher voltage drop). Also, the second 300V tap has been removed since it was found that it had no filter cap.

Alternate choke version: While designing the above schematic, I discovered that the choke I'm planning to use has a working voltage to ground rating of only 250VDC. Dave Slagle suggested that I put the choke at ground potential. I'm not sure how this will allow for the choke to filter the power supply, and Dave Slagle says that the choke is mil-spec (i.e. can possibly take twice its rated voltage), so I'll try wiring the choke in the normal way, though I'll probably use a fuse just in case the choke can't take twice it's rated voltage.

More later!
-Adam

Related pages

Ray Koonce's Time Bandit 2A3 amp page- the inspiration for my 6B4G amplifier circuit
The Fi Primer- Provides a good introduction to tube electronics
2A3 World- a great visual reference on 2A3s and related tubes
Antique Electronic Supply- a great source for tubes and parts

Email: adamant316@aol.com