Material:
PLC
Computadora
Programa MicroWin
4 Semáforos con focos de 110 volts
Desarrollo:
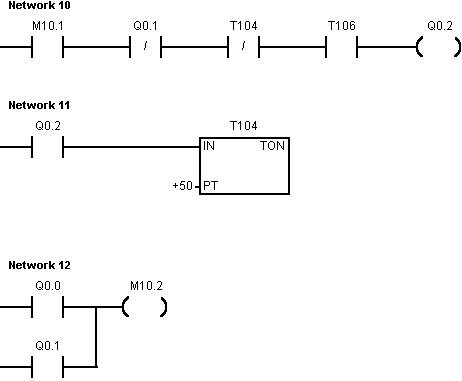
Se implemento un programa para el controlador PLC el cual consistía en que una ves que se encendiera el PLC dos de los 4 semáforos parpadearan en ámbar y al apagarse los otros dos parpadeaban en rojo y así consecuentemente, una ves que se presionaba el botón de inicio, empezaba la secuencia del primer semáforo la cual consistía en que los 4 rojos de los semáforos estaban encendidos, al mismo tiempo iniciaba la flecha la cual duraba 2 segundos en verde y después parpadeaba dos veces y se apagaba y se encendía el verde durando 5 segundos, luego parpadeaba 2 veces, después cambiaba a ámbar, ahí duraba 2 segundos y después cambiaba a rojo y empezaba el segundo semáforo el cual hacia la misma secuencia que el primero, pero este no tenia flecha, al terminar su secuencia iniciaba el tercero que era idéntico al primero y al terminar iniciaba el cuarto que era igual al segundo. Al presionarse el botón de paro de emergencia, el PLC regresaba a los parpadeos iniciales.















Material:
PLC
Computadora
Programa MicroWin
4 Semáforos con focos de 110 volts
Desarrollo:
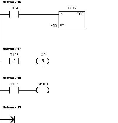
Se implemento un programa para el controlador PLC el cual consistía en que una ves que se encendiera el PLC dos de los 4 semáforos parpadearan en ámbar y los otros dos en rojo, una ves que se presionaba el botón de inicio, empezaba la secuencia del primer semáforo durando 5 segundos en verde luego parpadeaba 2 veces, después cambiaba a ámbar, ahí duraba 2 segundos y después cambiaba a rojo y empezaba el segundo semáforo el cual hacia la misma secuencia que el primero, pero este no tenia flecha, al terminar su secuencia iniciaba el tercero que era idéntico al primero y al terminar iniciaba el cuarto que era igual al segundo. Y se reiniciaba la secuencia al primero de nuevo, una ves que se presionara el botón de paro de emergencia, el PLC, volvía los parpadeos de precaución iniciales.












Material:
PLC
Computadora
Programa MicroWin
4 Semáforos con focos de 110 volts
Desarrollo:
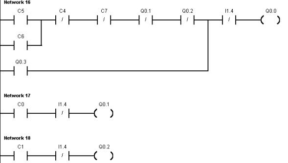
Se implemento un programa para el controlador PLC el cual consistía en que una ves que se encendiera el PLC, la luz del verde del semáforo estaba siempre encendía, y la luz de rojo del cruce peatonal estaba siempre encendida, una ves que se presionara el botón de cruce, la luz verde empezaba a parpadear dos veces y después se apagaba y se encendía la luz ámbar la cual duraba dos segundos encendida y se apagaba y se encendía la luz roja, y al mismo tiempo se apagaba la luz peatonal roja y se encendía la amarilla durante 5 segundos, después parpadeaba 3 veces y se encendía la luz peatonal roja y el semáforo volvía a su luz verde.






Material:
PLC
Computadora
Programa MicroWin
4 Semáforos con focos de 110 volts
Desarrollo:
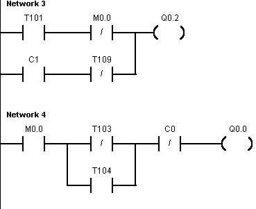
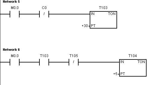
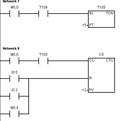
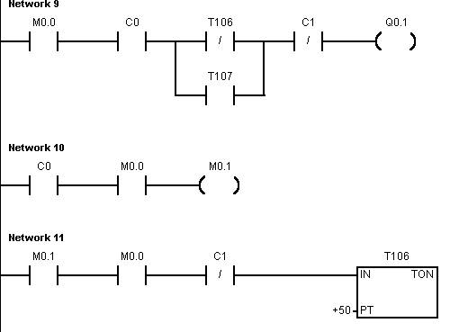
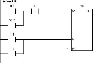
Se implemento un programa para el controlador PLC el cual consistía en una maquina llenadora de cerveza , en la cual se podían manejar dos tipos de presentación de llenado de cajas de 24 cervezas y de cajas de 20 cervezas, el programa tenia la siguiente secuencia. Primero iniciaba una banda, después se detectaba el envase de detenía y se activaba una salida el tiempo de duración de esta dependía del tipo de presentación 4 segundos para la primera y 6 segundos para la segunda presentación. Se volvía a activar la banda y con un sensor se detecta la posición de la botella y se aplica la corcholata (2 segundos) se encendía la banda y la calefacción durante 5 segundos, y se cada botella iba incrementando un contador, cuando se tuviera el número de botellas deseado, según la presentación, se activa otra banda con un sensor final que detiene la banda y activa una chicharra.











Conclusiones
Juan Manuel Villanueva Marcocchio
A la hora de elaborar las practicas tuve algunos problemas, con las asignaciones de memorias, por que el PLC 216 ya las tenia asignadas y no encontraba el error, fue hasta después que preguntando, me di cuenta del error que tenia y pude corregir el problema, además también tuve algunos problemas, por que al trabajar con un PLC utilice algunas funciones que los otros PLC´s no aceptaban y tuve que hacer algunos cambios en el programa, de ahí en mas las practicas me ayudaron mucho a pensar en como se programa un PLC, a veces con algún problemita, pero en general no me costaron tanto trabajo como las primeras.
Alejandro Ortiz López
Estas prácticas me sirvieron mucho por que gracias a ellas, pude aprender cosas nuevas acerca de la programación de un PLC además de poner en practica los conocimientos adquiridos en meses anteriores, los programas solo presentaron problemas por el manejo de variables de memoria, ya que en algunos momentos no funcionaban, o me revolvía al hacer las asignaciones.