All About Audio Amplifiers

The Tubeless Tube Amplifier.

Here is the amplifier circuit. If there is any interest I will write an article about it.


 Schematic diagram.

For a verbal description click here.


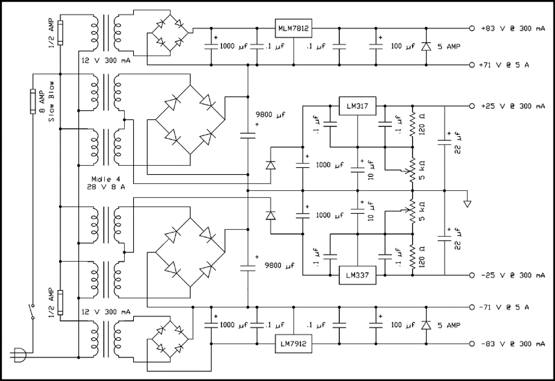
Here is the circuit of the power supply.


 Schematic diagram.

For a verbal description click here.



Back to feedback.


Home