Home


All About Audio Amplifiers.

Tone Controls.

Amplifiers would be nothing without tone controls. They allow us to boost or cut the low and high ends of the audio spectrum. Only a very few purest would buy an amplifier or preamp that did not have them. Because these controls are so important designers spend a lot of time and effort on these circuits.

When I built my original tube stereo, which you can see pictures of elsewhere on this web site, I made an interesting discovery. In the process of testing the tone controls described here I was reminded of it. Two sets of tone controls are better than one. With two sets the sound is strikingly improved. If you go and look at the pictures you will see the power amplifier on the lower shelf has a lot of knobs on it. They are separate volume and tone controls for each channel. The preamp on the shelf above also had tone controls which are ganged for the two channels.

With two sets of tone controls you might think that setting each set half way would be the same as setting one set full. That's not the case. What I did was to set the controls on the power amplifier to my taste and for similar sound in both channels. Then when I was in the mood for more or less I could boost or cut it with the controls on the preamp and get a terrific sound. Modern systems, such as the one in my living room, get the same effect with a graphic equalizer. I think the better sound is from the slopes of the response curves.

There are two types of tone control circuits, passive and active. The passive kind consist of the pots, resistors and capacitors. There is an amplifier tube before the tone circuit and another tube amplifier after the tone circuit but there are no tubes directly involved in the tone control circuit itself. In the active kind there are amplifying devices involved in the tone control circuit. A circuit which looks the same as a passive circuit is placed in the feedback loop of an amplifier stage. This kind of circuit is common place in semiconductor based amplifiers because the amplifying devices take up little space and power. We will see later why active tone controls are rare in tube amplifiers. I once saw a tube amplifier in which the tone controls were in the main feedback loop from the voice coil winding back to the stage just after the volume control. This can cause the output impedance and amount of distortion to depend on the setting of the tone controls and I wouldn't use such a system.

Passive Circuits.

Treble Cut.

The very first tone controls to be designed into radios were simple passive treble cuts. The basic idea is given in the circuit below.

 Schematic diagram.

Figure 1 Simple treble cut control.

For a verbal description click here.

An audio taper pot should be used to prevent all of the effect from being at one end. The pot is wired so the fully clockwise end is maximum resistance. This gives maximum treble. As the pot is turned counter clockwise the treble is cut.

The values are for modern high fi speakers and ears. In a radio with a 4 inch speaker the effect would be barely noticeable. The given value of the capacitor would have to be increased by as much as a factor of 10 or more to get that extremely bassy sound that many old radios were famous for.

Shelving Treble Cut.

The performance can be considerably improved by adding a 10 k ohm resistor in series with the capacitor and pot as shown below.

 Schematic diagram.

Figure 2 Shelving treble cut or bass boost control.

For a verbal description click here.

In the previous version the treble just keeps rolling off as frequency increases. The additional resistor turns the circuit into a shelving control in which the amplitude rolls off to a point and then flattens out again.

This circuit can easily become a bass boost by increasing the value of the capacitor. Because it "shelves", the mid range and treble are cut by the same amount leaving the bass up. As the pot is turned for more mid and high cut the volume must be turned up to give the boost in the bass band.

True Bass Boost.

 Schematic diagram.

Figure 3 Bass boost control.

For a verbal description click here.

This circuit gives a true bass boost because the volume control does not need to be adjusted to keep the mid range and highs at a constant level. When the wiper of the pot is set to the bottom, fully counter clockwise, the capacitor is shorted out and the 470 k and 47 k resistors give an approximate 10 to 1 attenuation. As the pot wiper is moved upwards the capacitor is permitted to do its thing and the low frequencies are attenuated less. The boost is a respectable 15 dB. There is no bass cut in this circuit, it is boost only.

Treble Boost.

 Schematic diagram.

Figure 4 Treble boost.

For a verbal description click here.

This one gives about 14 dB of boost. Oddly enough it requires a linear pot rather than the audio taper of the other circuits. Also as shown the pot will work backward unless it is reverse wired. The capacitor can be connected from the wiper to the output terminal without any change in performance. That makes the pot work forward.

Cut and Boost in one control.

Let's begin with a circuit I used in my old home built tube stereo. Actually I ripped this circuit off from a Harman Kardon A-300. My university roommate had one and I copied the circuit from the instruction manual. The Phono preamp given a couple of articles ago is from the same amplifier. I copied the circuit by hand from the manual into my engineering notebook. Why I didn't take the manual to the nearest Xerox machine, I'll never know.

I was coming up through the University of Florida's electrical engineering program as I worked on the design and construction of my tube stereo. The last parts to be constructed are the best. (I use the present tense because everything I built still exists). I made some mistakes early on but something I did get right is this tone control circuit. Thanks to Mr. Harman and Mr. Kardon.

Well, since writing the above I ran some simulations on the circuit and maybe misters H and K did make a mistake or maybe they did it on purpose. When the tone controls are set flat there is a rise with a peak at about 200 cycles. This does give the amplifier a strong presents sound which many audio equipment reviewers in the late 50s and 60s liked. For myself I prefer to be in control of things. If I want a peak around 200 cycles I will push up that band on my equalizer. Here for the sake of completeness is the original H-K circuit.


 Schematic diagram.

Figure 5 Passive bass and treble boost and cut.

For a verbal description click here.


The load presented by the balance control is a part of the design and the circuit won't work quite right unless there is a 500 k ohm load on it. This circuit introduces 21.5 dB of loss including the balance control. 1 A passive R-C circuit can't increase the voltage, it can only cut it down. The way a passive control works is to cut the whole spectrum and then obtains boost by cutting parts of the spectrum by a lesser amount. Amplifier stages have to be included to make up for the loss.

The load resistor in the plate of the tube driving the circuit will have an effect on its performance. In the original H-K amplifier it is a 12AX7 with a 270 k ohm in the plate and a 1.8 k in the cathode. No cathode bypass cap.

The modified circuit is shown here.

 Schematic diagram.

Figure 6 Passive boost and cut with makeup amplifier.

For a verbal description click here.

This really is a passive tone control. The tube is necessary to make up for the loss in the circuit but it isn't necessary for the circuit to operate. The tube exactly makes up for the losses except for the balance control. The overall loss is 6 dB. 1

Note that a resistor has been added and the ratios of the capacitors is now 10 to 1 as they should be. The resistors in series with the bass control should be 10 to 1 but part of the top resistor is included in the output resistance of the tube stage. I know it should be a 220 k but the simulation says that a 200 k gives flatter response when both pots are set to 1/10 resistance, center of rotation in an audio taper pot.

The 33 k ohm resistor makes the treble boost flatten out instead of just going up as the frequency goes up.

Note 1. For those unacquainted with the decibel 21.5 dB means that the output voltage is 1/12 of the input voltage. 6 dB is a ratio of 1/2.

How it Works

No, I'm not going to make that joke again. If you want to understand how this circuit works I suggest you redraw the circuit according to where each pot is set. Don't try to break it up into separate treble and bass controls. Each part depends on the presents of the other to function properly. For example when the treble control is set to the top, instead of drawing a pot draw a 500 k ohm resistor with the center line connected to its top. If you're really not all that interested then just skip on down. Let's take the TREBLE control first. Notice it is caught between two rather small capacitors. The currents flowing through the pot are high frequency only. When the pot is set above the flat setting more high frequency voltage is sent to the output terminal. Think of setting the pot all the way to the top. That causes the 750 pf capacitor to be connected directly from input to output (to the top of the balance control.) The high frequencies are passed more strongly than the lows and mid range. In fact the higher the frequency the more voltage is passed up to the limit of whatever the input voltage is. You can't get more out than you put in. This gives a treble boost.

Now think of moving the treble pot all the way to the bottom (counter clockwise). The .0033 microfarad capacitor is connected directly from the output to ground. The signal path is through the 120 k ohm resistor through the .003 microfarad capacitor to the center lead and thence to the output. The .0033 microfarad (not to be confused with the .003 microfarad) capacitor is connected to ground. It works with the 120 k ohm resistor to form a low pass filter which gives a treble cut.

Now let's return the treble control to its flat response position and give the bass control a twist. Setting it all the way to the top shorts out the .003 microfarad capacitor. Here is where you can really benefit from redrawing the circuit. The .003 capacitor won't even appear on your drawing because it is shorted out completely.

I could redraw the pictures and present them to you so you don't have to do it yourself. But unlike the kids I taught for 33 years you are here because you are interested and want to be here. I don't have to spoon feed you the way I did them. Drawing the circuits yourself is an excellent way to understand just what is going on and I think it will benefit you more than if I draw the pictures for you.

So what you have is a 120 k ohm in series and mostly a .015 microfarad capacitor to ground. The 500 k ohm resistor in parallel with it will have little effect as will the 27 k ohm resistor in series. The result is that the mid range and high frequencies are reduced in voltage to the "flat" level but as the frequency gets lower the reactance of the .015 increases and allows more voltage to appear across the output. Imagine the capacitor getting smaller and smaller and finally disappearing completely. That's what is happening as the frequency gets lower. When the capacitor is gone there is more voltage across the output than when it is there.

Now we set the bass control to minimum. Now the output voltage is being taken across the 27 k ohm resistor and there is a .003 microfarad capacitor in parallel with a 500 k ohm resistor. At high and mid frequencies the voltage across the 27 k ohm is at the "flat" level but at low frequencies the capacitor has less and less effect until only the 500 k ohm resistor is left. The voltage at low frequencies is considerably reduced below the "flat" level.

Signal was capacitively coupled into this circuit from the plate of half of a 12AX7. The details of the balance control will be covered in a later installment.

Active tone control.

Most modern solid state amplifiers, including my home built preamp, employ a voltage controlled tome control. If you would like to see the circuit go over to my
Fun With Transistors site.

The active tone control works by inserting it in the feedback loop of a high gain amplifier. I need to give you a short lesson about negative feedback. Look at the figure below. Instead of showing the details of the amplifier it is drawn as a triangle and what is inside does not interest us for the moment. Its gain is large, much, much greater than one (1).


 Schematic diagram.

Figure 7 Active tone control with operational amplifiers.

For a verbal description click here.


Look at part A of the figure. You can see that there are two resistors connected from input to output with the tap going to the inverting input of the amplifier. When an AC signal is applied to the inverting input its phase is inverted or shifted 180 degrees. If a DC voltage is applied the output will be of opposite sign. (This assumes that the amplifier is direct coupled through out so it amplifies DC as well as AC. Not so with most tube amplifiers.) If R1 = R2 and we apply -3 volts DC to the input, electron current will flow to the right through R1. The input impedance (resistance) of the amplifier is very, very high so very few electrons branch off to go into the amplifier's input. Essentially all of the electrons flowing through R1 also flow through R2. Another way of saying this is, the currents are the same in R1 and R2. Now the amplifier has a lot of gain. What ever voltage appears at its output requires a very small voltage to be applied to it's input. Remember the output voltage is an effect which is caused by the input voltage. If the amplifier gain is high enough we can say that the voltage at the junction of the two resistors is essentially zero.

If the two resistors have the same value and the same currents in them, Ohm's law tells us that the voltages across each resistor are the same. The same number of volts and the same direction. We placed -3 volts on the input which means that R1 has 3 volts across it with the left end negative with respect to the right and the right end positive with respect to the left. R2 also has 3 volts across it with the left end negative with respect to the right and the right end positive with respect to the left. With the junction of the two resistors being at essentially zero the right end of R2 is at positive 3 volts. Using Ohm's law we can write some simple equations.

I1 = Vin/R1

and

Vout = I2 x R2

but

I1 = I2

Substituting the third equation into the second and the first into the combination of 2 and 3 gives.

Vout = Vin x R2/R1

or

Vout/Vin = R2/R1

Vout over Vin is the overall gain of the circuit with negative feedback applied. Changing the ratio of R2 to R1 will change the gain. The amplifier will instantaneously adjust it's output voltage to make its two input terminals have the same voltage. If what is connected across the amplifier is an RC network instead of just two resistors the calculation gets a lot more complicated (don't worry I'm not going to derive or even show it.) Part B of the figure shows the tone control circuit in place of R1 and R2.

In this circuit the pots are linear. Think of both tone controls set to the exact center of rotation. The circuit is completely symmetrical so in effect R1 = R2 and the gain is exactly unity. When either wiper is moved to the right the gain of the amplifier is lowered and a bass or treble cut results. Moving the wipers to the left results in a boost because R2 is larger than R1.

The impedance at the inverting input of the amplifier is very close to zero so the input impedance is the impedance from the input terminal to the inverting input connection. Depending on the setting of the controls the input impedance can be as low as 9 k ohms for low frequencies and 3 k ohms for highs, based on actual measurements. A low impedance amplifier is needed to drive the input terminal. Part A of the figure would be the perfect thing to drive the input of part B. The amplifier which is in the circuit also may have to drive the same impedances (when the tone controls are set to the opposite extremes. Getting this kind of amplifier is no problem when integrated circuit operational amplifiers are used. Even with discrete transistors it's not all that hard, but with tubes....


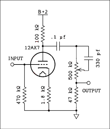
 Schematic diagram.

Figure 8Active tone control with a tube.

For a verbal description click here.


As you can see the values have been scaled up to vacuum tube levels. This makes it possible for one tube to be used. The gain of the triode stage is about 50 which is a little on the low side. A pentode would be better here but it may introduce more distortion.

I actually did connect this circuit to an amplifier and listen to it. I was quite impressed with the sound. I may well use it in a new incarnation of my original tube preamp.


Next; Balance Controls.

Previous; Volume Controls.

Home

Or use your "Back" button to return to where you were.


Thank you for visiting my page at Angelfire.
Please come back and visit again!

This site begun March 14, 2001

This page last updated Monday, January 13, 2020.