|
|
 |
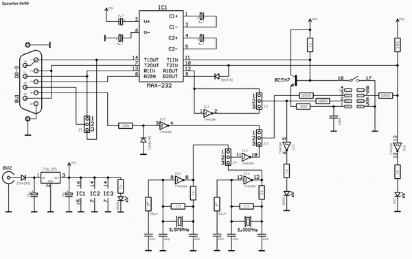
Mit diesem Bauplan seid Ihr in der Lage einen Chip-Kartenprogrammierer zu erstellen.
Mit diesem Programmer können 3,579 MHz und 6MHz Karten programmiert werden.
Der Aufbau erfolgt am Besten mit SMD-Bauelementen.
|  |
| | um das Bild zu vergrößern klicke
hier
| |
| |  | |
| |
Noch ein paar Tips :
- Alle ICs sollten gesockelt werden
- Für jedes IC sollte noch ein 100n Abblock-Kondensator von der +5V
Spannungsversorgung nach Masse gelegt werden.
(IC1 : Pin15/16 ; IC2,3 : Pin 7/14 ; möglichst nahe am IC !)
- Die unbenutzten Gatter-EINGÄNGE sollten auf +5V oder Masse gelegt
werden. (IC2 : Pin 9,11 ; IC3 : Pin 1,3,5)
| |
| |
Bedeutung der Jumper :
- J1 : RS232 Einstellung
- J2 : Rst-Invertierung
- J3 : Clk-Source
- J4 : 3,579 / 6,000 MHz
|
|
| |
Jumpereinstellungen für einge Programme :
- Cardwizard: J1=1-2, J2=1-2, J3=2-3, J4=1-2 oder 3-4
- Cardmaster: J1=1-2, J2=1-2, J3=2-3, J4=1-2 oder 3-4
|
|
|
|
|
|