Site hosted by Angelfire.com: Build your free website today!
Sundials


First attempt at a sundial

What's going on here?

Re: Assembly (sundial01.pdf)

The part called the gnomon casts a shadow on the part called the bow.
The inner surface of the bow has the hour numbers on it.  The carrier
has a sort of pointer at one end and that pointer points to the longi-
tude correction number on the bottom of the red dial.  The red dial 
can be clamped at the proper correction using the two clamp screws in 
the carrier.  The green dial has two positions, one for standard time,
and one for daylight time.  The plunger dog mounted on the red dial 
locks into holes in the green dial, locking it into one of its two
positions.  The blue dial has markings for the time of year.  It is
fixed to the harp which carries the bow and the gnomon.  The blue 
dial (and harp) can be rotated relative to the green dial to set the 
time of year.  The carrier also has a clamp to the anchor and this is 
to set the gnomon to the correct angle to the horizon for the latitude.
The anchor clamp allows the gnomon to be put in the meridian.
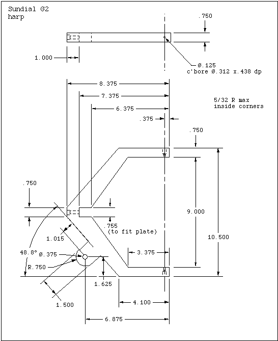
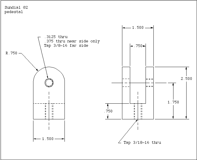
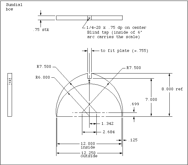
Second attempt at a sundial
It proved very difficult to have the more complicated sundial 
made expeditiously, so I scaled back to the following design,
which I made myself.

EoT, declination, azimuth, altitude

a tower sundial calculator

The dial at Filoli Center 37d 28.15m N, 122d 18.62m W

Forbidden City, Beijing, China