Site hosted by Angelfire.com: Build your free website today!
"HAVE "T" WILL SQUARE!" (next page) - W.C. "Chappy" Hill II- The "borrowed" slogan from the "Have Gun Will Travel" television series from the late 50's/early 60's. That's how long I have dreamed of owning my own business. It started out as a day dream opening a clothing store that catered to the "small man" (suit size "36" down, shoe size "8" down) but, as fortune would have it, I was thrust into the technical field(See Résumé) by a father who had the distinction of being one of the first black, degreed, engineers to graduate from Lawrence Technological University (formerly Lawrence Institute of Technology) at the time, located on Woodward Ave. in Detroit, Michigan.

H²DzynCAD was founded December 1, 1995, the same day the founder, W.C. Hill II had his job terminated due to company 'down-sizing'. Frustrated and confused, Mr. Hill went and purchased his first computer, a book on HTML web publishing, and the rest is history!

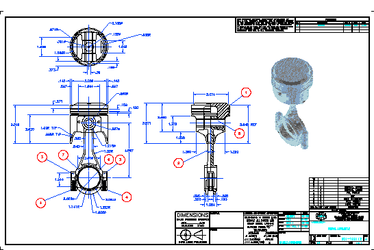
At H²DzynCAD, we take the utmost care in the preparation of mechanical, manufacturing, aerospace detail and sheet metal drawings using the following standards: ASME-Y14.5M; ANSI-Y210.1; DoD-Std-100c; ANSI-A119.2 (Recreational Vehicles); and ISO 9001 Engineering Documentation Procedures.

Architectural floor plans and renderings are generated from customer supplied specifications. Woodworking (Cabinetry, Framing, etc.) drawings are generally Isometric block and detail drawings with cutlists on drawing or separate bills of material (please specify). Sheet Metal Drawings (flat pattern layout, formed finished parts, welded assemblies, etc.) comply with ANSI-AWS-A2.4 or higher. All designs and drafting must comply with customer specifications and/or approvals. Design & Drafting Docs will ALWAYS MEET or EXCEED the highest level of professional engineering documentation practice and procedure.










SolidWorks 2000