Site hosted by Angelfire.com: Build your free website today!
       
Aral Pinoy Section


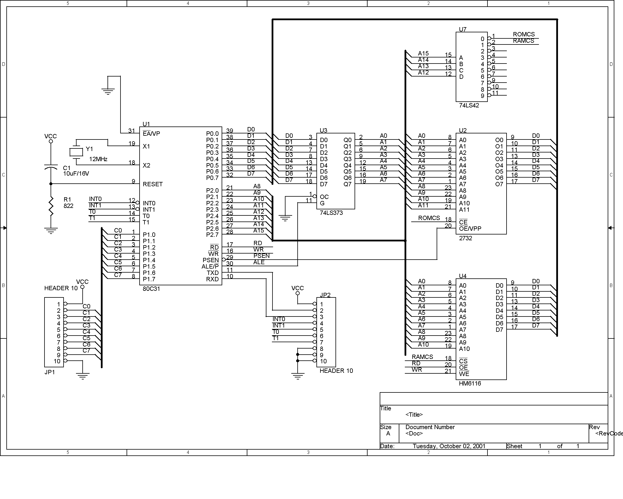
The 8051 CPU Kit

| Schematic Diagram | How the circuit works | 8051 Assembler |



The PinoyTechZone.Com
Copyright 2002-2003
All rights Reserved