Transistor Amplifier Design for Beginners. Part 5.
Noise. Common base and common emitter.
The equivalent circuit of a transistor I used earlier includes various resistors, and it is tempting to just work out the noise voltages and add their effects. Even if this approach was valid the noise sources are more or less random voltages and they are not directly additive. When one of the noise voltages is positive another may be negative, so at some instants of time they could cancel. We will assume all noise sources are 'uncorrelated' which means they are independently variable, which is true at audio frequencies but becomes less correct at higher frequencies. If one source was identical to another apart from being multiplied by a constant then we could just add their amplitudes, but for uncorrelated sources we can only add the noise powers, which are proportional to voltage squared. To get back to noise voltage we then need the square root. In other words, adding two uncorrelated noise voltages V1 and V2 the result is SQRT( V12 + V22 ). For example if we were adding 3mV to 4mV we would get SQRT( 9 + 16)mV = 5mV.
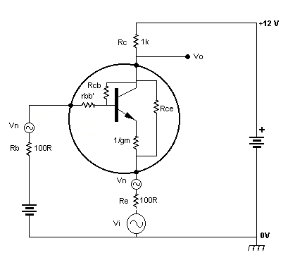
Here is the previous equivalent circuit including external 100R resistors each with noise voltage Vn :

The thermal noise voltage of resistance R depends on temperature and bandwidth, and for audio applications we would usually only be interested in a 20kHz bandwidth. With absolute temperature T and bandwidth B the noise voltage Vn is SQRT( 4kTRB ). This is the 'root mean square' voltage, which is exactly what it says, the square root of the average of the square of the voltage. This is more predictable than either average or peak voltage, and in practice the peak voltage is uncertain, the most we could do is specify some level and say the voltage is above that level on average some percentage of the time. We would perhaps guess that with nothing to limit the bandwidth, B, an ideal resistor would have an infinite noise voltage resulting from an infinite bandwidth, but real resistors always have some equivalent parallel capacitance and, perhaps surprisingly, for a given value C the total noise voltage over unlimited bandwidth is Vn = kT/C, which is independent of the value of R (but T is still the temperature of the resistor, not the capacitor). Changing the value of R does not affect the total noise voltage if C is constant, but it does affect the frequency distribution, so for increased R the noise voltage increases at low frequencies but decreases at high frequencies. In this context 'high frequencies' could be hundreds of MHz so at audio frequencies we can then safely use the previous formula for Vn which ignores the effect of capacitance.
In these equations:
Vn is r.m.s. noise voltage in volts
R is resistance in ohms
T is absolute temperature in deg.K
B is bandwidth in Hz
k is Boltzmann's constant 1.38 x 10-23 joules per deg K.With a 20kHz bandwidth and temperature 300 deg.K (27 deg.C) we find that for a 100R resistor Vn = 0.182 uV.
So is this sufficient for us to work out how much noise is added to the input signal Vi in our diagram? What we have left out is 'noise current'. We know that Rcb and Rce are very high value resistances, and we could imagine that their noise voltages being in series with such high resistance could be treated as current sources, but this is almost entirely wrong, the internal noise sources of a transistor are 'shot noise' rather than thermal noise. We could also work out the noise voltages for rbb' and 1/gm and include these in our calculation, but again we would be wrong, but not entirely. The rbb' contribution is correctly given by the formula for resistor noise, but the contribution from 1/gm is less than we would expect from a resistor of this value, instead it is the noise voltage of a resistance 0.5/gm. The equation for Vn of resistor R assumes a two terminal component in thermal equilibrium, so is not always applicable.
A diode with forward bias also has the same 0.5 factor as the forward biased base-emitter junction. So what is the reason for this 0.5/gm effect? (It becomes typically 0.7/gm for a jfet). The usual explanation is that the 0.5/gm is the input voltage noise generator with an identical effect to one component of internal noise current, but then there is an additional noise current we still need to add at the input. I intentionally used a low impedance signal source to avoid the effect of this input noise current being significant, assuming the operating current of the transistor is something like 1mA or less. At higher operating current or for higher source impedance noise current becomes more important.So can we now work out the noise added to the input signal? Yes, but there is no need to work out the individual noise voltages of the resistors, we can just add the four noise generating resistors (Rb + rbb' + 0.5/gm + Re) effectively in series with Vi and work out the noise voltage for that single value. For example if rbb' = 40R and the operating current Ic is 0.5mA, giving 0.5/gm = 25R, then the total noise resistance is 100 + 40 + 25 + 100 = 265R. Rather than work out the voltage we can just use our previous result for a 100R resistor of 0.182 uV. The voltage is proportional to the square root of the resistance so we must multiply 0.182uV by SQRT (265 / 100) and then we have a final result 0.296 uV. I should stress that this voltage doesn't actually appear at any location in the circuit, it is just the voltage we can imagine being added to the input signal from which we can work out the signal to noise ratio, and this 0.296 uV is what is sometimes called the 'input referred noise'
We often want to know the signal to noise ratio of the output of the stage, but both signal and this 'input referred noise' are amplified by the same factor, so we don't really need to know the voltage gain of the stage to work out the ratio. Suppose the input signal is 10mV, then the signal to noise ratio is 10mV / 0.296 uV = 33784 which we would usually convert to dB ( take log base 10 and multiply by 20 ) giving signal to noise ratio 90 dB. This is the signal to noise rato at the output collector, but if we measured the signal and noise at the input base we would get a very different result, in this case a higher signal to noise ratio, but in some feedback circuits the signal to noise can be lower at the input base than at the output. e.g. Inverting amplifier noise.The title of this piece mentions 'common base and common emitter', so how do we deal with a common base stage? I included 100R resistors in series with both base and emitter, so if this is the internal impedance of the signal source we can transform from common emitter to common base by just transferring the Vi symbol to be in series with Re and short out the original symbol:

This is now a common base stage, but the voltage gain and noise are unchanged. The voltage gain is Rc / (Re + 1/gm). In this common base version Rb in series with the base just adds noise and is unnecessary. The base can be earthed or bypassed to earth by a capacitor.
There is no reason why Re should be 100R in the original common emitter stage, it also adds noise. It may be required to improve linearity, or to apply feedback from a later stage, but if minimising noise is our priority then this could be reduced to zero, or bypassed by a high value capacitor if we need to include the resistor for DC bias, and the collector current should be increased to whatever value gives minimum noise for the 100R source impedance. Increasing Ic reduces 1/gm which reduces its noise voltage, but it also increases noise current in the base, so eventually this will become dominant. There is an optimum collector current for minimum total noise. This can sometimes be found from data sheets, particularly for transistors specifically designed for low noise. Generally transistors with low rbb' and high current gain are needed for low noise with a range of source impedances. For low source impedances low rbb' may be sufficient.
A common way to present transistor noise specifications is as a graph of constant noise-figure contours, an example is shown below.

The noise figure, NF, is how much noise the transistor adds to the thermal noise voltage of the signal source resistance. Suppose we want low noise with a 10k source impedance, then looking along the horizontal line starting at 10k on the vertical axis, we find it crosses the 0.5dB contour at collector current 0.6mA, and for any current from 0.6mA down to somewhere off the graph below 0.01mA NF is under 0.5dB. If we use a temperature and bandwidth such that the 10k produces 2uV r.m.s. thermal noise, and collector current 0.6mA then the transistor will add enough noise to increase the 2uV by 0.5dB. Using an online converter we find this is a ratio of 1.059, so our 2uV is increased to 2.118uV. This is again 'input referred noise' and any additional resistors in series with base or emitter will add more noise.
The graph is however at a specified frequency, in this case 1kHz, and the original data sheet (for the obsolete 2SC2547) has additional graphs for 120Hz and 10Hz. This is because there is an additional noise source not covered here, often referred to as 1/f noise, so called because it increases at low frequencies, being inversely proportional to frequency. The frequency below which it starts to become significant is called the 'corner frequency'. This varies between different transistor types and between individual samples of the same type.