Transistor Amplifier Design for Beginners. Part 4.
High Frequency Effects.
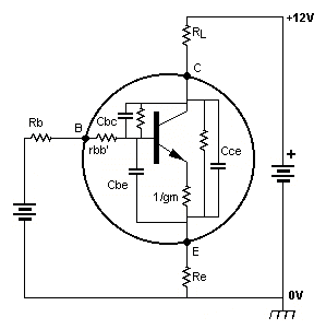
At higher frequencies, even within the 20kHz audio range, internal capacitances can have significant effect on transistor operation, and we could start by just adding internal capacitors between the base, collector and emitter as shown next:

The capacitor Cce is rarely mentioned, but it has an effect, which I will return to.
I have adopted the usual practice of taking the other two capacitors to the internal end of rbb', even though this is not entirely correct. rbb' includes a distributed resistance throughout the base region. It would be better represented by two resistors in series, one being the resistance from input terminal up to the active base region, which is more or less fixed, and the distributed resistance in the active region, which is a function of collector current, or maybe more accurately a function of base current. At high base current there will be a potential drop along the base relative to the input region, so a higher Vbe at the input end of the active region, and most of the emitter to collector current flow is then concentrated in that area, sometimes referred to as 'current crowding', and there is less effective base resistance up to that location, so rbb' falls at higher base current. Increased carrier concentration at high current can also reduce the resistance. (see P. E. Gray, D. DeWitt, A. R. Boothroyd, J. F. Gibbons. Physical Electronics and Circuit Models of Transistors. Wiley, New York, 1964, p155-156.)In a common-base circuit Cbc and Cbe are output and input capacitances, and are sometimes refered to as Cob and Cib respectively. But then, for the common-emitter circuit Cbc appears to be what is refered to as 'reverse transfer capacitance' Cre, but looking at a few data sheets reveals that Cob and Cre generally have different values, for the KSC3503 they are 2.6pF and 1.8pF, so we need to look deeper to see why. One possible explanation is that there are actually two different Cob specifications, and they should be distinguished by calling them Cobs and Cobo, which are the common base output capacitance with input shorted or open (for this common-base circuit the 'input' is at the emitter, so it is the external impedance from emitter to earth we are concerned with, which could be 'shorted or open'). The KSC3503 data sheet neglects to specify which it is, so we can reasonably guess that what the data sheet calls Cob and Cre are these two different specifications. The reason why they are different is because of the collector-emitter capacitance Cce mentioned earlier, which has an effect which differs for open or short input. For open input all the current through Cce will mostly become emitter current at frequencies up to ft, typically 100MHz or more, so it returns via the collector to cancel the effect of Cce, and we are left with just Cbc, otherwise known as Cre. For shorted input Cce connects from collector to earth, so is just added to Cbc which gives Cobs as Cre + Cce. We could then deduce, without much confidence, that for the KSC3503 the value of Cce is the difference between the Cob and Cre figures, i.e. 0.8pF.
Cbc and Cbe are not fixed capacitances. Cbc is dependent on the collector-base voltage Vcb, and Cbe is dependent on both base-emitter voltage Vbe and emitter current Ie. The capacitances are usually small for low power transistors and can be far higher for high power types.
A typical example of a small signal npn transistor is the BC550C and the data sheet includes a plot of capacitances, which it calls Cib and Cob, in Figure 5. They are both plotted as a function of reverse voltage, which may seem odd considering that the base to emitter is normally operated with forward bias. The reason for this is that there are two different contributions to Cbe, one is just this reverse capacitance, which can be extrapolated up to the forward bias condition, but at forward bias there is also 'diffusion capacitance', which is more or less proportional to emitter current Ie, and even at moderate currents this will be dominant. There would be little point extending the plot to forward voltages, at around 600mV the capacitance will take off vertically at the scale used in the diagram, and not tell us anything useful.
What is useful is another specification, ft, referred to as 'Current-Gain-Bandwidth' and plotted against collector current in the BC550C data sheet in Figure 4. At Ic = 4mA for example ft is 200MHz, and this is the frequency at which the current gain falls to unity. The input current is mostly the current through Cbe, and the output current is equal to this when the impedance of the base-emitter capacitance Cbe is equal in magnitude to 1/gm, the equivalent internal emitter resistor. At 4mA 1/gm = 26/4 = 6R5, and the capacitance with this impedance at 200MHz is 122pF. So, Cbe = 122pF at 4mA collector current. At 25mA collector current ft is again 200MHz but 1/gm is now only 1R and to have this impedance at 200MHz Cbe is now 793pF.
Clearly a 793pF capacitance could have a significant effect on our circuit operation, at the very least combined with rbb' it forms a low-pass filter, and the failure of manufacturers to include rbb' in data sheets makes this effect easy to overlook or underestimate. For our BC550C Onsemi have included the rbb' plot in the data sheet in Figure.6 and although it does not extend up to 25mA we can guess that it will be about 120R. The resulting low-pass filter would then be -3dB at 1.67MHz, which in some applications, for example included inside a feedback loop, may be a problem. This low-pass -3dB frequency calculation ignored the fact that both rbb' and Cbe will be distributed through the active base region, so not just a simple RC filter, and a reasonable deduction is that it will reduce the effect.
Some transistors have higher rbb', the MPSA18 I believe has rbb' = 800R, but fortunately some are far smaller, the BC327 has rbb' = 30R, and there are others such as the ZTX851 reputedly as low as 2R. To reduce the capacitance Cbe we need high ft and keep collector current low if possible.The diffusion capacitance is also covered in 'Designing Audio Power Amplifiers' (Cordell, 1st Ed.) on page 22, where we find an example of a 2MHz fT transistor operating at 1A which has a calculated Cbe of over 3uF.
Cbe in power transistors is not only high it is also proportional to collector current, so we would predict 30uF at 10A. (I have some doubt about this, gm is not actually proportional to Ic at high currents, there is a small series resistance ree' in series with the emitter which may need consideration). Most modern designs would use transistors with higher fT and therefore lower Cbe, but fT falls at high current, so our MJL21194 with fT 7MHz at 1A can fall to under 2MHz at 10A, so again Cbe is predicted to be 30uF. That is just one more reason why I prefer lateral mosfets.Lateral mosfets don't usually have a fT specification, but using a similar approach we can work out something equivalent, defining fT as the frequency at which Cgs has impedance with the same magnitude as 1/gm, and what we find is that not only is fT far higher, e.g. 300MHz at 1A, than for similar power rated BJTs but it increases at higher current because gm increases while Cgs stays more or less constant for Vgs increasing over 2V. Cgs is typically 700pF for the EXC10N20, but the lower gm compared to a BJT leads to a greater range of variation of Vgs compared to the equivalent Vbe variation, so some of the advantage is lost, but it still is far better.
Update: There are now a few high power bipolar transistors (BJTs) such as the 2SC5200 designed for audio amplifier outputs, with minimum fT specified as 30MHz. Looking at the data sheet however we see that this is at collector current 1A, and there is no indication of what happens at higher currents. A more helpful example is the MJL3281A, a 200W 260V 15A device, again with minimum 30MHz fT at 1A, but more revealing is Fig.2 in the data sheet showing 'typical current gain bandwidth product' as a function of collector current. The typical value is even higher at 1A at 50MHz, but for comparison to the lateral mosfets look what happens at 8A, fT has plummeted to around 12MHz, and that is at Vce = 10V, at 5V it drops further to 3MHz.
Working out the equivalent fT at 8A for an EXC10N20 mosfet we get 1/gm = 0R4 and Ciss = 700pf giving fT = 625MHz, so 52 times higher than for the 'high frequency' MJL3281. That is just for the 10V Vce figure, the mosfet saturation voltage is too high to make a comparison at 5V. That is one of the few reasons why we may prefer the bipolar transistor, the far lower saturation voltage will allow a significantly higher output voltage swing for a given supply voltage. Alternatively we could just use a higher supply voltage for the mosfets, but then we may need parallel pairs or at least a better heatsink.Footnote: I should mention the way we specify component values, for example 6R5 being used instead of 6.5 ohms, or 1k2 instead of 1.2k. This avoids decimal points, which may appear to be pointless, (sorry), but some years ago when we had to rely on books and data sheets printed on paper, and often used copies passed through various photocopiers and fax machines of variable quality and resolution, a decimal point could easily become invisible, so avoiding them was a good idea. I'm not certain if that was the original motivation, but anyway we still find poor scanned copies of circuit diagrams on websites, and those not complying with this standard are sometimes less than clear.