Transistor Amplifier Design for Beginners. Part 3.
Common Base.
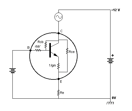
The small-signal equivalent circuit used here is the one I ended up with in the not entirely dependable 'common emitter output impedance' article. The model is little more than the widely used 'hybrid pi' model apart from using a sort of idealised transistor in place of the controlled current source, which really adds nothing apart from making circuit operation easier to visualise (at least for me). This is based on an approach used in a series by A.J.Blundell, in Wireless World, starting in June 1971, 'A New Approach to Transistor Circuit Analysis'. Anyway, it's used here to explain the operation of the 'common base' circuit. In the common emitter article mentioned above I worked out the resistor values based on actual measurements of a 2SA1085E, chosen because the base-spreading resistance rbb' has a low value around 2R and so can be ignored. I found Rcb = 50M and Rce = 113k, with current gain hfe = 500. All the resistors Rce, Rcb and 1/gm are expected to be inversely proportional to collector current. The values will be assumed to apply at Ic = 1mA. Then 1/gm = 26R, assuming operation at temperature around 20deg.C.
One convention I tend to ignore is to use lower-case letters to signify small-signal values, so what I call Rce should be rce and what I call Rcb should be rcb, or maybe even rcb', but I think it is obvious what is meant. My apologies to the more pedantic readers. I also use hfe on occasions where it should be (hfe + 1), for most applications this is accurate enough.
The internal transistor symbol represents an idealised transistor with infinite output impedance, fixed base-emitter voltage 600mV and normal current gain hfe. The added resistors then define the actual output impedance and Vbe.First of all, what is the output impedance of the transistor, and how does it depend on the external resistor Re? The base is in effect earthed for AC analysis, being biased to a fixed potential. To determine the output impedance we can apply a signal source to the collector and work out the current into the collector.

There are three current paths from collector to earth, one direct through Rcb and the second via Rce, then a third through the 'internal' collector. In this model the transistor symbol represents an idealised component with infinite output impedance, the actual finite impedance being represented by Rce and Rcb. So, with an infinite impedance why would there be a current through the collector? This is because some of the current through Rce goes into the emitter and this becomes collector current (plus base current). If Re was infinite, or more practically is a constant current source, then all the current through Rce goes into the emitter. If all the emitter current became collector current then this would cancel all the current through Rce and we would be left with just the effect of Rcb which is then the output impedance. However, as mentioned, the emitter current also includes base current, so for current gain 500 one part in 500 of the current through Rce is not cancelled, so the effective impedance when we combine the two paths is 500 Rce, or more generally hfe.Rce, which in this example is 56M. This is about the same value as Rcb, my measurements were not highly accurate so the two impedances may in fact be equal, and some sources do specify Rcb = hfe.Rce. However, hfe varies with collector current, so the earlier assertion that Rcb and Rce are both inversely proportional to collector current would require hfe to be constant, so one of these relationships is wrong, or at least only approximately true. My measurements did suggest that Rcb was not accurately inversely proportional to collector current. Anyway, the result is that with a high impedance for Re the output impedance is about half of Rcb, in this example 25M.
If Re was a lower value then part of the current through Rce would go to earth via Re and part into the emitter. A simple example is if Re = 1/gm = 26R then half the current through Rce becomes collector current, and the output impedance is about 2Rce = 226k. We should still include the effects of Rcb and the base current, but in this case these have only a small effect, around 1%, so given the limited accuracy could be ignored. The conclusion then is that Re has a big effect on output impedance and if we want a high impedance then Re needs also to be a high value.
We have reasonably assumed the base is 'earthed', this being an article about the 'common base' circuit, but if there was an external base resistor then it all gets more difficult, and I will leave that as an unsolved problem for interested readers to contemplate.
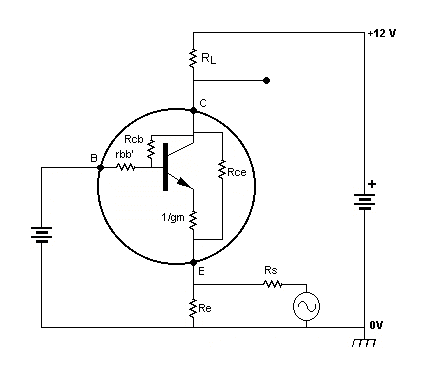
The usual way we would use a common-base circuit is with a signal applied to the emitter via an impedance shown next as Rs.
.

Working out the gain is easy enough, if we again use a high Re or current source, then the input current at the emitter is just the signal voltage divided by the total series resistance, which is Rs plus 1/gm. There is also a small current through Rce, but Rce is far higher than 1/gm so that is insignificant.
The emitter input current mostly flows out of the collector through the load RL which we will assume is small compared to the transistor output impedance, so we can easily see that the voltage gain is RL / ( 1/gm + Rs ).
If RL is large then we need to include the transistor output impedance in parallel with it.There are situations where the current through Rce is not insignificant, in particular if both base and emitter are driven with the same signal voltage, then there is no base to emitter voltage and therefore no current through 1/gm, then the only signal current reaching the collector is through Rce. This situation with identical voltages at base and emitter is an example of a 'common-mode' signal, and the current via Rce can then be classified as 'common-mode breakthrough' or sometimes there is a specification of 'common-mode gain', which is just the ratio of output voltage to the common-mode input voltage. Maybe the most common specification is 'common-mode rejection ratio' (CMRR) which is the ratio of common-mode gain to differential gain. For example a 60dB specification means there is a 1000 times higher output voltage for a signal applied to just one input, in this case either base or emitter, compared to the same signal applied to both base and emitter.
Again I must stress that the relevant transistor specifications such as hoe have a wide range from minimum to maximum, in one example a ratio of 5, so the sort of impedance values derived here are far from dependable. If we want a high output impedance however there are ways to select suitable transistors, for example choosing types with low specified current gain hfe and high maximum collector-emitter voltage Vce. We could also look for a high 'Early Voltage' but this is rarely if ever specified, and again figures may not be very accurate. Its value can in principle be deduced from plots of collector current as a function of Vce at fixed levels of Vbe (or maybe that should be 'at fixed levels of base current' I have seen both versions, and they will give different results) , and it is also related to output admittance hoe, which we would want to be small.