Transistor Amplifier Design for Beginners. Part 2.
Emitter Followers.
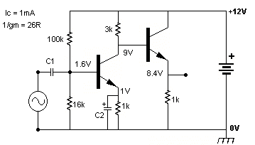
Starting from the final circuit in Part 1 we can now look at ways to improve it.

One problem with this basic circuit is that the output impedance is fairly high, a little under 3k, which is ok if the following stage or load has a high input impedance, but a lower impedance load will reduce the voltage gain of the circuit. The gain is proportional to the total load, which is the 3k resistor in parallel with the connected load. One option is to add a second stage as shown next, the added stage is known as an 'emitter follower' on the grounds that the voltage at the emitter follows the base voltage apart from an almost constant difference (Vbe) around 600mV.

The emitter follower has close to unity voltage gain, but its input current is smaller than its output current by a factor hfe, the current gain, which for this example we will take to be 500. For a 1V signal into a 1k load the signal current is 1mA, but for current gain 500 the corresponding AC input base current is 1/500 mA = 2uA. The input impedance at the base is therefore 1V / 2uA = 500k. This will have very little loading effect on the 3k output impedance of the first stage. Similarly we could calculate the emitter follower output impedance and find it is the 3k impedance at the base divided by 500, giving just 6 ohms, but this is wrong because we have ignored variations in Vbe assuming it to be fixed at around 600mV. We also need to add the internal emitter resistance, and if we use a 1k emitter load resistor as shown, then we have a 8.4mA operating current and internal emitter resistance is about 25/8.4 = 3 ohms, so the total output impedance is 9 ohms. Any further attached load needs impedance large compared to 9 ohms to avoid reduced gain.
So far I have given the impression that we always want any load impedance to be far greater than the signal source impedance. While this is often the case it is not essential, we could drive a low impedance from a high impedance, and there are examples on this website where I did that, for example with a transistor base driven via a 2M7 resistor, and there are even more examples where the source and load impedances are around the same magnitude.
The common assertion that bipolar transistors are voltage controlled rather than current controlled should not be taken to mean we can always ignore base current, or that we are compelled to only design circuits based on voltage drive. There are both voltages and currents in any circuit, and we generally need at least an estimate of the effect of input current, otherwise how would we know for certain whether its effect is significant. Designing circuits where current gain is not critical is generally a good idea because of the wide range of values, the BC560C for example has hfe specified as 450 to 900 at 2mA collector current. (In practice if you buy 100 BC560C types they will probably almost all be within a much narrower range, maybe 550 to 650). What matters is to specify a type with sufficient minimum gain for a given application, unless we are prepared to test and select each one used. In part 1 I included the effect of base current for a certain current gain, but in practice we would need to check the transistor data sheet to see the possible range of current gains and determine whether the worst case value could be a problem.If we couple the above circuit to a low impedance load via a capacitor, then on positive half-cycles the output transistor can conduct more heavily and could maybe supply 100mA or more, limited by its permitted power dissipation and available base current. On negative half-cycles however there is only a small current available via the 1k emitter resistor. To get a similar high current on both positive and negative peak outputs we can add a further transistor, this time a pnp type which can supply high negative currents into the load. This is starting to look more like a typical power amplifier circuit, though the available output power will still be rather low because of the limited base current available through the 8k2 resistor.

The output transistors could be operated at high enough current to ensure they can drive the chosen load without either of them switching off at any point, and this is classified as class-A operation. With a lower operating current one of the transistors may be reduced to zero current when the other transistor is providing high output current, then operation is in class-B or class-AB depending on whose definition of class-B you choose. In the diagram above a pair of diodes are included to provide the bias voltage to make the output transistors conduct, and these will at least compensate to some extent for temperature effects, each having a similar -2mV / deg.C temperature coefficient as the base-emitter voltages. In practice we want to use fairly small emitter resistors for the output transistors and then bias voltage is quite critical, and some sort of adjustable bias is needed using a preset potentiometer. The usual bias circuit used has a transistor and several resistors, including one preset, to provide both adjustment and temperature compensation.
In most power amplifiers the output stage is driven from a relatively low impedance compared to our simple basic circuit above. Driving it from an 8k2 impedance complicates calculation of the optimum bias current, but to keep it simple that is ignored in the following section, the aim being to explain optimum bias adjustment in a more typical power amplifier.
If the transistors are allowed to switch off at higher output currents this can add some unpleasant sounding 'crossover distortion', and various methods can be used to reduce this to acceptable levels, including negative feedback and error feedforward. The choice of operating current is also important, and there is one optimum level at which distortion is minimised. This is sometimes called the 'Oliver bias' because of it's coverage in a 1971 article by Barney Oliver. This current is chosen so that the internal emitter resistance of each output transistor is about equal to the external emitter resistor. The internal resistance is not accurately known, and in any case varies with temperature, but in practice the optimum bias current can be determined well enough by observing the distortion with a suitable measuring instrument while adjusting the bias to minimise it. The theoretical ideal 'Oliver bias' is easily set because for any external emitter resistor value this is set by adjusting the voltage across one of the resistors, shown as Ve in the diagram, to around 26mV. That gives a more or less optimum bias whatever the value of the resistors. For example with 0.5ohm resistors a bias current Ic = 52mA gives the required 26mV.
The internal resistance Re is the inverse of the mutual conductance gm and is given by 26/Ic ohms, where Ic is collector current in mA. At 52mA Re is therefore 0R5, the same as the external resistor used, giving total resistance 1R and therefore gm = 1. The two halves of the output stage in parallel add equal contributions to gm making the total 2. At high currents the internal Re falls to very low level and gm is just the inverse of the external 0R5 making gm = 2. With one transistor conducting heavily the other will be switched off, so there is just the one contribution making total gm = 2. We therefore have the same output stage gm = 2 at either high output current from a single transistor, or at the crossover point where both transistors conduct equally. Between the mid point and high current regions there are still some bumps and dips in gm, so we don't get perfect linearity, but we are around the optimum bias for minimised distortion.In reality transistors have additional internal resistances in series with both emitter and base, which will generally be small in a medium or high power transistor, but may need to be taken into account if we want to rely on calculations of optimum bias. These are ree' and rbb', which rarely appear in data sheets, so in practice it is easier to find the optimum by extracting and observing the distortion while adjusting bias. There is also an assumption that the output stage is driven from a low impedance, which is certainly not the case in my diagram, but may be a good approximation in some more complex practical examples.