Can Feedback Cancel Time Delays?
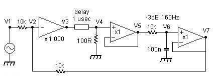
What happens if we add a real time delay in the middle of our feedback amplifier? Let's not be too ambitious, 1 usec will do for now. Also, for now use amplifiers with unlimited bandwidth. The time delay is the lossless transmission line from AIM-Spice, and needs to be terminated in the correct impedance, in this case 100R. The inverting input stage has voltage gain 1,000 and there is a unity gain output stage. The 100R and 5pF output filter are just to prevent the phase plot jumping repeatedly between +180 and -180, which seems to be an otherwise unavoidable feature of AIM-Spice.

The output V6 shows that what we have is just a unity gain inverting amplifier, with nothing except the slight ripple on the gain plot to suggest the delay line is having any significant effect.

So what has happened to the time delay, we would expect it to add a phase lag proportional to frequency. The answer is revealed by looking at V3 at the input end of the line:

The gain is again more or less flat, but we also find a phase shift which becomes more positive as the frequency increases. This is a time advance, and what we find is a phase advance of 360 deg at 1MHz, equivalent to a time advance of 1 usec. The jump from +180 to -180 at 1MHz is, as usual just a Spice effect, and the phase continues becoming more positive indefinitely. It appears that our feedback loop has created a time advance at V3 to cancel the following time delay.
So, does this mean we have invented time travel? No, the big problem is that real amplifiers don't have infinite bandwidth, and to keep our feedback loop stable we need to get the loop gain down to less than unity before the excess phase shift reaches 180 deg. The delay line is already adding phase lag, but without any fall in gain, so we need some fairly extreme compensation to get the gain down without too much total phase lag, and the next diagram is just an open-loop circuit with a simple first-order RC low-pass filter as frequency compensation, giving gain -3dB at 160Hz.

The next plots show the open-loop gain and phase shift, and with the 160Hz -3dB compensation we have only just got the gain down to unity around 150kHz with phase margin 40 deg. At higher frequencies the phase shift goes rapidly more negative. The bandwidths of the amplifier stages are still unlimited in the simulation, it is the ever increasing phase lag from the delay line that forces us to add severe frequency compensation to get the gain down to unity before the phase goes too far.

So what happens to our 'time advance' when we include the frequency compensation in a real amplifier to keep it stable, with the next circuit:

The next diagram shows the result, the phase shift before the delay line is V3 in red, after the delay is V4 in green, and the final amplifier output phase shift is V7 in blue. I had to edit the original image to eliminate the confusing feature of Spice which shows anything more positive than +180 as negative.

If we eliminate the time delay the green trace stays about the same up to 50kHz, the feedback is in effect primarily adding a phase advance to cancel the phase lag of the RC frequency compensation, then with 1usec delay included there is indeed an additional phase advance up to about 230kHz to cancel that delay, so we can still say there is a time advance at V3, but only over a limited frequency range, and it is now just a small addition to the dominant effect of the RC compensation. So, just a normal feedback amplifier without significant time delay already creates a 'time advance' effect over a limited frequency range, and this is just another example of a 'negative group delay' which I covered in my Group Delay, Time Delay, and Phase Shift page, where I listed several useful references about negative group delays, some of which explain why a time advance is not in conflict with causality, provided it only applies to a band-limited signal.
Strictly speaking there is only a negative group delay when phase shift becomes more positive as frequency increases, which only applies to the above plot for V4 up to 1kHz, above that the phase levels off, and there is just a 'phase advance', followed at higher frequencies with additional phase advance for V3 to compensate for the delay line.Footnote 1:
To intentionally add a 1usec delay to our amplifier circuit we could for example add a coaxial cable with length typically over 200 metres in the circuit. Clearly real delays in audio amplifiers are never anywhere near this, they will generally be no more than a few nanosec, and as demonstrated here the feedback loop has no problem creating a 'time advance' to compensate.Footnote 2:
About recursion: I found a description of negative feedback from an amplifier manufacturer: "This feedback network forms a recursive loop. When the correction signal reaches the system output, the error at the output should be reduced. Any remaining error is fed back to the input to further correct the output. If the feedback system is well designed, the error will null toward zero after multiple passes through the loop."
It is certainly possible to analyse a feedback loop by starting with initial conditions and then calculating changes after a small time step, going round and round the loop updating the voltages at each step, and as far as I know there is no good reason not to choose the delay through the amplifier as the time step. I believe Spice uses something like this for transient analysis.However, in audio we are dealing with band-limited signals, and then, as I demonstrated above, a feedback loop can compensate for a small time delay, in effect generating a negative group delay ahead of the time delay to almost entirely cancel its effect over a limited frequency range, assuming a high feedback loop gain.
This is perhaps counter-intuitive, but this idea of error correction going round and round the loop only seems to make sense if there is a significant net time delay in the loop. What, you may ask, is a 'significant delay'? during an extremely small delay the wanted signal may change its level by an amount less than the average noise level, so that could be our definition of an 'insignificant time delay'. Starting with a delay of a few nanosec and adding the effect of a 60dB feedback loop gain should leave net delay well down into the 'insignificant' category.Phase lag can also be cancelled by the feedback generating a phase advance ahead of the phase lag to cancel its effect, and in practice for a stabilised feedback loop the phase shift from the compensation capacitors will be the dominant effect, and any time delay just adds a little more equivalent phase shift for our band limited signal.
In my Feedback Effects page I showed how distortion added inside the loop gets shifted in phase in the opposite direction to the compensation circuit phase shift and fed back to the input stage, and for our band limited case we can include any time delay as an equivalent frequency dependent phase shift. There is therefore also cancellation of time delay round the loop for the distortion component of the signal.My conclusion about the 'round and round the loop' description is that you can think about it that way if you want to, but you don't need to, and if you are not aware of the delay cancellation effects of negative feedback it could easily lead you to overestimate its significance.
So, the advantage of negative feedback is that over a limited bandwidth it can generate a time advance to cancel a time delay, generate a phase advance to cancel a phase lag, and generate an inverse transfer function to cancel a nonlinear transfer function. What's not to like?As I said, the idea that a time delay can be cancelled, though only for a band limited signal, may seem counter-intuitive, I tried to explain how that works in my Group Delay, Time Delay, and Phase Shift page, which includes a few references worth looking at. We would expect an input signal could have a definite start at a point in time, and then there can be no feedback reaching the input stage until after the forward path time delay, but band limited signals don't have that definite single point start, something I also covered on my Feedback Effects page in the section about time delays.