Op-amp based Phono Pre-amp
The previous phono-preamp design using a jfet input stage and vertical rumble cancellation continues to be the most visited page, but I know one or two constructors had problems, so I decided to add an alternative simpler circuit based on a single dual opamp and single equalisation networks. The vertical rumble cancelling circuit can still easily be included, provided the load is not much under 10k. I decided on a direct-coupled input design, using the OPA2134 jfet-input dual type, just because I have a few and have used them before. There are lower noise types, but my experience with my previous design convinced me that even with my own low output cartridge circuit noise is unlikely to be significant compared to disc surface noise.
I have here calculated the RIAA network values, which gets a little tricky when we include four time-constants in a single network. For the calculation the op-amp gain is assumed to be infinite so that it has no effect on the response, but later simulations are used to check the effect of the actual finite gain of the op-amp to be used, and adjustments suggested to compensate.
Once we choose the resistor from inverting input to earth as 100R or some other convenient value, then there are no further choices to make, the other 4 component values are also determined and can be calculated. This time I used the alternative network with a resistor in parallel with each capacitor, as shown next:

The time-constants are 3180uS, 318uS, 75uS and 3.18uS. The 3.18uS is optional, there is no certainty that this value is always used for the RIAA pre-emphasis on recordings, but this circuit has a 4th time-constant whether we want it or not, so it seems reasonable to use the not entirely standard value of 3.18uS. A further low-pass filter can be added at the output if the 4th time-constant is not required, and that is my personal preference.
Having chosen R3 to be 100R the other component values can be calculated as:
R1 = 1767.51 ohms
R2 = 21717.3 ohms
C1 = 0.042432 uF
C2 = 0.146427 uFThe ratio of the capacitors works out as 3.45086, but one of the references I listed says it is 3.450810811, probably the difference is just my rounding errors, I didn't work out each stage in the calculation to 10 figure accuracy.
In practice we want to use standard capacitor values, so some adjustment is needed to achieve this. If we increased all resistors (including the 100R) by a factor Q then we must reduce both capacitors by the same factor. For example if we decide we want C1 to be 0.01uF then the component values become:
R1 = 7500 ohms
R2 = 92150.8 ohms = 91k + 1k2 or 100k // 1M2
C1 = 0.01 uF
C2 = 0.03451 uF = 0.033uF // 0.0015uF
R3 = 424.32 ohmsFurther adjustment is included later to compensate for finite op-amp gain.
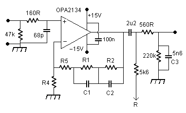
Whatever value we had chosen to start with for R3 the set of 4 time-constants then determines the other component values, but the gain at 1kHz is exactly the same. We may want more gain than this basic version provides. This can be done by splitting R3 into two resistors in series, with the op-amp inverting input taken to the junction of these resistors. An example is shown next, with R3 replaced by R4+R5, and the optional output filter and vertical rumble filter are added also to arrive at almost the final circuit.

The value of R4 also has some effect on the noise level, the noise voltage of this resistor is in effect in series with the input signal, so we want to keep the resistor value small. The OPA2134 noise voltage is about equivalent to the noise of a 3k resistance, so we should aim for something much less to avoid a significant increase in noise. 100R is good, and 424R still ok. I decided to aim for the same 1kHz gain as for my previous circuit, and then we need R4 = 160R and R5 = 264.32 = 270R // 12k, then it is the 160R noise voltage we need to worry about, and this is adequately low.
If we made R4 too low we would then have the problem that the op-amp output needs to drive a higher current into the feedback network at high signal peaks. For the same peak input limit as my previous circuit we need up to 800mV across 160R, so a current peak of 5mA, which is well within the typical 35mA output capability of the op-amp. In normal use the peak input likely to be encountered using a typical 1mV/cm/sec cartridge is around 75mV according to peak level data published by Shure, requiring less than 0.5mA peak feedback current from the op-amp.
A further requirement may be a low-pass filter at the input to reduce interference pickup. I fortunately don't have any significant sources of interference at my location, but not everybody is so lucky, and at least a simple RC filter is worth adding. Again any series resistor adds noise to the input signal, so something like 160R is again a reasonable value. The capacitor will load the cartridge, and may have significant effect on the high frequency response, so this really needs to be chosen to match the cartridge requirements. Most cartridge manufacturers specify a recommended load capacitance, and this includes cable capacitance, which we may not know very accurately, so some estimate is needed. I used 68pF previously, but I have a low impedance cartridge with low sensitivity to capacitance load, so this is not necessarily ideal for all cartridges. Anyway, for my own use the RC filter is 160R and 68pF. Anyone with serious interference problems could try up to 3k and 470pF, but the noise and frequency response may suffer, and in some cases improved screening may be more effective, or at least less harmful.
What about offset voltage? The DC gain is around 600, so the maximum specified offset of +/- 2mV gives 1.2V at the op-amp output, and a typical value of 300mV. This is of practically no importance because of the capacitor coupling added by the rumble filter circuit. If anyone wants to worry about symmetrical clipping they need to use two of the OPA134 single op-amps which have an offset adjustment option. Another alternative is to include a high value electrolytic, something like 470uF, in series with R4. Clipping should never occur in normal use, so neither 'solution' is really necessary.
The 2u2 capacitors in the output circuits of the two channels have their outputs connected together via a 5k6 resistor, and this is used to cancel opposite phase bass signals produced by vertical rumble. This was explained in my previous articles on phono pre-amps. There are various higher-order versions giving greater rumble reduction, but some of these have problems, and I prefer to stick with my simple first-order version. The final components, the 560R and 5n6 are an optional low-pass filter designed to cancel the fourth unwanted time-constant. If not required omit the 5n6 but keep the 560R. The load on the output from any following circuit should be as high resistance as possible, certainly not much less than 10k otherwise there may be significant bass reduction. If the load is connected via a cable its capacitance should not be much more than 200pF, unless the 5n6 has been omitted, then more load capacitance is less of a concern.
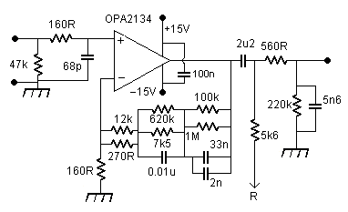
Here is more or less the final circuit showing component values. Certainly a regulated supply should be used, preferably +/- 15V, but a +/- 9V battery supply should also work fine, the total current requirement for the two channels is only 8mA (typ). Component values have been adjusted to compensate for finite op-amp gain, as explained in the following 'simulations' section.

Simulations
Here are simulation results showing the error compared to an ideal RIAA response. C3 was omitted for these results and the 3.18us time-constant included. First a very high gain and gain-bandwidth is used for the op-amp so that only the component errors are revealed, and it can be seen that the errors are very low, the small fall at low frequencies is mostly the effect of the 2u2 coupling capacitor. The specified component values are used, not the exact calculated values, but of course the real components may have a 1% tolerance so even with an infinite op-amp gain such low errors are not guaranteed.

Using the specified gain and gain-bandwidth of the OPA2134 gave the next results. I tried both the minimum and typical specified DC gain, but found little difference between their effects. The gain-bandwidth is far more critical, but only a 8MHz typical value is specified. The first result is with the original component values.

The error can be reduced by small adjustments to the component values. First of all C2 is changed from 0.0345uF to 0.035uF. This was originally 0.033uF in parallel with 0.0015uF, so the 0.0015uF was increased to 0.002uF (2nF). Then the 7k5 is reduced by adding 620k in parallel, and the 1M2 in parallel with the 100k is reduced to 1M. The result is shown next:

The error is now reduced to around +/- 0.01dB from 20Hz to 20kHz. We have however made adjustments comparable to the 1% tolerances, so there is no guarantee of any real improvement, but these additional tweaks only need one extra resistor, so although possibly pointless there is no good reason not to include them, and the final circuit above now includes these updates.
References
Phono Preamp Using active RIAA Equalisation by AndyC includes a calculation of component values for the same circuit I used. My own calculation used a different approach, but ends up with more or less the same figures, apart from my rounding errors.
OPA134 Data and application information for OPA2134 and OPA134.