MC Phono Preamp
I promised to think about an add-on for the MM Phono-preamp to add enough gain for use with a moving-coil pickup. I don't have a MC pickup to try, and don't currently need a MC preamp for my own use, but even so it is an interesting design problem. These pickups have a wide range of output levels, so a single fixed gain stage is not really adequate for all possible types. I decided on a gain of 30dB just as an example, of course it could be modified for more or less than 30dB. Here is a first version, so far not built or tested:

The circuit is almost certainly not original, something similar was used by Quad, and it has a few problems such as needing well matched current gains to reduce current through the cartridge, unless a capacitor coupled input is used. Even with equal current gains there could be dangerously high input current if the supply voltages are not equal, either because of a fault or because the voltages switch on or off at different rates. Here a simple addition is shown which can reduce supply differences. The added transistors should be able to dissipate 1W continuously and have high current gain, preferably 200 plus. I must stress that I have not built or tested these circuits, and there may be other problems to solve.

Using what is in effect two input stages in parallel has its dangers, particularly with two separate feedback networks. Failure to accurately match the two networks can have unwanted effects if we are not careful, and in practice matching is quite difficult because each network includes a high value electrolytic, and their capacitances and their series resistances are not close tolerance. The immediate connection of the input stage collectors avoids any modulation of operating current levels of following stages with unbalanced feedbacks. This point at the collectors is a 'virtual earth' because of the op-amp feedback via the input transistors, and there should be very low signal level at this point. The op-amp can be almost any type with unity gain stability, and at least moderately low noise. The OPA134 or for both channels the dual version OPA2134 would be my own choice. The ZTX951 and ZTX851 are chosen for low noise with low source impedance, primarily a result of low base-spreading resistance rbb', reputedly under 2R. There is an additional equivalent noise resistance in series with the emitter of about 0.5/gm, so high gm and therefore high emitter current are needed, around 10mA. The feedback resistors shown as 3R3 also add noise, so their value needs to be small. The two transistors are effectively in parallel, and this can reduce the noise by about 3dB compared to a single transistor stage.
For higher gain the 100R feedback resistors can be increased. The 47R should be increased by the same factor. For lower gain it is better to increase the 3R3 resistors, if the 100R were reduced they would bypass more current and reduce the transistor current.
An alternative variation may avoid some problems, there is now a single feedback resistive divider, avoiding matching problems, but still two electrolytics. This is closer to the old Quad circuit:

The problem with this version is the lack of overall DC feedback, so the input stage has to be coupled to the opamp via a capacitor and a DC feedback resistor added. I don't really like this circuit, I think it may be more difficult to prevent high input currents compared to the first version
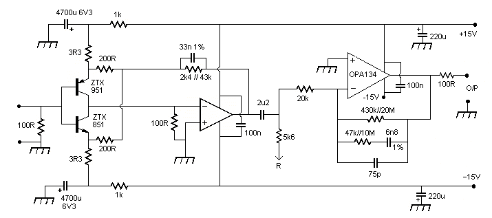
The obvious problem with either of these add-ons is that we then have three feedback amplifiers in series in the complete phono preamp, and it would make more sense to use this sort of input stage in place of the original input section rather than in addition. How best to do that needs more thought, but here is a first example:

If both MM and MC pickups are to be used then switched input stages become necessary. The input stage may need some adjustment to keep the opamp output offset low, this could be a problem for example if the opposite supply voltages are not equal magnitude. Again I'm not entirely happy with the circuit and may add a future update.