Guitar Pre-amp Mk3
The third version of the guitar pre-amp still includes sustain and tremolo, but now uses a photo-coupled light dependent resistor (LDR) to control the gain in the sustain circuit. Initially I used a capacitor across the 200k connected to the BC560 collectors, but after some experimentation found the best sound quality without this capacitor. This part of the circuit acts as a full-wave rectifier, and is used to detect peak signal level. Some of the examples on the project92-Elliot Sound Products page about sustain circuits also don't use a capacitor after the rectifiers, and at first I thought that must be a really bad idea, but evidently it works well. The explanation given on that page is that the LDR has a slow response time, and that is enough to effectively filter the distorted rectified signal. The Silonex NSL-32SR3 I tried first is described as having 'fast rise and decay time' so I remain puzzled why it still works so well, and why adding a smoothing capacitor has a bad effect. There is some slight buzzing distortion at the bass end, so I thought a slower LDR would be a better choice. The decay time specified is 10msec for the NSL-32SR3, alternatives are 80msec for NSL-32SR2 and 500msec for NSL-32. I tried both of these, but the NSL-32 needed a higher operating current. The final choice is the NSL-32SR2, which has high sensitivity and low distortion unless the sustain control is turned close to maximum.
The jfet used in the tremolo circuit appears to be more critical than I expected, I originally used a surface-mount type PMBFJ112,215 made by NXP and that worked well after adjustment of the 1M preset for best effect. Then I tries a TO-92 case version of the J112 from Fairchild, and only a small effect was possible, and that needed the preset turned down close to the -4.5V supply. The specification for VGS(off) is -1V to -5V, so maybe the Fairchild version is closer to the -5V limit. Maybe the J113 is a better option with its -3V maximum specification. Anyway, I returned to another NXP device and again it works fine. Anyone building this circuit should consider also ordering a J113, or maybe use 3 terminal pins or a transistor socket on the board to make it easier to try different jfets.
With both sustain and clipping controls at maximum some faint pickup from the tremolo oscillator can be heard, and the noise becomes audible also, so only one of these effects should be maximum at any time, otherwise the gain becomes too high. I have a new layout to try which separates the tremolo oscillator from the sensitive high gain stages, so that may help, an alternative being to switch off the oscillator when not in use.
The sustain is probably excessive at the maximum setting, and it may be a good idea to reduce the control pot value. Maybe the clipping level control should also be reduced. I suggest starting with 100k but try adding a 56k resistor in parallel to see if the maximum effect is still enough. Some experimentation is worthwhile with this sort of project, where the desired effect is largely a matter of personal taste.To simplify the circuit and use only two dual op-amps I initially left out the bass control, but this could still be included by using a variable 2k in series with 470n at the first stage inverting input as shown now in the circuit diagram. Maybe 2k variable in series with 470R. This would keep low bass frequencies almost unchanged but vary the relative level of the higher frequency range, which is not the usual way to make a bass control, but could be ok.

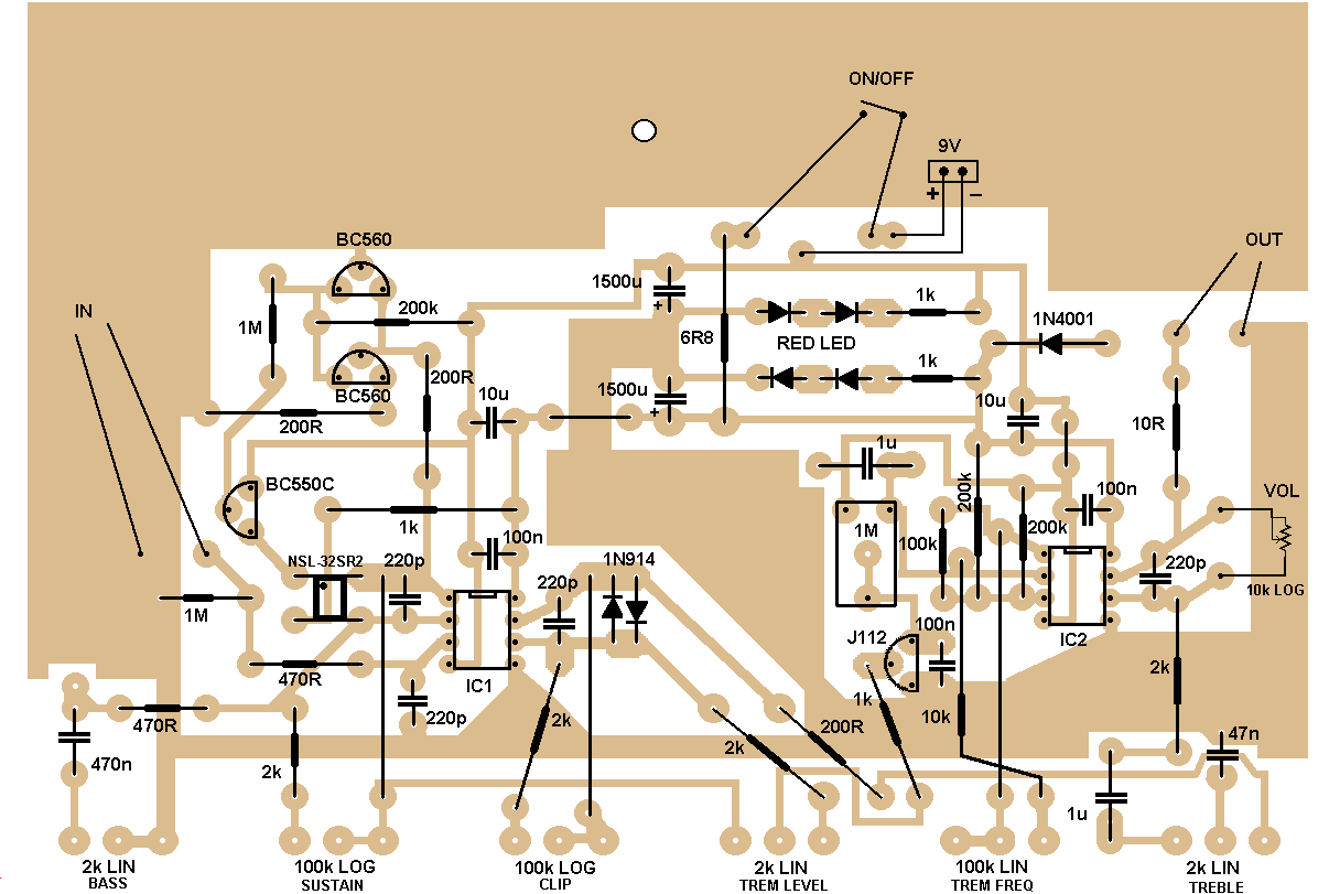
The Opto-coupled LDR is shown as two separate components, but these are a single component with four leads.
The 1M preset in the tremolo oscillator circuit is to compensate for different jfet characteristics and should be adjusted for greatest, or best sounding tremolo effect with the tremolo level control set to maximum. If the maximum effect is still not thought to be sufficient the 1k in series with the J112 jfet can be reduced, e.g. to 470R.The op-amp chosen may not be the best choice, so I used sockets on the prototype board to allow some experimentation. The first type to be tried is the TLC082, which has a CMOS input and BJT output. CMOS types are often dismissed as unsuitable for audio use because of poor noise performance, but the TLC08x types are reasonably good, and although they are still not as good as some bipolar and jfet types they should be more than adequate for the present application. The 1/f noise is still relatively poor, so probably not a good idea for phono preamps, but in guitar preamps signal levels are higher and some bass cut is generally needed, so bass noise is much less of an issue. If lower noise is required IC1 could be an OPA2134, but the TLC082 has lower current requirement and may still work better for IC2 because of the higher common-mode input voltage range and higher output current limit. The BC560 could be replaced by almost any small signal pnp type, these are not critical. The red LEDs I used are type HLMP-1301, but again almost any small low power types should be ok. As previously one of the LEDs can be fitted through a hole in the case to act as a battery level warning light, then high sensitivity types are a better choice because their current is only about 1mA. If the LED gets noticeably dim it's time to replace or recharge the battery. The 1N914 diodes could be replaced by germanium types such as the OA5 used in the first version, the clipping should be softer then. The BC550C can be any high gain type, but if the gain is too low the 1M base drive resistor may need to be reduced. Aim for gain 500 or more with 1M.
Here is the layout I used, there were a few small errors originally, so the corrections make it look a little untidy. There are a few extra holes; the 1u and 470n polyester types usually have lead pitch either 7.5mm or 10mm, so holes are included for either size.

Here is a mirror image of the board layout from the copper side. If used with a UV box this is what needs to be printed on a transparency or tracing paper so that during exposure the ink side is in contact with the photo-sensitive board surface. The earth track has a break in a different place to the layout diagram, I decided not to connect the board to the case via the mounting bolt at the top centre, but in the final version added a wire link from the case to the earth terminal on the input socket. The blue divisions are tenths of an inch (2.54mm)


References
Silonex NSL-32SR2 Data
TLC082 Data. (The input offset voltage is not 60uV as claimed on the first page.)
OPA2134 Data, this is the dual version of the jfet opamp OPA134.
J112 Data.
BC560 Data.
BC550C Data.