Positive Phase Negative Feedback.
Updated 15-Nov-2025
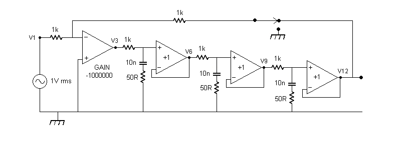
The usual definition is that feedback is negative if adding it reduces the gain, and positive if it increases the gain. Having asserted that positive phase feedback with a high loop gain can reduce gain and distortion, and should be classified as negative feedback, here I try to explain how that works. The next diagram has overall feedback from output to input, and a high gain inverting stage, and includes three phase shift networks to add a total phase shift greater than 180deg, so that at certain frequencies there is exactly positive phase feedback.

A simulation reveals nothing unusual, the output voltage just looks like a flat line from 10Hz to 10MHz at 1V with 180deg phase shift, i.e. inverted. So we have just a unity gain inverting amplifier. If we break the feedback loop with the switch shown in the diagram, connecting the feedback resistor to earth, then we can see the open-loop phase shift. This shows that there is an additional phase shift of 180deg at 3.5kHz and 14kHz, giving exactly positive phase feedback at those frequencies.

A problem with understanding positive phase feedback is our expectation that if the input goes positive, and then the much bigger output also goes positive and is fed back and added to the input, which then causes an even greater positive output which gets fed back, then this looks like an unlimited increase in total input, and we would expect the output to hit the supply rail, or at least instability.
Where this is wrong is that if we applied a positive step to the phase shift network it doesn't invert the step, a positive step remains a positive step, although with a less steep upward slope. Three phase shift networks reduce the slope further, but it is still positive going. Only the inverting stage changes a positive input step into a negative going slope, and that is what arrives back at the input to reduce the total input, not increase it.Here is the start of a positive-going step and an example of what can happen after passing through 1,2 and 3 low-pass filters. The slope is reduced, but it remains positive-going. The start of the pulse appears to be delayed, but increasing the vertical resolution considerably reveals that even in the final stage it rises above zero at the same time as the original step.

Understanding what happens with a sinewave is maybe more difficult. We could just split the sinewave into a series of steps and use the same argument, but maybe that is not entirely convincing. An alternative approach is to look at the phase angles of a sinewave at different points in the diagram in the closed-loop condition..
(I use AIM-Spice which only displays phase from -180 to +180deg, which causes problems because the displayed phase can jump from one limit to the other if it strays slightly past one limit, i.e. anything slightly over +180 is displayed as -180. To keep the output phase V12 within the limits I had to add a 40pF capacitor across the 1k input resistor, and then limit the frequency range to 1MHz, at which there is already clearly a small upward slope.)

What we find is that the V3 phase shift (green) is the same magnitude but in the opposite directions to the total open-loop phase shown in the first plot near the top of the page. Starting from the output of the first stage the positive phase shift is then reduced by each successive low-pass network until it arrives at the output as V12 (red) with what looks like a flat phase response. That all looks ok, but then what about the input stage, it has two inputs, V1 the original input signal, which by definition has zero phase shift (all other phases are relative to the input signal), and the feedback signal, both of which are divided by 2 by the feedback and input resistors. So with two almost equal and opposite phase signals the two signals almost exactly cancel, but have a very small remainder. The remainder can however have a wide range of phase shift, and is identical to the V(3) phase. The following diagram is maybe a better illustration of the phases of the various voltages:

The input signal Vs is shown in black as a vector from left to right starting from the origin O. The feedback signal Vf is shown in blue, with another 3 examples, all approximately equal and opposite to Vs, the small difference remaining at the amplifier input is Vi (green), and it can be seen that small differences in the amplitude and phase of Vf can give any phase angle of Vi over the whole 360 deg range round the red circle. With a high loop gain Vi would be very small, and therefore the red circle would be very small. Imagine it is 1000 times smaller, then the variation needed in Vf to cover the whole range would be very small in amplitude or phase, and Vf will be almost exactly equal and opposite to Vs, and we have an accurately unity gain inverting amplifier, whatever phase Vi needs to be. With exact negative phase feedback Vi will be in the exact same direction as Vs, and with exact positive phase feedback Vi will be in the exact opposite direction to Vs. This is where the extra 180 deg occurs to compensate for the difference between positive and negative phase gain in the amplifier.
Maybe we don't need to go through a similar process to see how distortion is reduced. That is easier to understand, suppose the 1000000 gain of the input stage changed at some signal level and became 2000000, what effect would that have? The figure for the gain was just chosen as some convenient large number, it plays no central role, other than to determine how small the deviations in the output V12 become, so a different large number would work about as well. In other words variations in the gain, i.e. distortion, have little effect on the output, and the positive phase is largely irrelevant. In my Feedback Effects page I showed the analysis for added distortion, and found that it is simply reduced by the magnitude of the feedback loop gain, but also phase shifted by the same amount as the excess phase shift in the loop, but shifted in the opposite direction. So the excess phase in the feedback loop does have some effect on the distortion, but almost entirely on its phase, very little on its reduced level, provided the loop gain is high.
In conclusion, it can be seen that nothing dramatic happens at 3.5kHz or 14kHz where feedback is exactly positive phase. In a real amplifier the loop gain can fall, e.g. during switch-on or near clipping or slew-rate limiting, so we can no longer assume high loop gain, and if the loop gain falls to unity while the feedback is positive phase then instability is possible, which is why it is advisable to avoid positive phase feedback and maintain an adequate safety margin. What I call a 'safety margin' is not the same as the commonly used 'phase margin' which generally specifies the safety margin at just the loop unity gain frequency. That ignores the fact that the unity gain frequency is generally not fixed, it can vary considerably near clipping, slew rate limiting, etc.
The big danger with positive phase feedback over a limited frequency range is that the amplifier may operate well, with no apparent problems, with nothing revealed by the common square-wave tests, but could still be triggered into oscillation in situations where the gain falls. If the problem occurs during switch-on then the amplifier may never reach its stable state. To check for this sort of problem I prefer looking at clipping with a capacitive load, on one occasion that caused continuous oscillation, even though the square-wave response with the same load had looked perfectly ok.Footnotes:
I mentioned one of the problems with AIM-Spice and phase shifts, maybe other versions of Spice have similar problems. Another 'problem' is that a sinewave inversion can be represented equally well by a phase shift of +180 or -180 deg. The open-loop phase diagram near the top of the page starts at +180 and falls past zero, but could equally well have started at -180 and fallen past -360. Consequently the scales can be confusing sometimes.Another point is illustrated by my treatment of a step input, where the phase shifts do not cause an inversion, and there is only one inversion changing a positive going step into a negative going step being fed back. This would not work if we achieved our positive phase feedback using two inversions rather than one inversion plus a 180 deg phase shift. With two inversions we get the standard bistable type circuit, where there are just two stable states, both with output close to one or the other supply rail. For a similar reason using an op-amp taking feedback from output to non-inverting input has a similar result. The term 'positive phase' used in the title only refers to a single inversion, plus added phase shift. Inversions and 180 deg phase shifts are not always interchangeable.
Needless to say, I did try adding a distortion signal and checking the effect of the feedback at 10kHz where there is a little over 180 deg excess phase. With no feedback the output distortion was 1V, and with the feedback included it fell to 0.5mV. The magnitude of loop gain at 10kHz is 2000, so that's exactly as expected.
References:
Searching for references I found many assertions about negative feedback needing to be accurately negative phase, and that positive phase is always positive feedback, some of this by well known writers on amplifier design.
There are some reasonably good treatments of the subject, here are some examples:In 'Audio Power Amplifier Design' 6th ed. by Douglas Self, page 56 there is just a single sentence, starting "This raises the question of how the 90deg phase shift is accommodated by the feedback loop;" The explanation given agrees with my own more general treatment, and in practice is probably all an amplifier designer really needs to know, as I said positive phase feedback can work, but is best avoided, unless we do something like the next reference.
An-experimental-4-th-order-linear-audio-power-amplfier by GK. This is an interesting attempt to design an audio power amplifier with 4th order frequency compensation, and therefore only conditionally stable, the idea being to detect the approach to clipping and switch to a first order compensation until the danger is past. The result is massive loop gain at low frequencies, but surprisingly only 60dB at 20kHz, around the same as my MJR7, I guess it would be capable of far more if used with a lateral mosfet output.
Audio power amplifier design - part 2 Baxandall, Wireless World, March 1978 Pages 41 to 45.
Audio power amplifier design - part 3 Baxandall, Wireless World, May 1978 Pages 83 to 88. Fig.4 is a good demonstration of conditional stability.
These two articles provide a reliable account of feedback and stability, and include the definitions of positive and negative feedback based on whether their application increases or decreases the gain rather than a difference in phase.Why Conditionally Stable Systems Do Not Oscillate by Wayne Tuttle, 2020.
Fig.9 shows the square wave waveforms of the 'error amplifier', which relates to my step response explanation. I wanted to include square waves, but don't know how to do that with AIM-Spice. Fig.9 appears to be oscilloscope traces, so maybe more convincing than simulations. It would have been helpful to include a circuit diagram showing where the lower trace was taken from.