Distortion Testing
The low levels of distortion expected for the MJR7 amplifiers make measurement difficult. My signal generator has second harmonic at -87dB at 1kHz, so this would be useless if I just applied this to the amplifier input and measured the output. There are ways to reduce the generator distortion, ranging from a single capacitor across its output to more complex filters to reject the distortion frequencies.
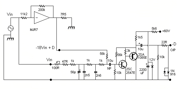
The solution I have always chosen is to use a signal nulling circuit to reject as much as possible of the test signal and its distortion. One circuit I have been using to test the Mk5 amplifier is shown next. This is suitable only for testing an inverting amplifier.

The circuit is similar to one which appeared in Wireless World, Nov 1977 , page 65, in an article by Peter Baxandall.
The MJR7 has voltage gain about -18, so with an input Vin, if it adds distortion D, its output is -18Vin + D.
The test circuit feedback amplifier has two inputs, one is the original test signal Vin, taken via a gain and phase adjustment network, the other is the MJR7 output, which is taken via 56k so that the test amplifier with its 56k feedback resistor gives gain -1. With careful adjustment of the variable resistor and capacitor the Vin and -18Vin can be made to cancel, leaving just the distortion D. In practice accurate nulling of Vin is difficult, but reduction by 40dB is enough to make accurate measurement possible.
Checking the gain confirmed a very accurate unity gain for the distortion. Two diodes are included at the output to protect the soundcard from excessive voltage. I have no specification for maximum input to my soundcard, so I don't like to connect direct to any amplifier output without some protection. Signal level needs to be kept below about 100mV to avoid the diodes adding significant distortion.