Distortion Extraction
Work In Progress
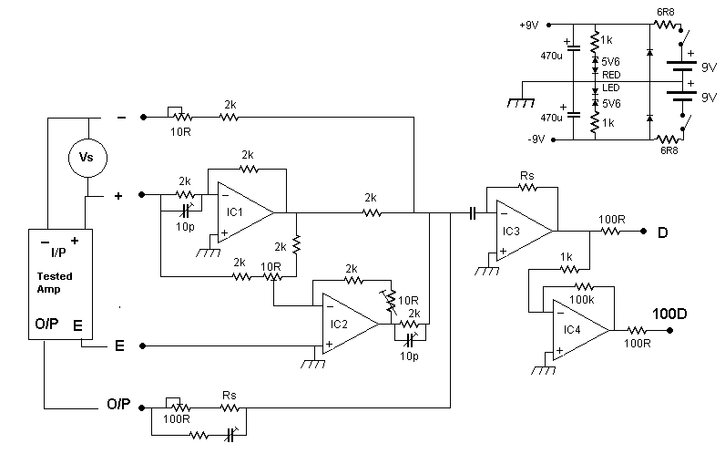
Extracting the distortion component of an amplifier output is easy for an inverting amplifier, the undistorted components are already available as original and inverted versions, and we can use a simple resistive adder to add these in such a ratio that we cancel the undistorted signal to leave only distortion. If we are only interested in nonlinear distortion we would also like to trim out the effects of high frequency gain and phase variations, and so a few trimmer capacitors are needed. Even then the circuit can be fairly simple. Shown next as an example is the circuit I used to test my MJR7 amplifier. The extracted distortion is at a very low level, so a low noise amplifier is included to provide a signal for observing with an oscilloscope or computer sound card.

For a non-inverting amplifier we need to invert the output or the test signal before we can subtract them, so a low distortion inverter is needed. This must have lower distortion than any amplifier we could want to test, which is difficult. There are op-amps available claimed to have extremely low distortion, but suppose it was one of these op-amps we wanted to test? We need even lower distortion from our inverting stage. There are a few ways we could approach this problem, but given that this test method already involves making extremely fine adjustments, why not use feedforward distortion nulling using two op-amps. An example is shown next:

The output earth of the amplifier being tested is used as the earth reference for the measurements, and the input earth goes to either the + or - input of the test circuit for inverting or non-inverting amplifiers respectively. This ensures any voltage difference between the input and output earths is detected. The connection to the amplifier output is marked O/P and connects via resistance Rs, the value of which depends on the amplifier gain. For testing an amplifier with gain A the value of Rs needs to be Ax2k, or slightly less, with fine adjustment needed for accurate signal nulling. A parallel trimmer capacitor can improve nulling at higher frequencies. This is not ideal, but may be good enough provided the tested amplifier has a simple first-order low-pass response. Another resistor with the value Rs is included in the test circuit, this is to give unity gain for the distortion component at the output marked D. A further x100 stage gives a more easily observed 100D output suitable for detecting via a sound card or oscilloscope.
It may be a good idea to add a current source about 5mA from the output of IC1 to the negative supply to keep the op-amp output stage in class-A. This may be helpful because it will prevent distorted class-B output currents being injected into the supply and possibly having some adverse effect.